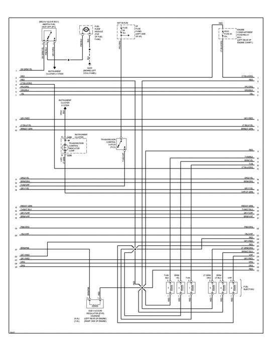
Sunday, January 15th, 2012 AT 11:53 PM
I have a 1995 ford ranger 4X4 with the 4.0 Automatic and I was driving about 65mph, Hit a pretty good crater in the highway, The motor died and it seemed if all power had shut down to the electrical, I made it to the side of the highway and shut the key off and the electrical power came back on, The engine turns over but will not start. Any idea of what this could be? The battery and cable and all were connected properly, And it seems it is not getting fire to the plugs, Any help would be appreciated





