Thursday, May 21st, 2020 AT 8:41 PM
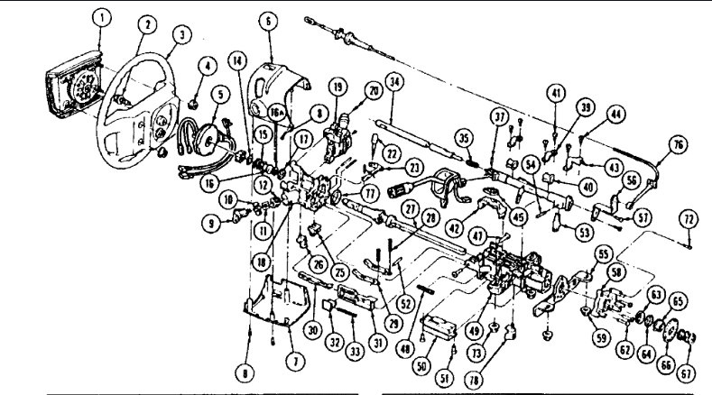
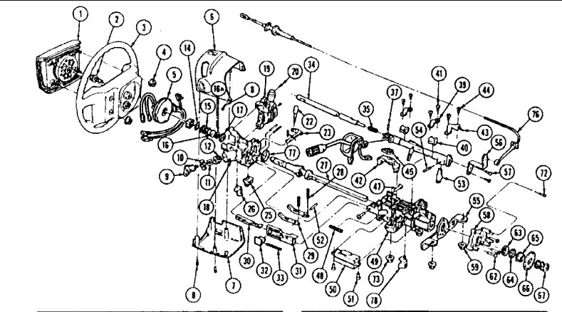
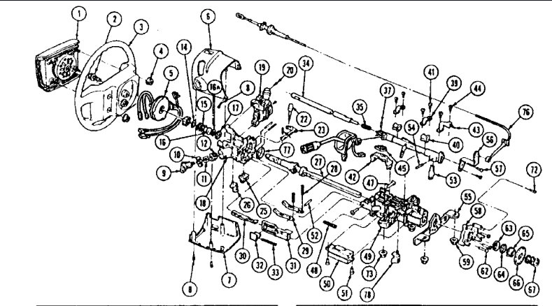
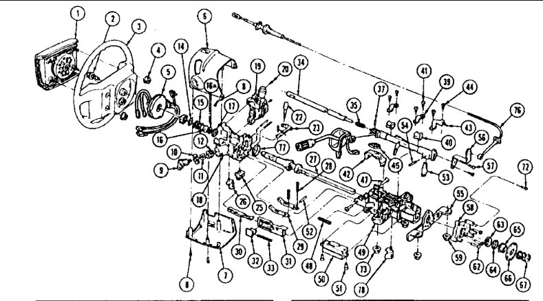
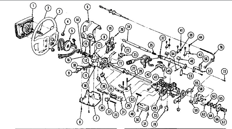
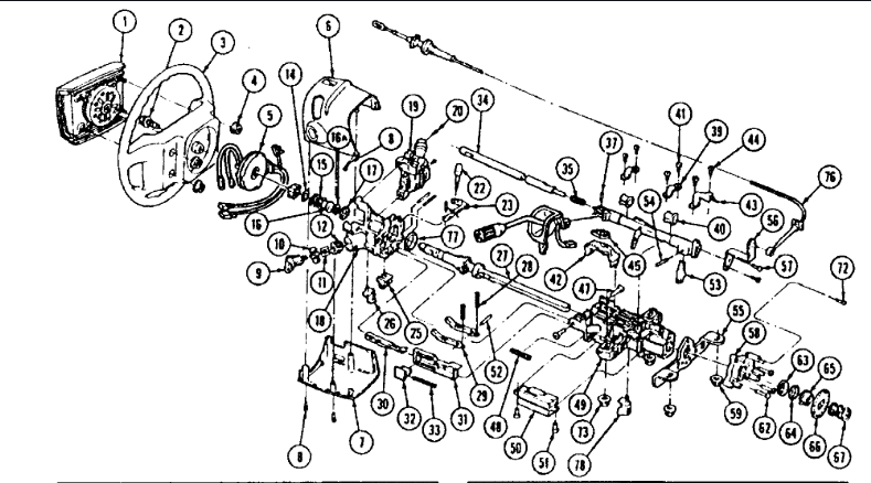
L4.9 inline six. People who owned before me lost the key. Instead of drilling out and replacing the ignition switch, they dropped the ignition actuator module out from under the steering column and left it dangling, but you could manually operate the actuator and the truck would start, run, shift normally. I don't know what else they did to it but I seem to recall the steering lock did not function. No warning light or check engine light. I decided to put in a new ignition switch by drilling out the old one and put the actuator back into place. The truck would start but not shut off. I took the actuator back down. The key now has no detents and will not move past the "on" position. Buzzer will sound when I put key in the ignition with the door open. I let the truck sit all winter. In the spring I replaced the tires and wheels, and put in an aftermarket stereo. The next day I went out to start the truck, which it did, but would not come out of Park. Even reefing on it pretty hard. I tried removing the shift lock actuator on top of the steering column, put it back together, and still won't come out of Park. And now the shift indicator is sitting on "L." But it will start. The dome light and brake lights work normally. The truck has been parked on a slight rear incline for more than a year. If you pull on the shifter you can get it to go into Reverse, but it's not actually "falling into the notch." It won't stay there, it's just slop in the linkage. Non-tilt. Truck listed above is the XL model. Yes, I would like some help/break down information or possible clues to what might be going on. Honestly, if I could just get the shifter problem solved, I don't mind just using the actuator to start it. But I would like to hear what's involved in making the actual keyed ignition working. It sounds pretty involved.
















