1995 Dodge Caravan inner heater hose/bypass tube

Tiny
RCOSTILLA
  • MEMBER
  • 1995 DODGE CARAVAN
  • 3.0L
  • 6 CYL
  • 2WD
  • AUTOMATIC
  • 260,000 MILES
I have a 1995 Dodge Caravan 3.0L. I would like to know how to remove and replace the inner heater hose/water pump tube that passes through the engine. Do I have to remove the water pump or just the air intake manifold? How much nuts or bolts does the tube have or does it just pry off? Please send pictures and all details needed.

Thank you very much for your feedback. I appreciate it very very much
Sunday, December 14th, 2014 AT 7:11 AM

4 Replies

Tiny
KEN L
  • MASTER CERTIFIED MECHANIC
  • 55,488 POSTS
There is an O ring that leaks and you must remove the intake manifold to replace it.

Remove the intake manifold and the pipe. Remove one bolt from the transmission bell housing, then twist and pull the pipe out.

Removing the water pump is a really big job and won't help with the pipe. The water pump sits in a housing, and the pipe goes into the back of that housing with a rubber o-ring.

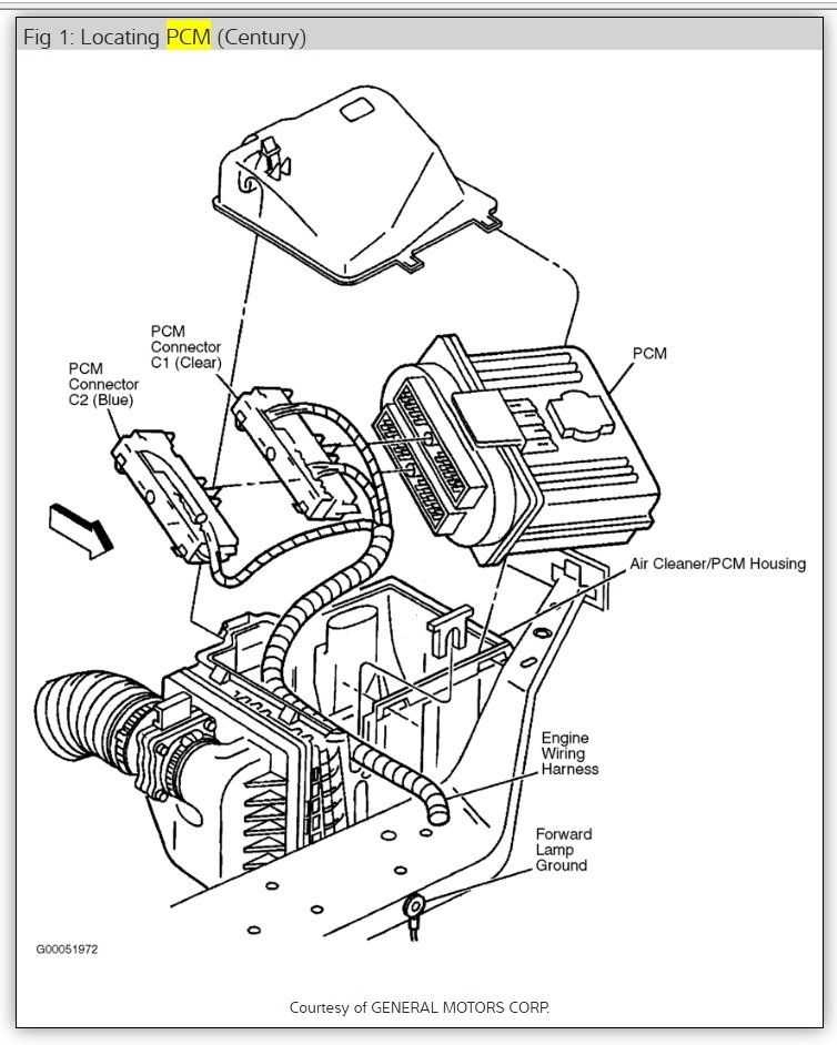
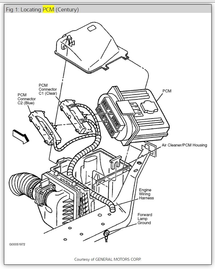
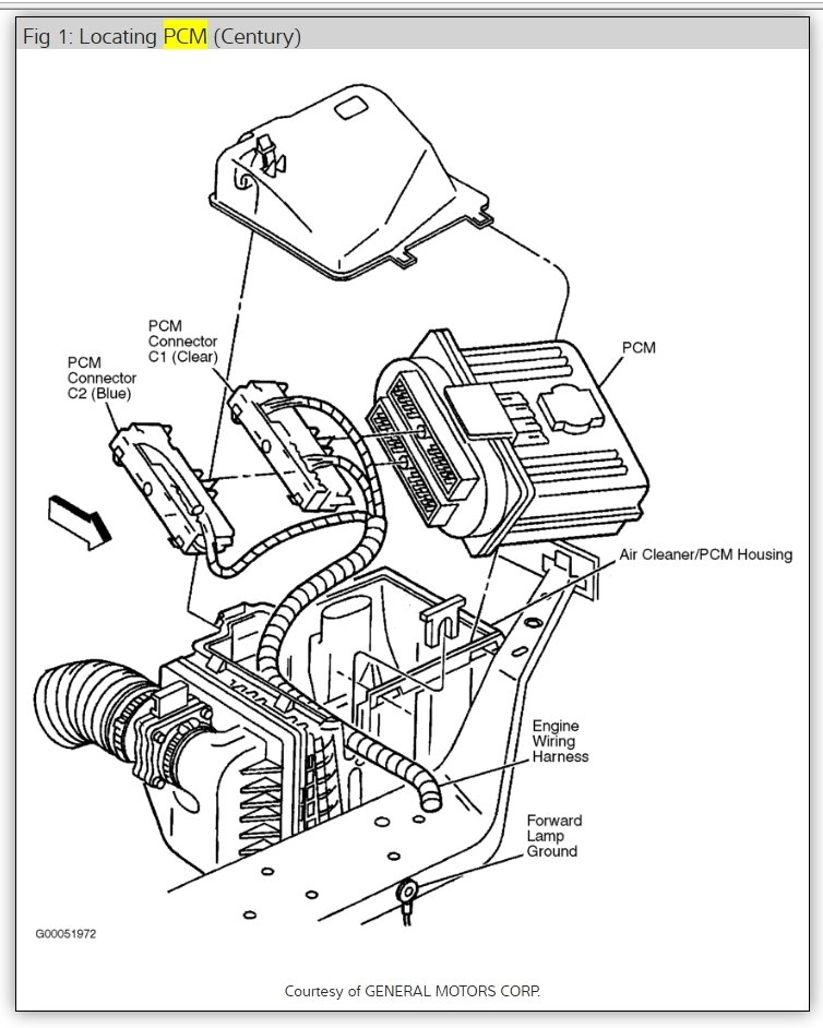
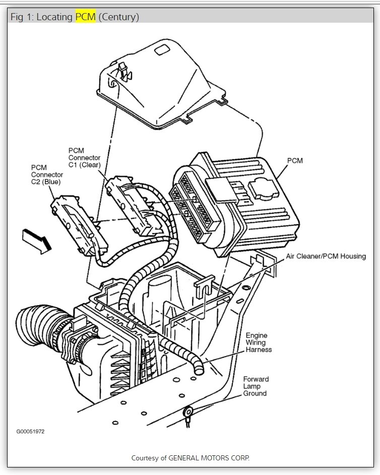
Here is a diagram on how to fix it

Please let me know if you need anything else to get the problem fixed.

Best, Ken
Was this
answer
helpful?
Yes
No
+1
Friday, December 16th, 2016 AT 12:18 PM
Tiny
HOGGIEDOO
  • MEMBER
  • 1 POST
  • 1999 DODGE CARAVAN
  • 6 CYL
  • FWD
  • AUTOMATIC
  • 140,000 MILES
Heater problem
1999 Dodge Caravan 6 cyl Front Wheel Drive Automatic 140000 miles

I need to replace the rear heater hose assembly. I have heard that this is quite a chore. It looks like all I need to do is remove the air intake and I can access everything. Am I over-simplifying this?
Was this
answer
helpful?
Yes
No
+1
Friday, December 16th, 2016 AT 12:20 PM (Merged)
Tiny
MASTERTECHTIM
  • MECHANIC
  • 4,750 POSTS
You are not over simplifying it my friend. People get scared to remove the intake. I can see your not scared and I dont think you will have a problem at all. Once the intake is off you have all the room in the world. Some people try doing this without removing intake and have a very bad day trying to get it to fit.
Was this
answer
helpful?
Yes
No
+1
Friday, December 16th, 2016 AT 12:20 PM (Merged)
Tiny
CARADIODOC
  • MECHANIC
  • 34,489 POSTS
It sounds to me like you plan on going all the way from the engine to the rear heater core, and depending on why, that may not be the best solution.

These vans had a lot of trouble with the o-rings at the rear quick-connects to the heater core. They shrink in cold weather and leak. You get a green puddle on the ground next to the right rear tire. When these vans were under warranty, we were obligated to repair them with factory-approved and supplied parts. The new hose assemblies had TWO o-rings, ... That shrank and leaked in cold weather! The new, superceded parts did not permanently solve the problem.

When the vehicles were out of warranty, the much more effective repair was to cut the crimps off the hoses at the front, right behind the engine cross member, (under the front passenger's foot area), then cut the hoses off. At the rear, just pop the couplers apart. Don't even bother to remove the old hoses. Use new bulk heater hose in place of those you just disconnected. At the front, just slide them on and use regular hose clamps. At the rear, the hoses will slide onto the nipples of the heater core but you have to watch that they don't kink from making such a sharp bend. Use tie straps to hold the new hoses to the old ones.

Leave one of the hose clamps loose at the rear. If left to itself, it can take weeks of driving before the air will burp out of the rear heater core sufficiently for coolant to flow. That's because it sits up so high and the inlet and outlet are at the bottom. You can use a pressure tester to pressurize the cooling system, but I just let the engine warm up to build pressure. Use a hose pinch-off pliers to pinch the hose with the clamp that's still loose. The pressure will force coolant into the heater core through the other hose, and the air will sneak out by the loose clamp. Tighten the clamp, refill the reservoir, and you're done. Don't get excited if you don't get good heat right away. If there's still some air in there, it will work its way out over time.
Was this
answer
helpful?
Yes
No
Friday, December 16th, 2016 AT 12:43 PM

Please login or register to post a reply.