Stalls while driving?

Tiny
DAGREENMILE
  • MEMBER
  • 2 POSTS
Its carb with an electicic fuel pump if I turn the key u can see sum fuel squirt out and thats it no more how do I check fuel pressure
Was this
answer
helpful?
Yes
No
Tuesday, July 28th, 2020 AT 2:17 PM (Merged)
Tiny
RASMATAZ
  • MECHANIC
  • 75,992 POSTS
Tee the fuel pressure gauge on the fuel filter should read 3-5psi
Was this
answer
helpful?
Yes
No
Tuesday, July 28th, 2020 AT 2:17 PM (Merged)
Tiny
TONYG75821
  • MEMBER
  • 1 POST
  • 1988 MAZDA B2200
  • 2.2L
  • 4 CYL
  • RWD
  • MANUAL
  • 160,000 MILES
My truck will start right up, but if I take foot off of gas it will shut off. What could be my problem?
Was this
answer
helpful?
Yes
No
Tuesday, July 28th, 2020 AT 2:17 PM (Merged)
Tiny
STEVE W.
  • MECHANIC
  • 15,691 POSTS
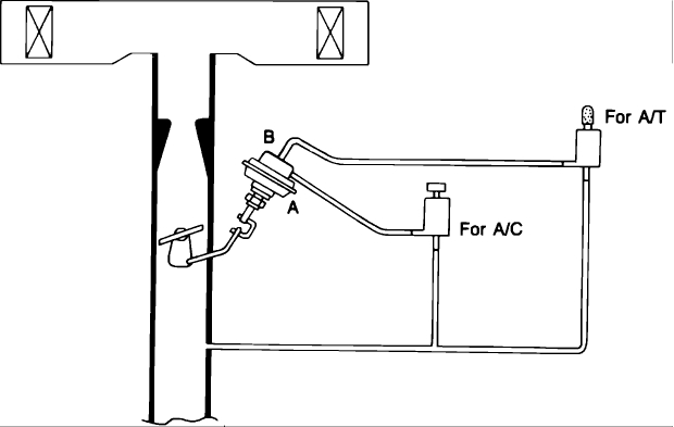
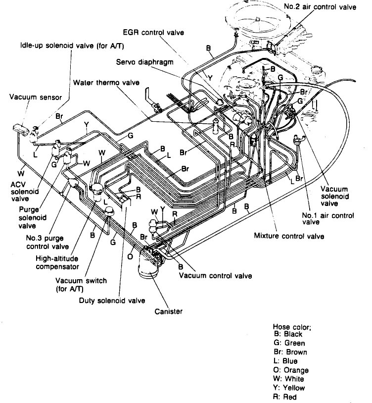
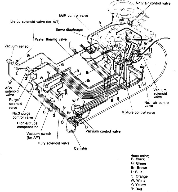
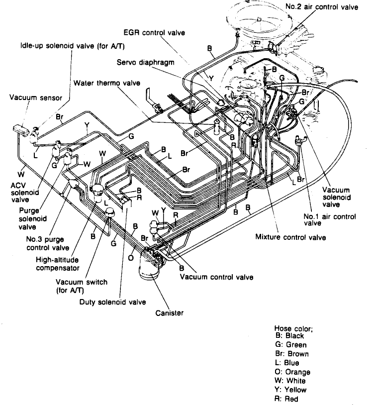
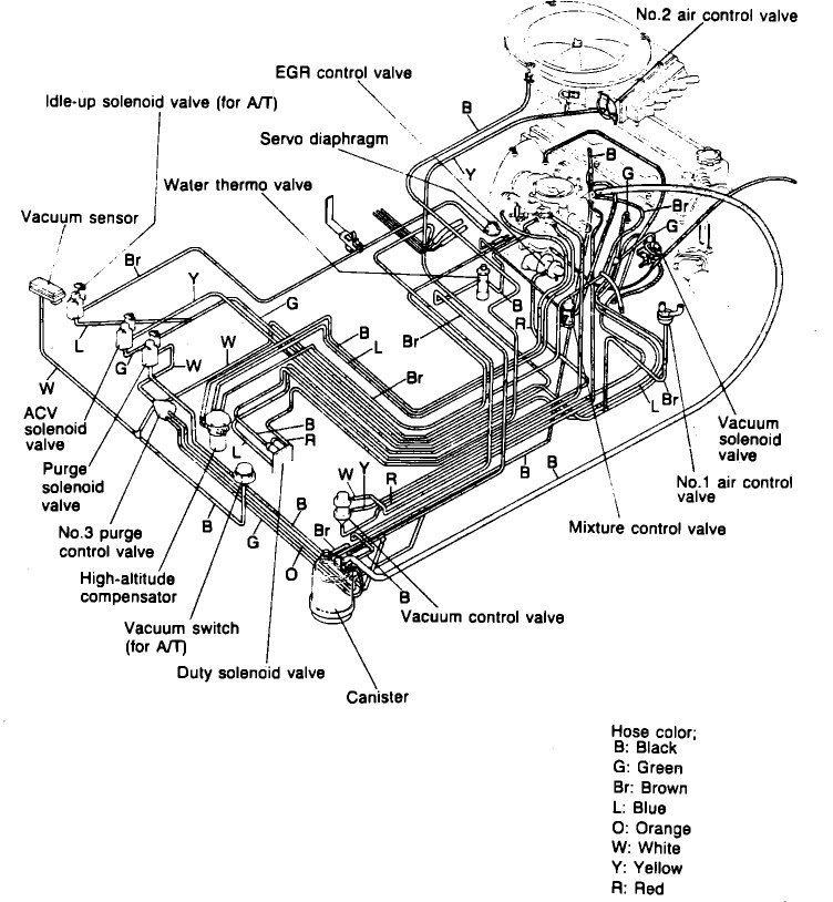
Check the idle up solenoid and the vacuum idle control. Those hold the throttle open a bit to control the idle speed. If the vacuum control diaphragm fails it will cause this issue. If the idle-up solenoid fails it will not control the vacuum to the vacuum idle control with the same result.
Was this
answer
helpful?
Yes
No
Tuesday, July 28th, 2020 AT 2:17 PM (Merged)
Tiny
ATLANTABACHELOR
  • MEMBER
  • 2 POSTS
  • 1988 MAZDA B2200
  • 4 CYL
  • 2WD
  • MANUAL
  • 104,000 MILES
The engine will start smooth, but as soon as I turn the key from start to run, the engine dies.
The engine will stay running as long as I periodically engage the starter and nick the starter gear against the fly wheel, so it doesn't appear to be a gas issue.
Was this
answer
helpful?
Yes
No
Tuesday, July 28th, 2020 AT 2:17 PM (Merged)
Tiny
KHLOW2008
  • MECHANIC
  • 41,814 POSTS
Hi atlantabachelor,

Thank you for the donation.

You have a faulty ignition switch that has bad contacts in the Run position.

When the key is returned to the run position an d engine stalls, the dash indicators would not stay on due to the contacts being bad.

A replacement of the switch is required.
Was this
answer
helpful?
Yes
No
+2
Tuesday, July 28th, 2020 AT 2:17 PM (Merged)
Tiny
ATLANTABACHELOR
  • MEMBER
  • 2 POSTS
Is there anything I can do to avoid the painstaking task of changing the ignition switch?
Can I place a regular toggle switch somewhere jumping the wires that aren't making contact?
Instructions for changing the switch?
Was this
answer
helpful?
Yes
No
+1
Tuesday, July 28th, 2020 AT 2:17 PM (Merged)
Tiny
KHLOW2008
  • MECHANIC
  • 41,814 POSTS
The swich can be replaced separate from the lock cylinder and is not too difficult. The labor time is quoted at 0.6 hour.

You can use a toggle switch but it is going to be troublesome and the time taken to set it up would be longer tyhan replacing the switch.

Remove the steerng column cover.
Unplug the ignition switch wire.
Remove the holding screws for the ignition switch at other end of ignition key lock.
Reverse procedure for installation.
Was this
answer
helpful?
Yes
No
+1
Tuesday, July 28th, 2020 AT 2:17 PM (Merged)
Tiny
DENNIS73
  • MEMBER
  • 1 POST
  • 1986 MAZDA B2200
  • 4 CYL
  • 2WD
  • MANUAL
  • 229,000 MILES
I've been driving my truck around all day and I was sitting at a red light and it just shut off. I went to start back up and nothing not click or sound of any kind. Can a battery go dead like that? What could be wrong?
Was this
answer
helpful?
Yes
No
Tuesday, July 28th, 2020 AT 2:17 PM (Merged)
Tiny
RASMATAZ
  • MECHANIC
  • 75,992 POSTS
The battery might not be taking the charge or the alternator is not putting out-get both load tested if okay check and test all the fusible links and ignition switch.
Was this
answer
helpful?
Yes
No
Tuesday, July 28th, 2020 AT 2:17 PM (Merged)

Please login or register to post a reply.