No fuel injector Pulse

Tiny
CJ782
  • MEMBER
  • 1994 JEEP CHEROKEE
  • 6 CYL
  • 4WD
  • MANUAL
  • 165,000 MILES
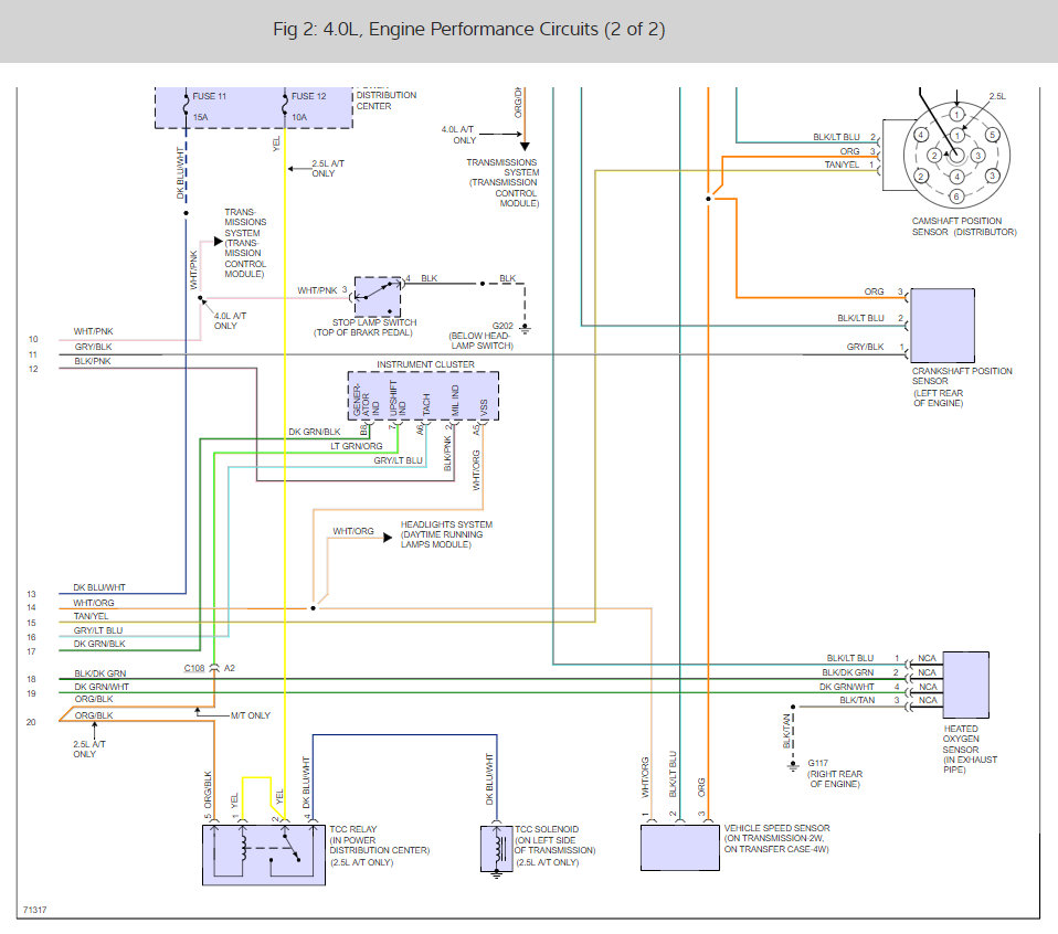
4.0 1994 Jeep Cherokee, No fuel injector pulse, 40 lbs fuel pressure at the fuel rail, changed crankshaft position indicator, PCM is tested good, There is also spark at the spark plugs.
Monday, November 15th, 2010 AT 2:45 AM

31 Replies

Tiny
JACOBANDNICKOLAS
  • MECHANIC
  • 110,192 POSTS
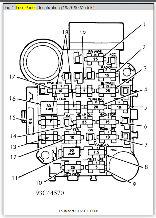
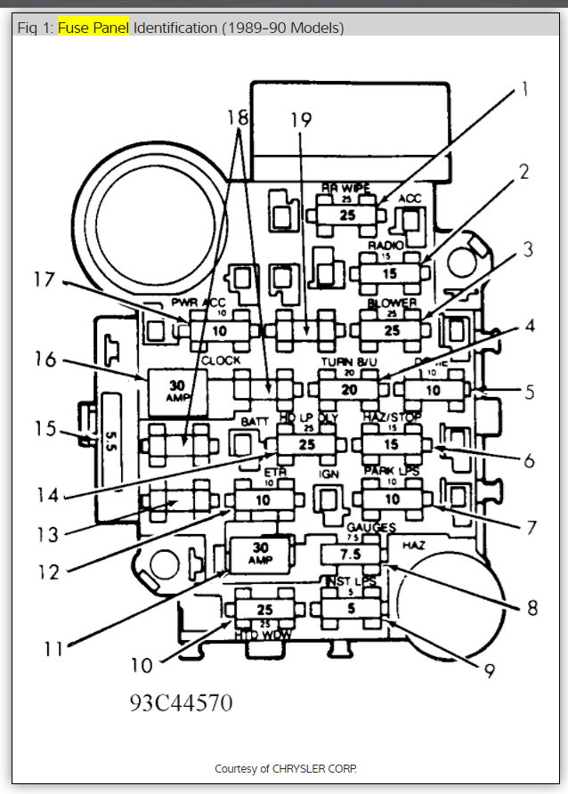
It sounds like lost the ASD relay so the computer is not getting power. Here is a guide and some diagrams (below) so you can get the problem fixed.

https://www.2carpros.com/articles/how-to-check-an-electrical-relay-and-wiring-control-circuit

and

https://www.2carpros.com/articles/how-to-check-a-car-fuse

Please run some tests and get back to us so we can keep helping you.

Cheers, Ken
Was this
answer
helpful?
Yes
No
-2
Monday, November 15th, 2010 AT 2:46 AM
Tiny
CJ782
  • MEMBER
  • 2 POSTS
You guys are so smart! Hit it on the money it was the ASD relay. I tested it and it was not working so I got a new one and I am off and running! I love 2Carpros
Was this
answer
helpful?
Yes
No
Monday, November 15th, 2010 AT 2:59 AM
Tiny
ASEMASTER6371
  • MECHANIC
  • 52,796 POSTS
The pump may have failed. Check for power back at the pump to verify

Roy
Was this
answer
helpful?
Yes
No
Wednesday, September 13th, 2017 AT 10:38 AM (Merged)
Tiny
WOLFREDRUNNING
  • MEMBER
  • 4 POSTS
  • 1996 JEEP CHEROKEE
1996 jeep cherokee 4.0l auto 4x4.113,000 miles. Tested fuel pressure at test port on fuel rail- no pressure. Removed fuel tank and tested fuel pump - ok. Replaced ECU, coil cap and rotor, fuel pump relay. Checked and tested all fuses and relay. Was able to attain fuel pressure of 46 psi by jumping fuel pump relay. Terminals 85-86.87-30. But still no spark to plugs. Any suggestions?
Was this
answer
helpful?
Yes
No
Wednesday, September 13th, 2017 AT 10:38 AM (Merged)
Tiny
RASMATAZ
  • MECHANIC
  • 75,992 POSTS
Check the ASD relay it powers both fuel/spark.
Was this
answer
helpful?
Yes
No
Wednesday, September 13th, 2017 AT 10:38 AM (Merged)
Tiny
RASMATAZ
  • MECHANIC
  • 75,992 POSTS
Check the ASD relay it powers both fuel/spark.[/Quote:64ceab88f5]

. Was able to attain fuel pressure of 46 psi by jumping fuel pump relay. Terminals 85-86.87-30. But still no spark to plugs. Any suggestions?

When you turn key to On do you hear the fuel pump for a few secs?

Turn key On Look for power at coil positive terminal-do you have it, if so check the crankshaft position sensor at left side of tranny. Inspect it

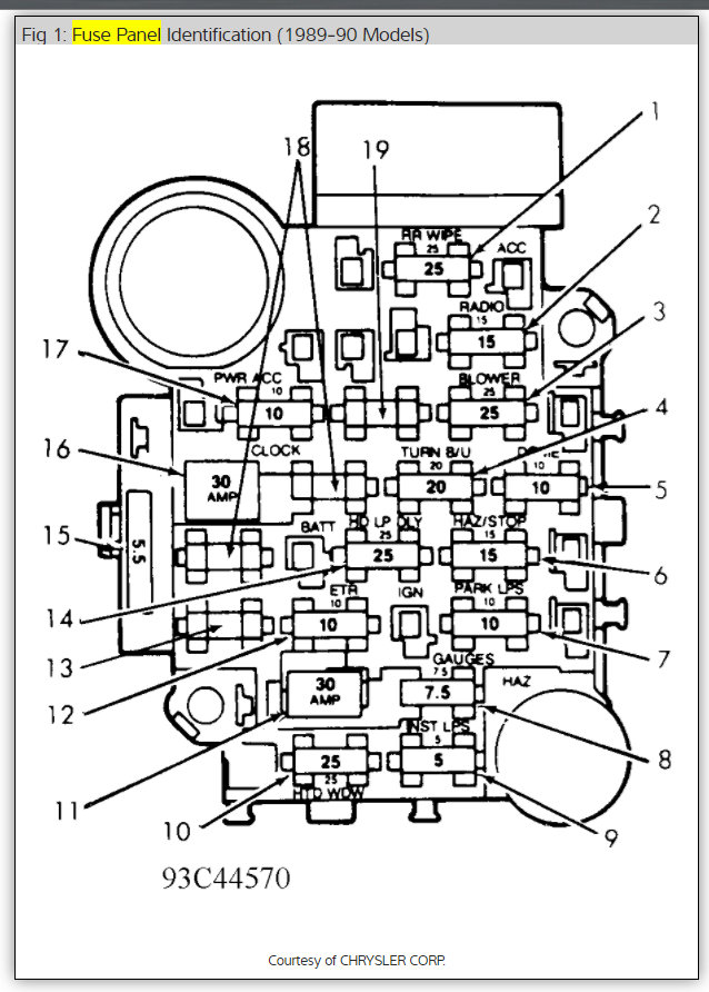
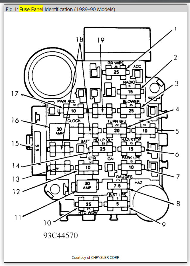
No power at coil check 20amp fuse in power distribution box. And inspect also the fuel pump relay and ASD relay. When you turn key On this relays should click- The computer energizes both relays.

The Cam sensor is in the distributor.
Was this
answer
helpful?
Yes
No
Wednesday, September 13th, 2017 AT 10:38 AM (Merged)
Tiny
NOMIC
  • MEMBER
  • 10 POSTS
Ok I just replaced a transmission on this same vehicle and had the same problem its the crank shaft possition sensor it cost's approx $84 the part # is css308 if you have any more questions here is my yahoo id newpcexpress
Was this
answer
helpful?
Yes
No
Wednesday, September 13th, 2017 AT 10:38 AM (Merged)
Tiny
RASMATAZ
  • MECHANIC
  • 75,992 POSTS
From: rasmataz
To: wolfredrunning
Posted: Mon Aug 27, 2007 4:13 am
Subject: Re: 1996 jeep cherokee no start
Find the PCM at A2 pin out when key is On is should have battery voltage. If not the PCM is gone.

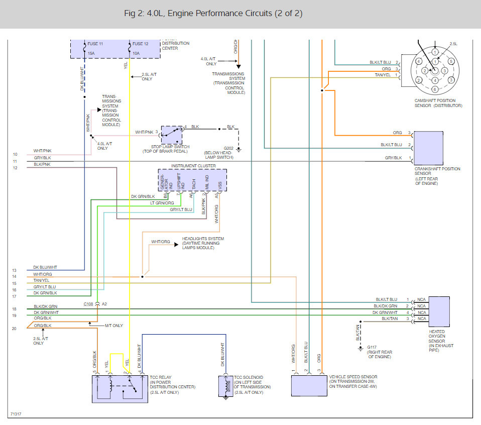
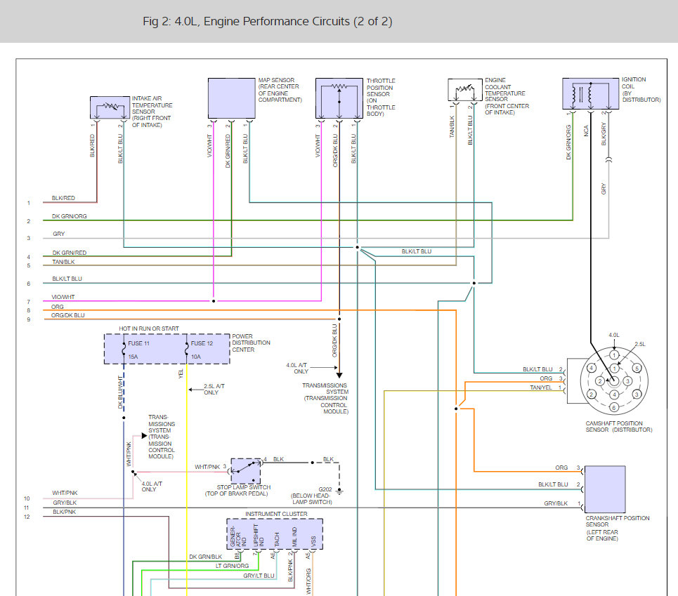
A2 also supplies the relays power, not there, the relays will not transfer power to coil / pump/injectors thru wire at ASD dark green/orange and F/P relay dark green/white.

Good Luck

_________________
Be patient you're not the only one that needs our help. So hang On. We'll get to you. Am the only female moderator in here so give me a break.
Was this
answer
helpful?
Yes
No
-2
Wednesday, September 13th, 2017 AT 10:38 AM (Merged)
Tiny
WOLFREDRUNNING
  • MEMBER
  • 4 POSTS
Was this
answer
helpful?
Yes
No
Wednesday, September 13th, 2017 AT 10:38 AM (Merged)
Tiny
RICK A
  • MEMBER
  • 5 POSTS
  • 1993 JEEP CHEROKEE
  • 6 CYL
  • AWD
  • AUTOMATIC
  • 216,000 MILES
Electrical problem
1993 Jeep Cherokee 6 cyl All Wheel Drive Automatic 216000 miles

I have a 93 jeep cherokee, it always has had to turn over several times before starting, then a couple of weeks ago it would have to turn over maybe 40 times before starting, then a week ago you would have to turn the key on and let it sit for a couple of mins. And it would start, then it took 5 mins. Then it quit, no fire, 0 volts to coil no power to the fuel pump 0 volts back at pump. I ran a jumper to the pump, and it puts out enough pressure to make the bypass work, I was told that if fuel pressure is not up it will not fire the injectors or spark plugs, however I found no sending unit in the fuel system that would read back to the computer, and stop it from firing.
Was this
answer
helpful?
Yes
No
-1
Wednesday, September 13th, 2017 AT 10:38 AM (Merged)
Tiny
RASMATAZ
  • MECHANIC
  • 75,992 POSTS
Hi rick a and welcome to 2carpros

Test the ignition switch and the ASD relay-The ASD relay powers the coil/fuel pump relay/fuel pump/injectors
Was this
answer
helpful?
Yes
No
Wednesday, September 13th, 2017 AT 10:38 AM (Merged)
Tiny
RICK A
  • MEMBER
  • 5 POSTS
When 12vdc is applied to relay it snaps in, and there is connection between front and rear pins, also when key is on I have 12vdc on pin 85 or 86 to snap in the relay, still no fire.
Was this
answer
helpful?
Yes
No
-1
Wednesday, September 13th, 2017 AT 10:38 AM (Merged)
Tiny
RASMATAZ
  • MECHANIC
  • 75,992 POSTS
Check for power at the injector harness dark green and orange wire and tell me if you have it-
Was this
answer
helpful?
Yes
No
Wednesday, September 13th, 2017 AT 10:38 AM (Merged)
Tiny
RICK A
  • MEMBER
  • 5 POSTS
Is that dark green with orange stripe? I pulled the strip off of the harness that feeds the injectors, and I am not sure if this is where I should be looking, there is an orange wire that goes to to a unit on the intake and there was no voltage there, however I did notice now that the security light is on in the dash panel. We have not noticed this before, a friend of mine has a little snap on computer that checks all components, but it would not access the cars computer, after we found no fuel pressure, there was place on little diagnostic machine that would turn the fuel pump on, it said fuel pump on connect gauge, there was still no pressure, so with no pressure, we naturally thought the pump was bad, finally checked for voltage at pump and had none, thats when I ran wire back and made the pump run, only to find no fire. Could the cars computer be the culprit?
Was this
answer
helpful?
Yes
No
Wednesday, September 13th, 2017 AT 10:38 AM (Merged)
Tiny
RICK A
  • MEMBER
  • 5 POSTS
There were 0 vdc no matter if the engine turned over or if you just had turned on the key.

Earlier you said no power at coil-it doesn't matter whether the CPS is good or no good-it will never start if the coil has no power it will not produce the secondary surge to the plugs-
Was this
answer
helpful?
Yes
No
Wednesday, September 13th, 2017 AT 10:38 AM (Merged)
Tiny
SHAWNW7
  • MEMBER
  • 2 POSTS
  • 2000 JEEP CHEROKEE
  • 4.0L
  • 6 CYL
  • 4WD
  • AUTOMATIC
  • 150,000 MILES
While driving my vehicle it just stalled and wont restart. At one point I was able to make it run by assisting it with starter fluid. However at this point I do not have fuel pressure or spark. By the way, it is the coil over system not the rotor type ignition. I am trying to determine if it is in the fuse panel (under hood). I have switched out the relays to no avail. My point of troubleshooting is currently at the Automatic Shutdown Relay (ADS). With the key on (or off) I have power to the number thirty cavity (fused cavity) of said relay. I believe I should have power to either the eighty five or eighty seven cavity (output cavity) with the power off. If that is the case and there is no power to that cavity what would cause that?

Thanks, Shawn
Was this
answer
helpful?
Yes
No
Wednesday, September 13th, 2017 AT 10:38 AM (Merged)
Tiny
RASMATAZ
  • MECHANIC
  • 75,992 POSTS
Do you hear the fuel pump come On when key at run position-if not you have a power problem -If so do a fuel pressure check-no pressure or not within specs replace the pump.

Get a noid lite from the parts store hook it up to the injector/s harness and crank engine over is it flashing?
Was this
answer
helpful?
Yes
No
+1
Wednesday, September 13th, 2017 AT 10:38 AM (Merged)
Tiny
CARADIODOC
  • MECHANIC
  • 34,480 POSTS
You are further along than most people would get, but you need to understand how the system works.

The ASD relay feeds the ignition coils, injectors, and fuel pump or pump relay. The ASD relay is turned on by the Engine Computer for one second when you turn on the ignition switch, then again during engine rotation, (cranking or running). No spark causes about two percent of crank / no-starts. No fuel pressure causes about three percent of crank / no-starts. Ninety five percent of those failures are caused by loss of spark and fuel pressure.

The first clue is you still should have some fuel pressure from that one-second burst when you turn on the ignition switch. That is why fuel pressure isn't a good clue for no-starts.

The place to start is by checking if the ASD relay is turning on during cranking. The easiest way to do that is to watch the voltage at the ignition coil or any injector. I am not sure of the wire color, but you will find the same color wire at every injector and for one of the coil wires. On most vehicles that is a dark green/orange wire, but yours might be different. Use a test light for this because most digital voltmeters do not respond fast enough. Back-probe one of those wires. You should see the test light turn on full brightness for one second when you turn on the ignition switch, then again when you crank the engine. Let me know what you find.

Have you read the diagnostic fault codes?
Was this
answer
helpful?
Yes
No
Wednesday, September 13th, 2017 AT 10:38 AM (Merged)
Tiny
RASMATAZ
  • MECHANIC
  • 75,992 POSTS
At the dark green and orange wire at the injector harness stick a test light to it do you have power?

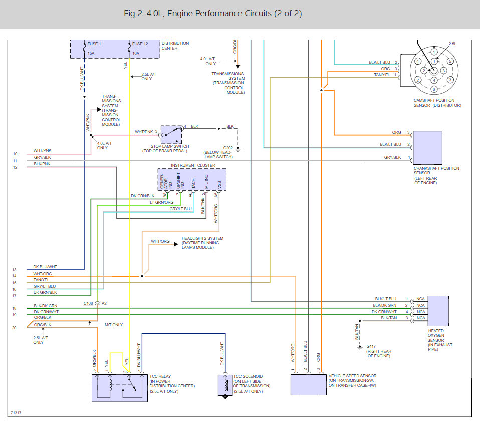
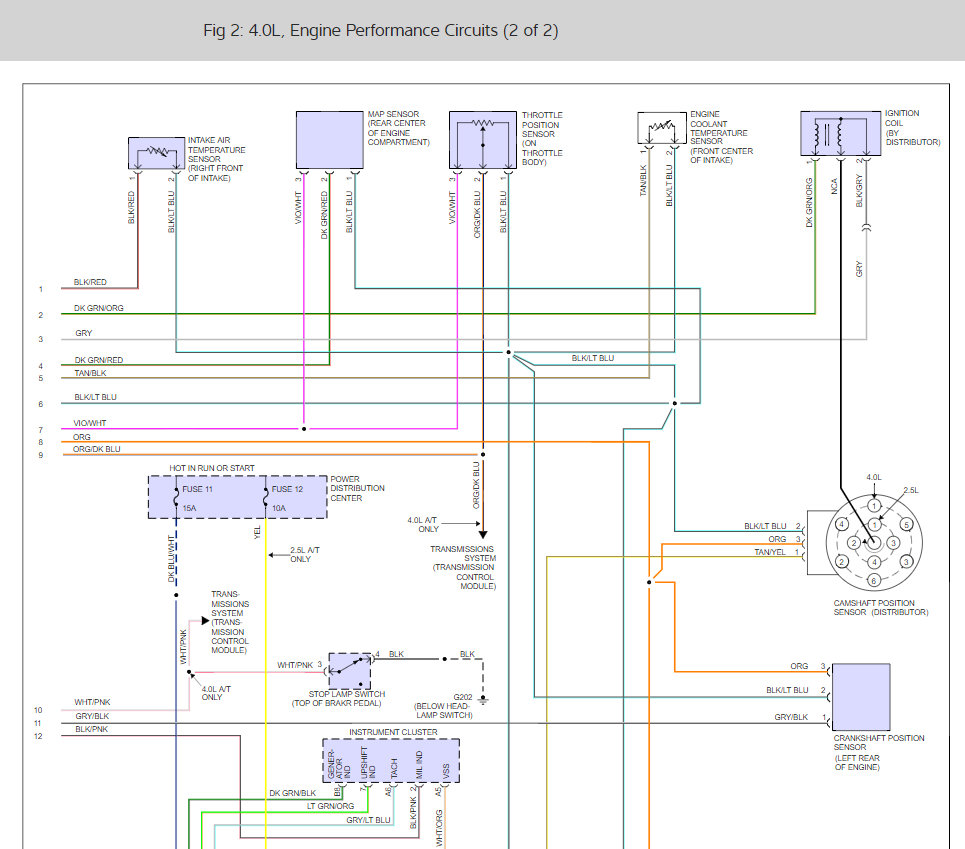
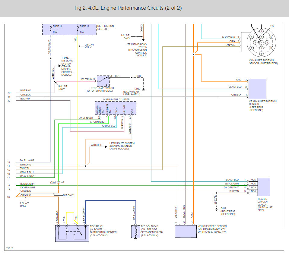
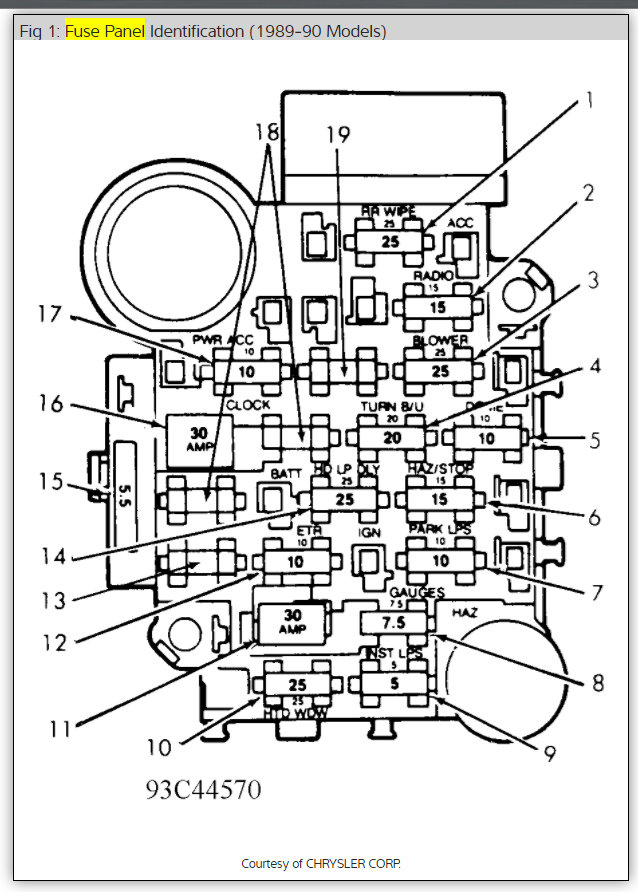
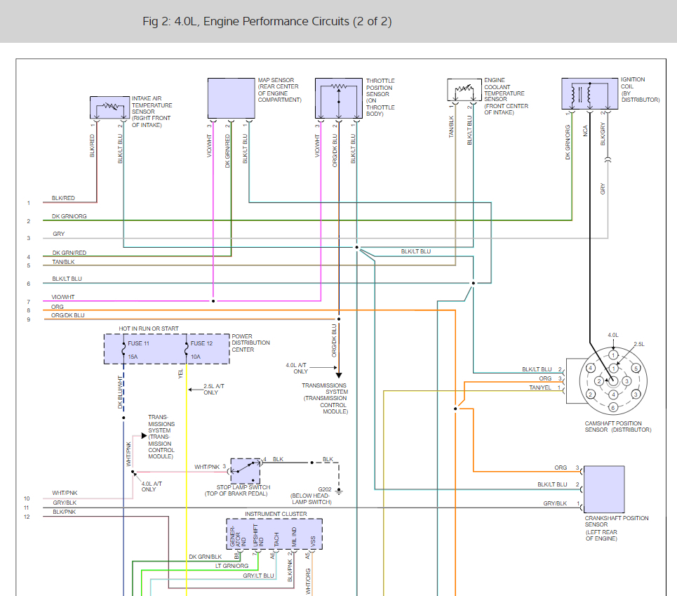
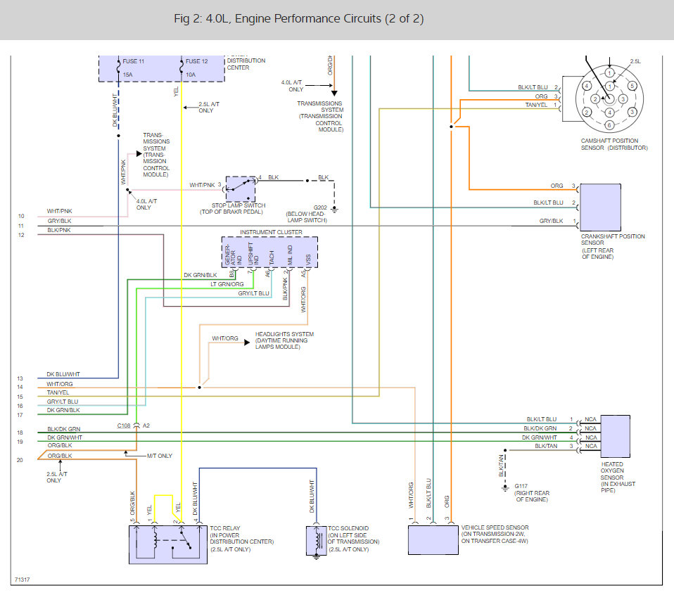
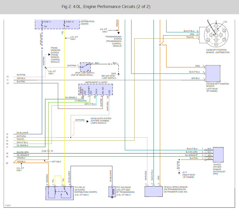
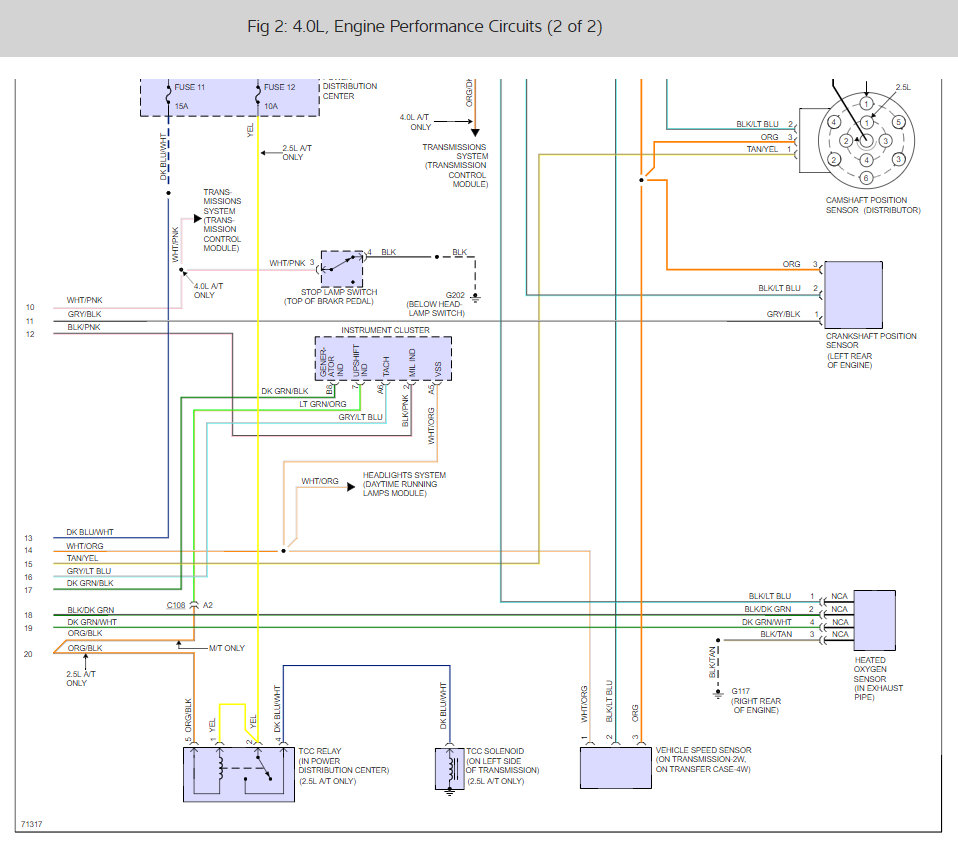
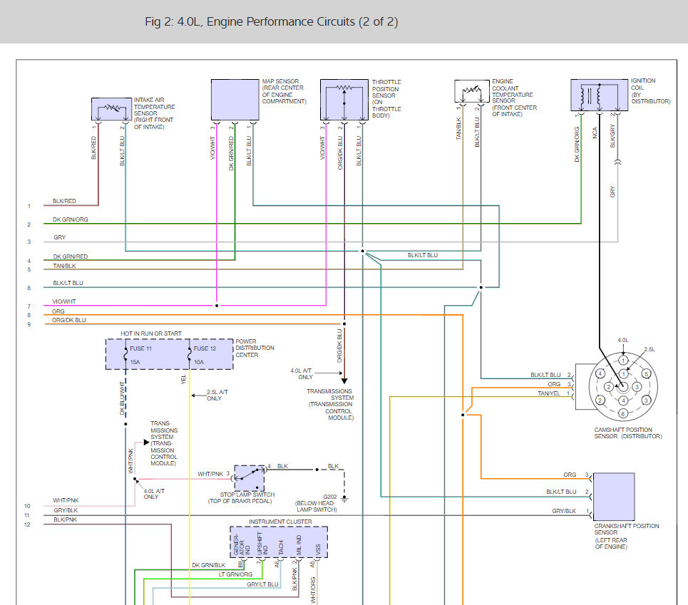
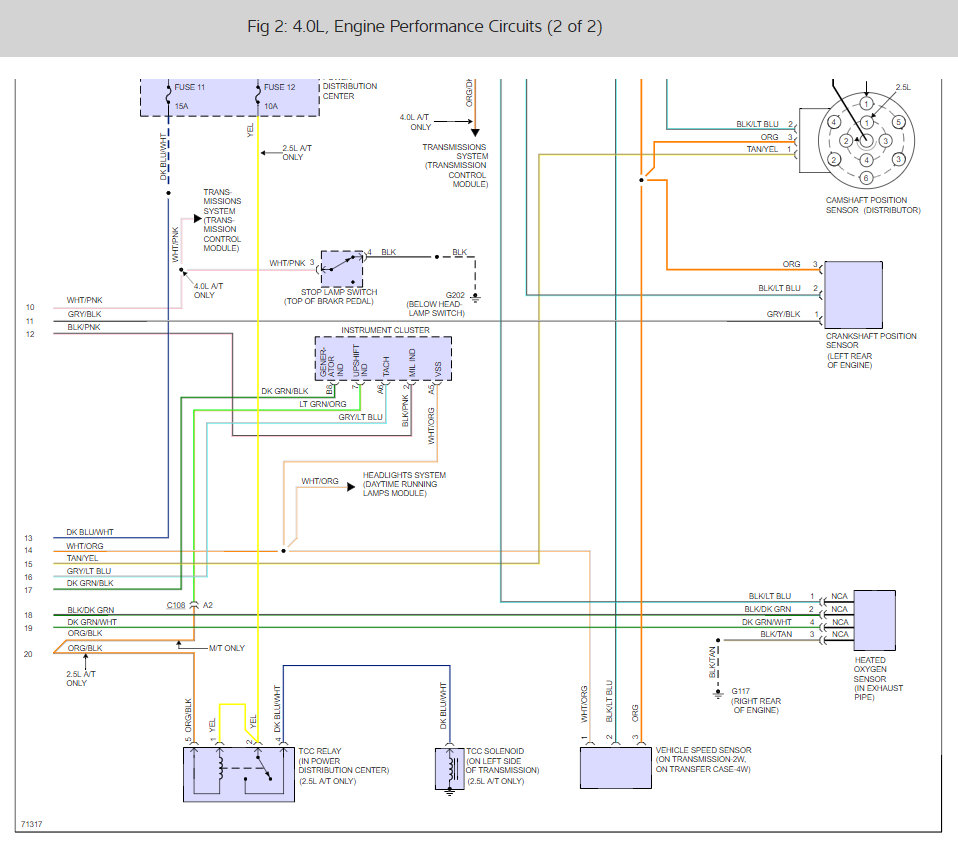
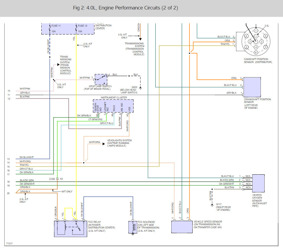
No power to coil/injectors/fuel pump and ASD relay okay points to the computer-see below diagram


https://www.2carpros.com/forum/automotive_pictures/12900_asd_3.jpg




https://www.2carpros.com/forum/automotive_pictures/12900_asd1_2.jpg




https://www.2carpros.com/forum/automotive_pictures/12900_asd2_1.jpg




https://www.2carpros.com/forum/automotive_pictures/12900_asd3_1.jpg




https://www.2carpros.com/forum/automotive_pictures/12900_asd4_1.jpg

Was this
answer
helpful?
Yes
No
+1
Wednesday, September 13th, 2017 AT 10:38 AM (Merged)
Tiny
SHAWNW7
  • MEMBER
  • 2 POSTS
Thanks for your reply. I have not read the fault codes as I am unable to communicate with the ECM, no signal. Okay I checked what you advised and have no voltage while back probing the injectors (green).
Was this
answer
helpful?
Yes
No
+1
Wednesday, September 13th, 2017 AT 10:38 AM (Merged)

Please login or register to post a reply.