Spider fuel injector replacement

Tiny
KRAIGCALKINS
  • MEMBER
  • 1994 GMC SONOMA
  • 4.3L
  • V6
  • 4WD
  • AUTOMATIC
  • 167,567 MILES
I am replacing my fuel injector "Spider" out of my 4.3L vortec v6 Sonoma and can't find any diagrams on routing of the injector lines. I pulled my old injector out thinking that there was a routing diagram with the new injector but there wasn't and I can't find anything on this. Help please.
Thanks
Monday, January 5th, 2015 AT 10:37 AM

6 Replies

Tiny
HMAC300
  • MECHANIC
  • 48,601 POSTS
Hello,

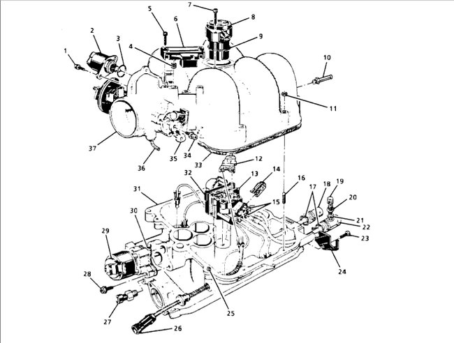
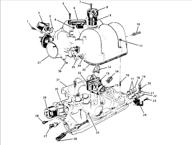
You will need to check out the diagrams below and check out how they go which is just into the port the injector is closest to once installed into the intake manifold.

Check out the diagrams (Below)

Let us know what happens and please upload pictures or videos of the problem.

Cheers
Was this
answer
helpful?
Yes
No
+1
Monday, January 5th, 2015 AT 1:37 PM
Tiny
KRAIGCALKINS
  • MEMBER
  • 3 POSTS
Yes, do the lines just go straight out to each hole, what I mean is like the injector line closest to the firewall on the passenger side goes to the cylinder hole closet to the firewall on the passenger side right, not in the middle cylinder or anything.
Thanks for the help
Was this
answer
helpful?
Yes
No
-1
Monday, January 5th, 2015 AT 2:08 PM
Tiny
HMAC300
  • MECHANIC
  • 48,601 POSTS
Yes the injectors go straight into the closet hole you should be fine. You can take a picture of the job once the injector is in so I can check it for you?
Was this
answer
helpful?
Yes
No
+1
Monday, January 5th, 2015 AT 3:09 PM
Tiny
KRAIGCALKINS
  • MEMBER
  • 3 POSTS
I got it in okay thanks for your help.
Was this
answer
helpful?
Yes
No
+1
Monday, January 5th, 2015 AT 3:59 PM
Tiny
BRADBERRY
  • MEMBER
  • 1 POST
Because other videos say on the passenger side you have to put the middle injector to the # 6 cylinder and the far back injector put in the # 4 cylinder. Can you confirm?
Was this
answer
helpful?
Yes
No
Sunday, January 28th, 2024 AT 12:46 PM
Tiny
KEN L
  • MASTER CERTIFIED MECHANIC
  • 55,383 POSTS
Each injector from the spider goes to their respective cylinders.
Was this
answer
helpful?
Yes
No
Monday, January 29th, 2024 AT 9:35 AM

Please login or register to post a reply.