Talk

Tiny
JDA1981
  • MEMBER
  • 1994 FORD EXPLORER
  • 6 CYL
  • 4WD
  • AUTOMATIC
My light for my 4x4 lights up, and it clicks over but it will not get me out
Thursday, November 25th, 2010 AT 11:07 PM

2 Replies

Tiny
DR LOOT
  • MECHANIC
  • 2,311 POSTS
ELECTRONIC SHIFT CONTROL SYSTEM Electronic Shift Operation
System consists of a push-button control, electronic control module, electric shift motor with integral shift position sensor and a speed sensor.
Transfer case is equipped with a magnetic clutch, located inside case next to the 2WD/4WD shift collar. Clutch is used to spin-up front drive system from zero to vehicle speed in less than a second. This spin-up allows the 2WD to 4WD shift to be made at any speed.
When transfer case rear and front output shafts reach the same rotating speed, spring-loaded shift collar mechanically engages mainshaft hub to chain drive sprocket. Magnetic clutch is then deactivated. Shifts between 4WD high and 4WD low only occur with clutch interlock or transmission safety switch closed. Explorer and Ranger models require vehicle speed to be 3 MPH or less.
When operator selects 4WD or 2WD mode, actual shifting is carried out by electric motor mounted on the transfer case.
Electronic Control Module This module controls operation of transfer case, using inputs from push button controls, speed sensor and shift position sensor.
On Explorer, module is located in driver-side rear compartment trim panel over rear wheel. On Ranger, module is located behind driver's seat. Module is equipped with a self-test capability.
When either of the 2 switches on instrument panel are depressed, electronic control module will analyze information from transfer case shift position sensor to verify its current position. Module also receives data from speed sensor and clutch interlock switch, or neutral safety switch depending on application.
If all conditions are met, electronic control module will signal electric shift motor to shift gear positions. After shift takes place, module will read input from shift position sensor to determine if transfer case is in desired position. Control module will then illuminate push button and dash indicator light.
Electronic Control Module This module controls operation of transfer case, using inputs from push button controls, speed sensor and shift position sensor. On Explorer, module is located in driver-side rear compartment trim panel over rear wheel. On Ranger, module is located behind driver's seat. Module is equipped with a self-test capability.
When either of the 2 switches on instrument panel are depressed, electronic control module will analyze information from transfer case shift position sensor to verify its current position. Module also receives data from speed sensor and clutch interlock switch, or neutral safety switch depending on application.
If all conditions are met, electronic control module will signal electric shift motor to shift gear positions. After shift takes place, module will read input from shift position sensor to determine if transfer case is in desired position. Control module will then illuminate push button and dash indicator light.
Speed Sensor Mounted on the rear of transfer case, speed sensor tells electronic control module correct speed to shift transfer case. Speed sensor picks up rotating speed of output shaft from 2 notches cut in opposite sides of outer ring of clutch housing assembly. See Fig. 1. Shift Position Sensor The shift position sensor tells electronic control module shift position of transfer case. It is an integral part of the electric shift motor. See Fig. 1.
Electric Shift Motor Mounted externally on rear of transfer case, this motor is responsible for shifting between 4WD and 2WD. Motor drives a rotary helical cam which moves the 2WD/4WD shift fork and 4H-4L reduction shift fork to selected drive position.
Clutch Interlock Switch The clutch interlock switch is located on clutch pedal bracket.
On manual transmission vehicles with electronic shift transfer cases, clutch pedal must be fully depressed with vehicle stopped in order to make 4H-to-4L or 4L-to-4H shift change.
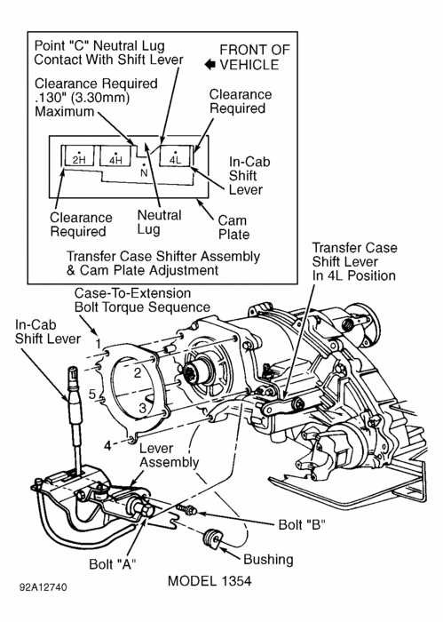
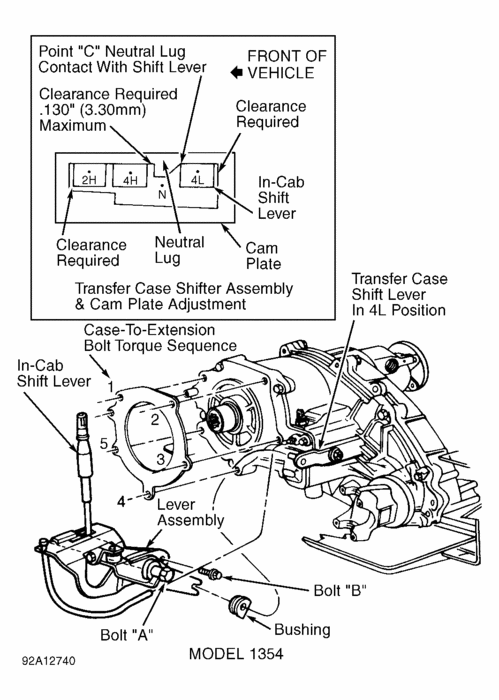
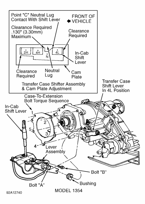
ADJUSTMENTS
Raise shift boot to expose cam plate. Loosen bolts "A" and "B" approximately one turn. Move transfer case shift lever to "4L" position. See Fig. 2.
Move cam plate rearward until bottom chamfered corner of neutral lug just contacts forward right edge of shift lever (point "C"). Hold in this position and tighten bolt "A" to specification. Tighten bolt "B" to specification.
Move transfer case shift lever to all shift positions to check for positive engagement and cam plate clearances. See Fig. 2. Install shift boot.
Fig. 2: Adjusting Transfer Case Shifter Assembly & Cam Plate
Was this
answer
helpful?
Yes
No
+1
Friday, November 26th, 2010 AT 4:59 AM
Tiny
JOHANVDBERG
  • MEMBER
  • 2 POSTS
Good afternoon, I have 2005 Ford Ranger 4.0l v6 4Ã 4 manual (South Africa) and left the ignition key on over night and found that the electronic shift control doesn't work any more. The 4Ã 4 and fwd dash lights flash as soon as I switch the ignition on. An OEM diagnostic didn't read any fault codes.
Was this
answer
helpful?
Yes
No
Friday, March 25th, 2016 AT 2:04 PM

Please login or register to post a reply.