Turn signal wiring diagrams please?

Tiny
SLAPPIMP
  • MEMBER
  • 1993 FORD RANGER
  • 4.0L
  • 6 CYL
  • 2WD
  • AUTOMATIC
  • 200,000 MILES
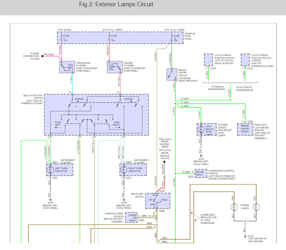
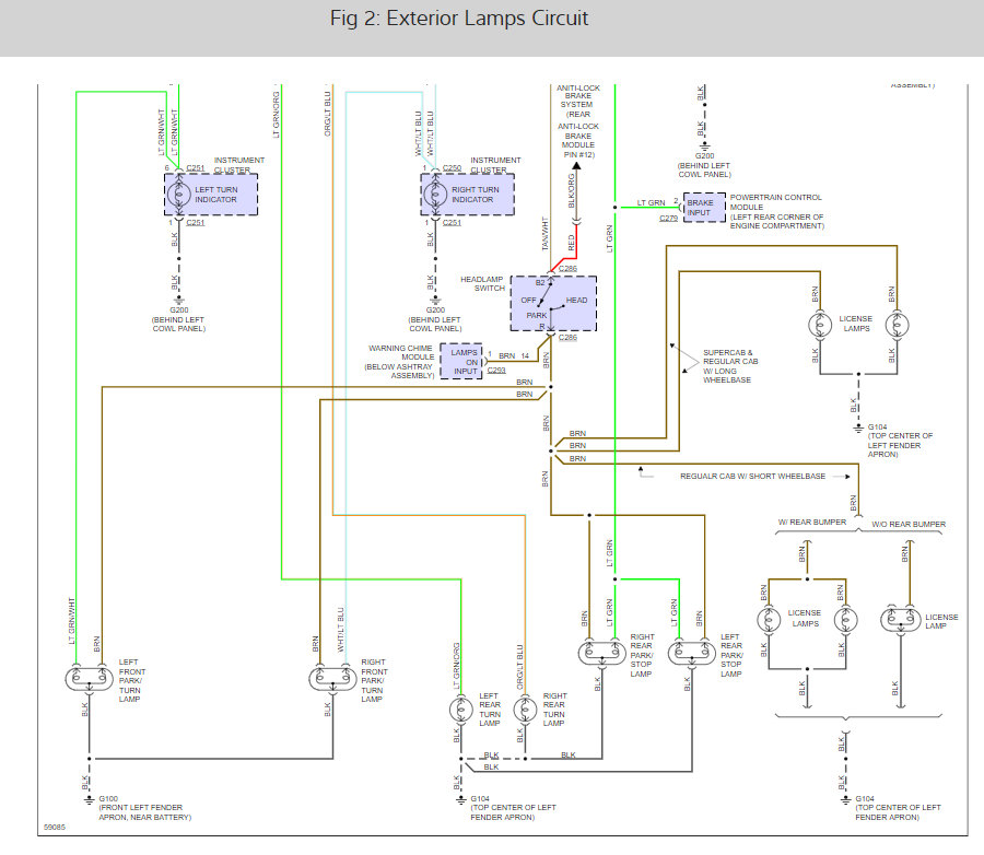
I have the XLT model. My problem is that my turn signals do not turn on. I have checked and replaced the fuses in cab fuse box and in the engine fuse box. I also replaced the flasher fuse, all blinker bulbs front and back and all blinker bulb sockets from dealership. Also replaced the multi blinker switch with new one. All lights work but my turn signals still do not turn on still, even though I replaced everything with new parts
So wondering what could be my problem(s)?
could it be wiring problem?
Wednesday, October 10th, 2018 AT 10:22 AM

1 Reply

Tiny
KEN L
  • MASTER CERTIFIED MECHANIC
  • 55,488 POSTS
Hello,

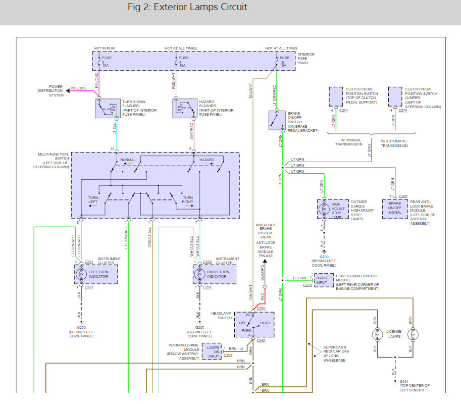
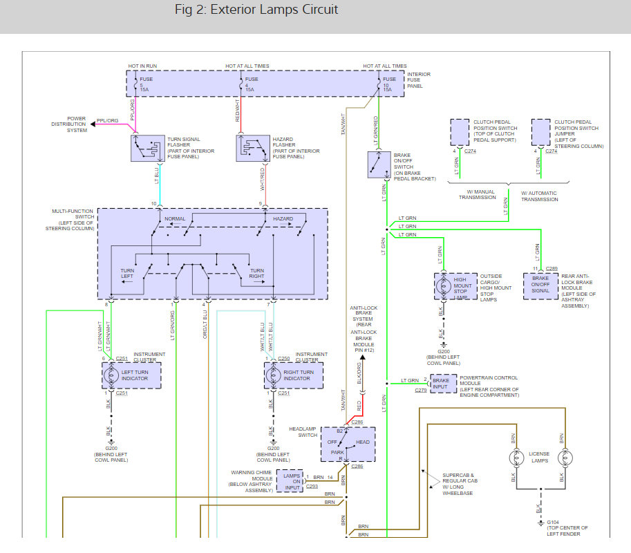
Can you confirm that you have power at fuses #4.#5 and # 10? Here is a guide to help you see how to test for power and the blinker wiring diagrams so you can see how the system works:

https://www.2carpros.com/articles/how-to-use-a-test-light-circuit-tester

Check out the diagrams (below). Please run this test and get back to us.

Cheers, Ken
Was this
answer
helpful?
Yes
No
Wednesday, June 2nd, 2021 AT 1:51 PM

Please login or register to post a reply.