HOME
ASK A QUESTION
REPAIR GUIDES
BECOME A MEMBER
LOG IN
Login with Facebook
OR
Remember me
NOT A MEMBER?
FORGOT PASSWORD?
CONTACT US
PRIVACY POLICY
TERMS AND CONDITIONS
☰
Home
Ford
Ranger
Exterior Light
Turn Signal
Wiring
Turn signal wiring diagrams
WESLEY21
MEMBER
1994 FORD RANGER
I was wondering what would cause my turn signals to not work but my hazards work
Sunday, January 17th, 2010 AT 8:47 AM
1 Reply
MERLIN2021
MECHANIC
17,250 POSTS
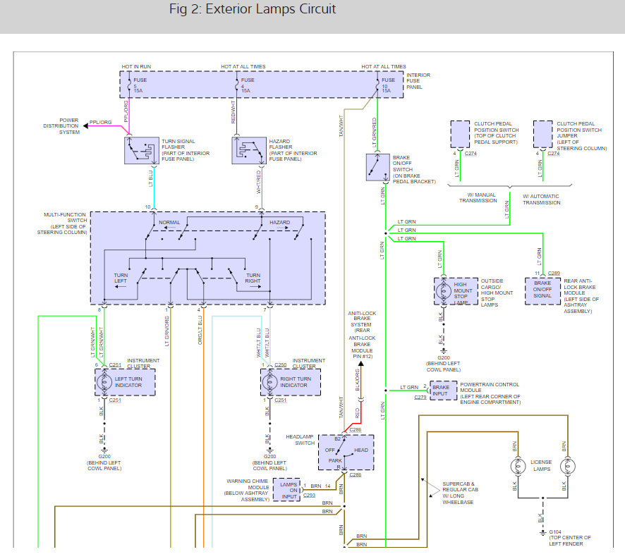
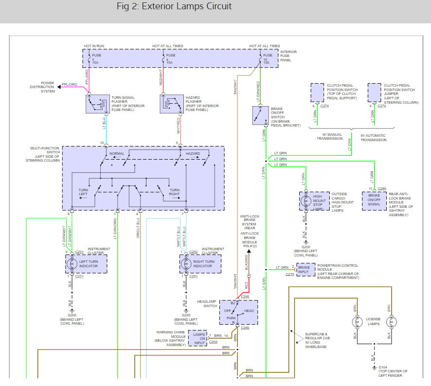
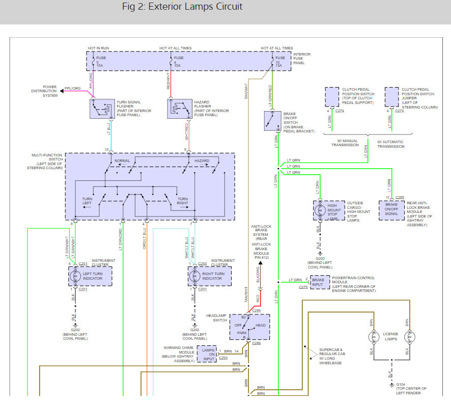
Hello,
It sounds like it might be the hazard switch here is a guide to help you test along with the blinker wiring diagrams so you can see how it works.
https://www.2carpros.com/articles/how-to-use-a-test-light-circuit-tester
See where you are losing power. Check out the diagrams (Below). Please let us know what you find.
Cheers
Images (Click to make bigger)
Was this
answer
helpful?
Yes
No
+5
Wednesday, June 2nd, 2021 AT 1:51 PM
Please
login
or
register
to post a reply.
Related Turn Signal Wiring Content
Turn Signal Wiring Diagram
Where Exactly Is The Turn Signal Flasher Located? I've Heard It's Under The Steering Column, I've Looked, But Don't See It...
Asked by
roadbum
·
1 ANSWER
4 IMAGES
1997
FORD RANGER
Brake Lights & Turn Signals Stopped Working
My Brake Lights & Turn Signals Stopped Working. All Fuses Have Tested Good. Any Other Options?
Asked by
roger2923
·
2 ANSWERS
1994
FORD RANGER
Blinker (turn Signal) Bulb Light Replacement...
I Need To Replace The Drivers Front Side Marker Light Bulb, How To You Do This?
Asked by
reidbuild
·
8 ANSWERS
2 IMAGES
2004
FORD RANGER
Where Is The Turn Signal Flasher?
Can You Tell Me Where The Flasher Unit Is Located?
Asked by
BEEZER02
·
9 ANSWERS
13 IMAGES
2005
FORD RANGER
Turn Signals Blinking Very Fast?
The Other Day When I Applied The Left Blinker It Was Blinking Very Fast. It Did It The Whole Trip 200 Miles. But Then The Next Day It Was...
Asked by
ray445
·
4 ANSWERS
2003
FORD RANGER
VIEW MORE
Ask a Car Question. It's Free!
How to Use a Test Light
Turn Signals Blink Fast
Have a Dim Headlight? - Try Replacing This!