Friday, March 30th, 2012 AT 11:25 PM
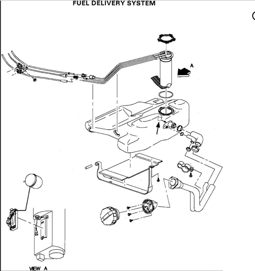
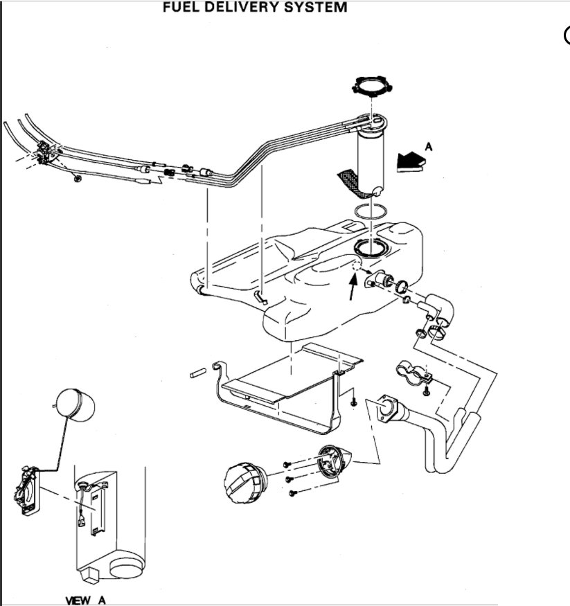
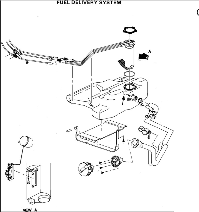
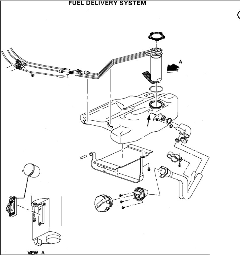
My car will just stop randomly. A friend of mine said its either the fuel pump or the fuel pump relay but before we try the fuel pump he wants to try the relay first but in the manual it doesnt show where the relay is located and its not marked. Can you please help me out? Thanks








