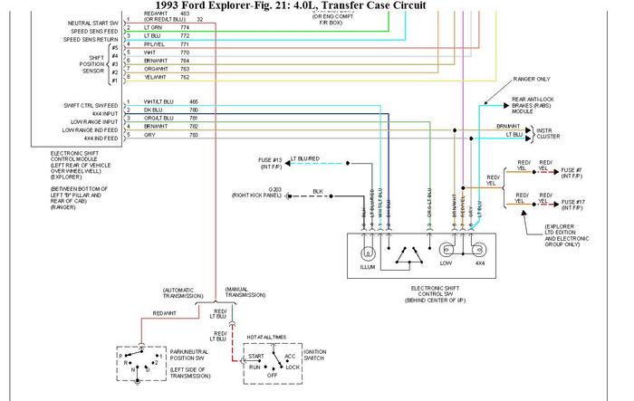
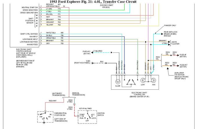
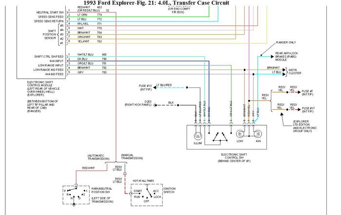
I pushed the white reset button on the electrical box while the car was on and a red light next to the white button illuminated for a minute or so then extinguished. Is this a rest button? I have an extra electrical box that I pulled off a junker. Could it be the switch on the dash? How could I check to see if it is the switch on the dash. Could it be the four wheel drive transfer case motor? I think if it were the case motor, the light on the dash would still go on, meaning the case motor is not the issue.
Thanks! Richard Sherlock
I love this site!
Tuesday, December 6th, 2011 AT 7:00 PM







