Heater wiring

Tiny
MIKEYOUNG32055
  • MEMBER
  • 1992 CHEVROLET TRUCK
  • 200,000 MILES
Does anyone have the wiring diagram for the ac/heater?
Tuesday, June 26th, 2012 AT 12:40 AM

3 Replies

Tiny
RASMATAZ
  • MECHANIC
  • 75,992 POSTS
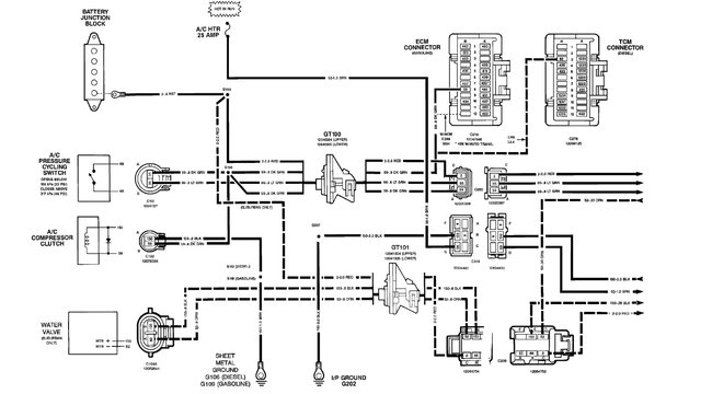
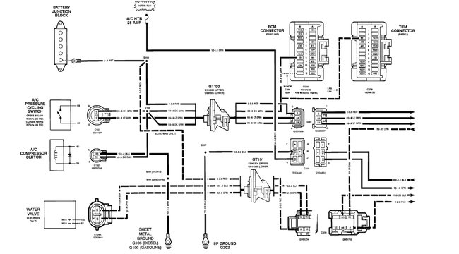
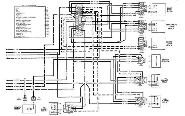
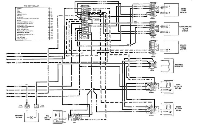
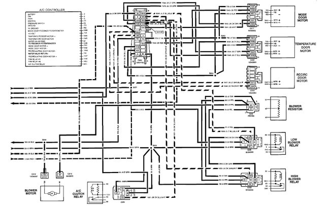
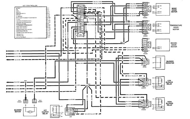
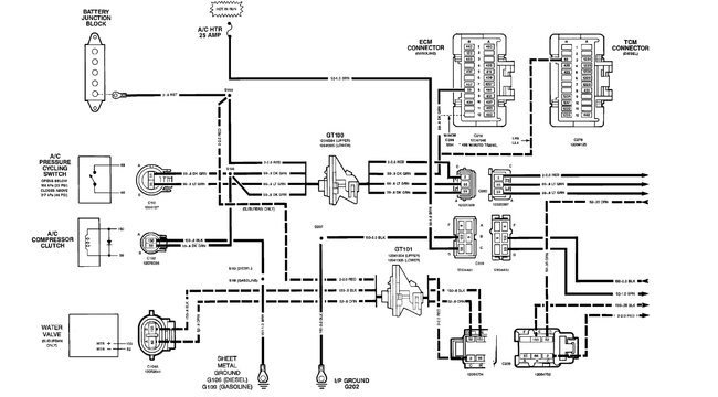
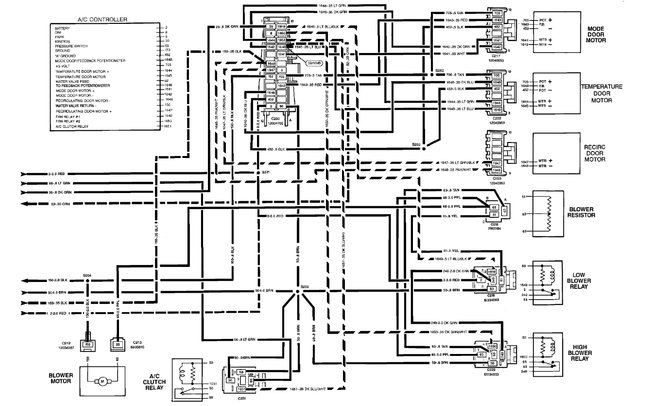
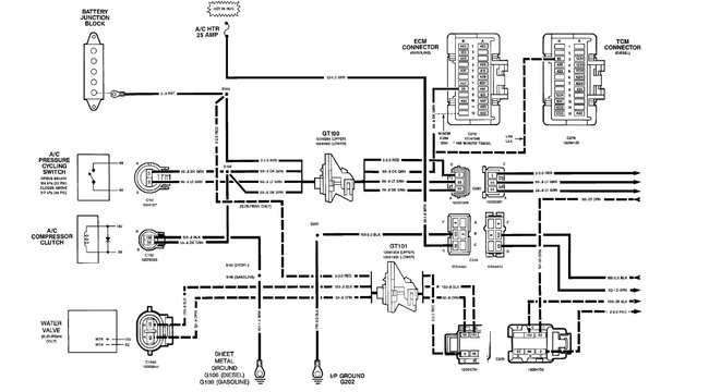
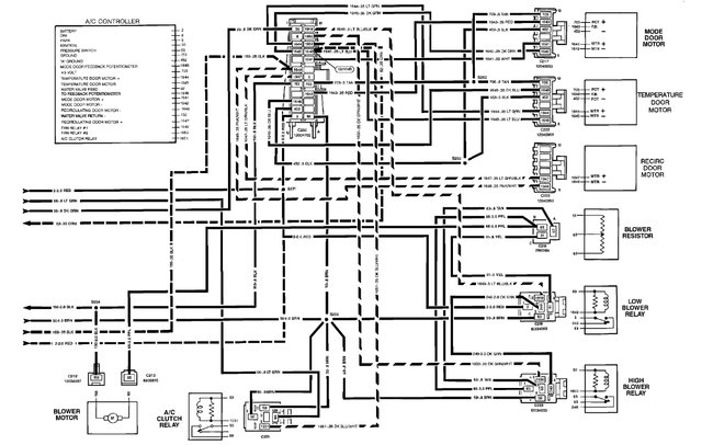
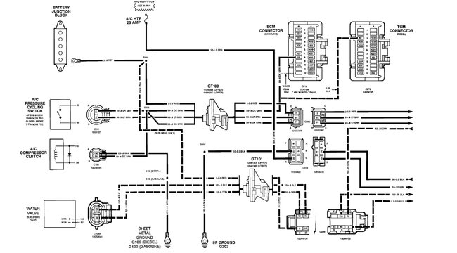
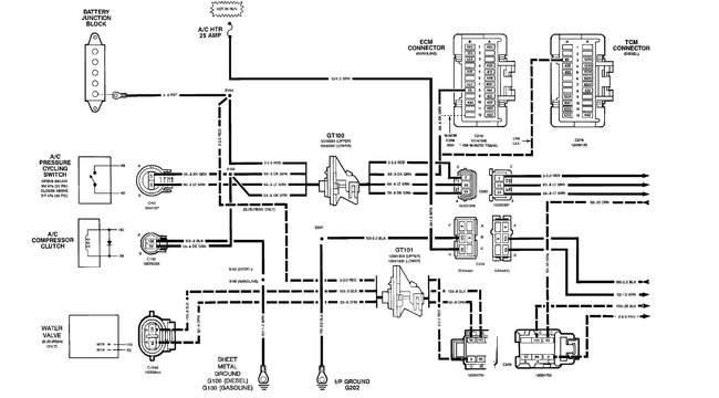
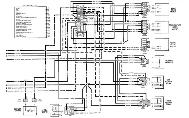
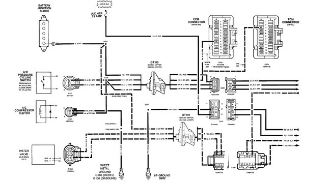
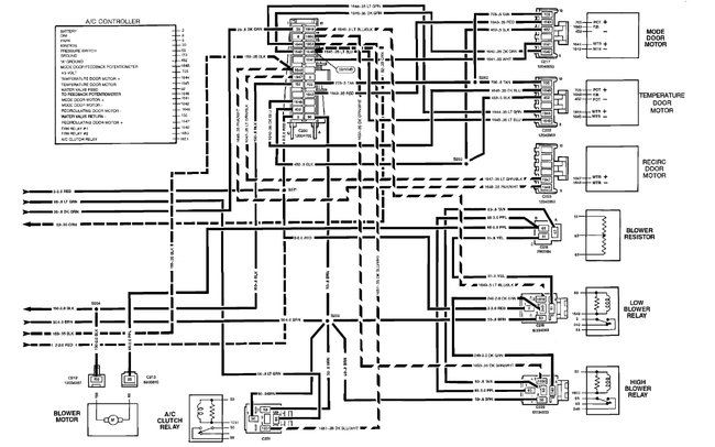
Here are the air conditioner and heater wiring diagrams click to enlarge the images below and a guide to help you test the connections

https://www.2carpros.com/articles/how-to-check-wiring

Check out the diagrams (Below). Please let us know if you need anything else to get the problem fixed.
Was this
answer
helpful?
Yes
No
+2
Tuesday, June 26th, 2012 AT 1:08 AM
Tiny
N.COLEMAN
  • MEMBER
  • 1 POST
  • 1991 CHEVROLET TRUCK
Heater problem
1991 Chevy Truck V8 Four Wheel Drive Manual

we cant get the heater/ac head unit to power up even though there is power there on several wires. We have replaced the wiring harness, computer, selenoids, blower motor, head unit. Pretty much everything in the cab that relates to the heater
Was this
answer
helpful?
Yes
No
+6
Tuesday, April 30th, 2019 AT 3:57 PM (Merged)
Tiny
JACOBANDNICKOLAS
  • MECHANIC
  • 110,194 POSTS
Is the problem that you are not getting heat or the blower motor doesn't work?
Was this
answer
helpful?
Yes
No
+1
Tuesday, April 30th, 2019 AT 3:57 PM (Merged)

Please login or register to post a reply.