Saturday, April 16th, 2011 AT 7:11 PM
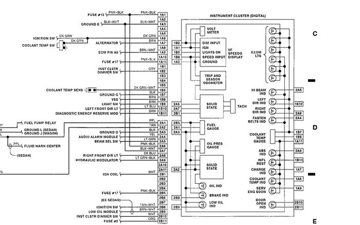
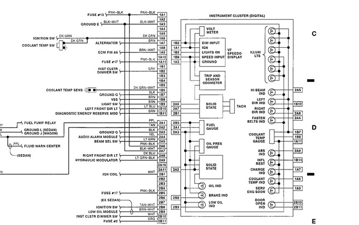
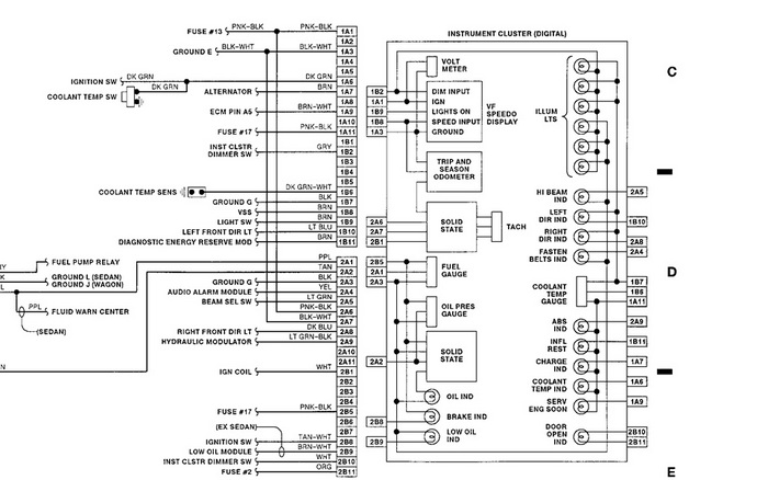
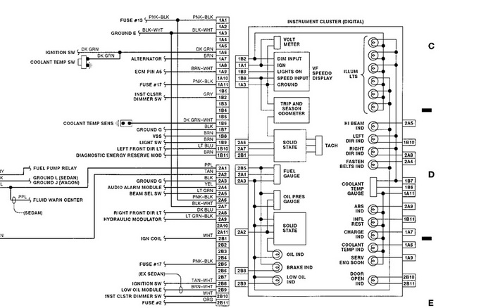
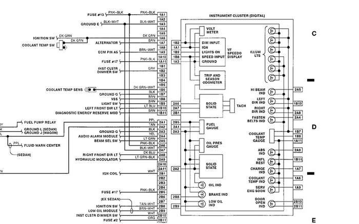
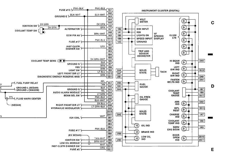
1992 Chevrolet Caprice Classic LTZ Tachometer swings all the way round and does not register. Is there a fix Ron Perry ronald. Perry@sbcglobal. Net



