1992 Buick Roadmaster wont start

Tiny
SUPPUSH
  • MEMBER
  • 1992 BUICK ROADMASTER
  • 5.0L
  • V8
  • RWD
  • AUTOMATIC
  • 120,000 MILES
Ok so my 92 Buick roadmaster wouldn't start today, I removed the serpentine belt, jumpered it to my work truck, and it started up. Shut it off, put the belt back on and the altinator wasn't spinning the belt was smoking on it, so I replaced the altinator. While putting the new altinator back on the wire from the altinator to the battery sparked to ground. When I got it all back together and tried to start it the starter motor clicks but doesn't crank the engine. My dad thinks the starter may have gone bad, I'm not too sure, I think that I blew something electrically any suggestions?

Thanks in advance

Martin
Saturday, February 15th, 2014 AT 2:48 PM

12 Replies

Tiny
OBXAUTOMEDIC
  • MECHANIC
  • 3,711 POSTS
Hello,

Ok, did you try jump starting it? It is possible that depending on the age of the battery it may have shorted it. I haven't come across an incident were it shorted the starter.

Also check your fuses.
Was this
answer
helpful?
Yes
No
-1
Saturday, February 15th, 2014 AT 3:31 PM
Tiny
SUPPUSH
  • MEMBER
  • 17 POSTS
Hey thanks for answering, ok yes the whole time I tried to start it it was jumper cabled to my truck battery to battery, when I turn the key the actuator(maybee im calling it the right name, it sits on the starter motor) clicks 1 time, but the starter dosent even attempt turn the engine, as far as fuses go all the fuses in the cab are good, I cant find an engine fuse block but im fairly certain there is one any idea where it would be located?

Thanks again

Martin
Was this
answer
helpful?
Yes
No
Saturday, February 15th, 2014 AT 3:51 PM
Tiny
OBXAUTOMEDIC
  • MECHANIC
  • 3,711 POSTS
Ok, No there's no engine compartment fuse block. And it's called a starter solenoid.

Now, question I know a lot of people purchase the cheap jumper cables, you know the $5 - $10 ones, I know that they don't do the job if the battery is totally dead or is shorted. So, with that said and no disrespect (I did same thing years ago before learned the myself) is the cables your using a cheaper pare? If so then I would take the battery out and take it to an auto parts store and have them test it. Doing the battery first is easier that removing the Starter to take it to have it tested. If battery checks out reinstall and try tapping lightly on the starter. If still does same thing then would remove it and have it tested.

Mark
Was this
answer
helpful?
Yes
No
+1
Saturday, February 15th, 2014 AT 7:42 PM
Tiny
SUPPUSH
  • MEMBER
  • 17 POSTS
Ok so after having it towed and repaired by a local mechanic it turns out it was the ignition coil that was the problem. At least the starting problem. He showed me a leak on my throttle body gasket, so I changed the gasket. Im still having an issue with rough idle and when I put it into gear it stalls. I can "double foot" it to get it about town but something's definitely wrong. I changed the o2 sensor because I was seeing gm error code 44 off the computer that error code has gone away for now atleast but the stalling hasn't cold I can drop it into gear and off I go. Once it warms up if I break at a light, it stalls, shift from park to reverse with my foot on the break, it stalls I havnt been able to take it out for a 2 footed drive to see if I get the error 44 back in the computer its also idleing at around 550-600 in neutral and park, but in gear its down at like 400 or so before it dies any ideas?

Thanks again

Martin
Was this
answer
helpful?
Yes
No
+1
Friday, March 7th, 2014 AT 4:49 PM
Tiny
OBXAUTOMEDIC
  • MECHANIC
  • 3,711 POSTS
Ok, now sounds like you may have vacuum leak and a pretty good one. Do you hear a hissing type sound in the engine?
Was this
answer
helpful?
Yes
No
+1
Friday, March 7th, 2014 AT 6:17 PM
Tiny
OBXAUTOMEDIC
  • MECHANIC
  • 3,711 POSTS
Also see if you can pull codes.

Turn ignition on. DO NOT start engine. SERVICE ENGINE SOON light should glow. Locate Assembly Line Data Link (ALDL) connector attached to control module wiring harness. Most ALDL connectors are located under dash on driver's side of vehicle. Turn ignition on with engine not running. Insert jumper wire from terminal "B" (diagnostic test terminal) to terminal "A" (ground) of ALDL connector.

NOTE: Inserting jumper wire into test and ground terminals of ALDL connector with engine running will cause fuel injected vehicles to enter field service mode. Flashes of the SERVICE ENGINE SOON light will not indicate codes if this is done. See FIELD SERVICE MODE in article in this section.

SERVICE ENGINE SOON light should begin to flash codes. Each code will be repeated 3 times. If codes are not flashed or SERVICE ENGINE SOON light does not illuminate, perform DIAGNOSTIC CIRCUIT CHECK in article in this section. To exit diagnostic mode, turn ignition off and remove jumper wire from ALDL connector.

The ALDL is on the drivers side under right side of dash

Reading Code -

For example, FLASH, FLASH, pause, FLASH, longer pause, identifies Code 21. The first series of flashes are the first digit of trouble code. The second series of flashes are the second digit of trouble code. Trouble codes are displayed starting with the lowest numbered code. Each code is displayed 3 times. Codes will continue to repeat as long as ALDL test terminal is grounded.

Post codes.
Was this
answer
helpful?
Yes
No
+1
Friday, March 7th, 2014 AT 6:30 PM
Tiny
SUPPUSH
  • MEMBER
  • 17 POSTS
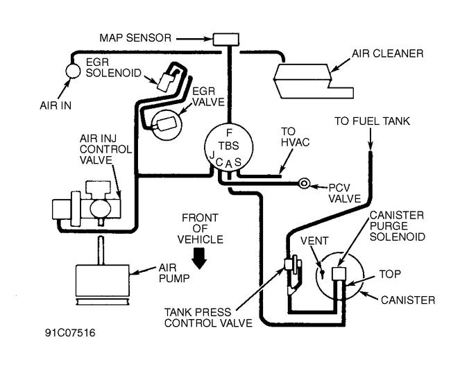
Before I changed the o2 sensor I was getting a 44 code, now its all 12's but I havnt been able to take it around the block since I did the o2 sensor had to watch the kids. But I had it stall out with break and drive, did not generate a code. Also no I don't hear a vacuum leak in the engine compartment there is a large silver hose not connected near the intake its broken and too short to connect at this point. The mechanic mentioned it and said it shouldn't be a problem and im fairly certain its been like that for years
Was this
answer
helpful?
Yes
No
+1
Friday, March 7th, 2014 AT 7:47 PM
Tiny
SUPPUSH
  • MEMBER
  • 17 POSTS
Oh yea and real quick while I think of it sometimes when I put it into gear while its about to stall all the power locks on the doors lock and keep locking rapidly almost like someone is holding down the lock doors button
Was this
answer
helpful?
Yes
No
+1
Friday, March 7th, 2014 AT 7:58 PM
Tiny
OBXAUTOMEDIC
  • MECHANIC
  • 3,711 POSTS
Ok, does the metal pipe look like it part of the EGR? If so that is most likely what is was causing the lean code 44, and the o2 sensor may not have been bad.

Now have you taken the IAC (Idle Air Control) Valve off and cleaned it. They tend to carbon up and keep it from working properly. It should be located near the throttle body.

As far as the door locks sounds like a relay going bad.
Was this
answer
helpful?
Yes
No
Saturday, March 8th, 2014 AT 5:18 AM
Tiny
SUPPUSH
  • MEMBER
  • 17 POSTS
Ok so I just heard back from my mechanic, hes been trouble shooting the car for about 2 weeks now, he seems to think its the torque converter or the torque converter solenoid, however he dosent do transmission work and isnt sure who would still work on something that old is that something I can handle myself? Im guessing not as the mechanic wont touch it. Does that seem reasonable as an explanation of stalling when warm, and in gear with foot on break?

Thanks again,
Martin
Was this
answer
helpful?
Yes
No
+1
Saturday, March 22nd, 2014 AT 9:56 AM
Tiny
OBXAUTOMEDIC
  • MECHANIC
  • 3,711 POSTS
Ok, here is info on the TCC (Torque Converter Clutch) Solenoid. Have you checked to see if there is an AAMCO in your area, they do transmission work.

The Torque Converter Clutch (TCC) assembly consists of a 3-element torque converter with the addition of a converter clutch. The converter clutch is an internal mechanism with friction material attached to front face. It is splined to the turbine assembly in converter.

The purpose of the torque converter clutch feature is to eliminate power loss due to slippage when vehicle is cruising. This allows the convenience of an automatic transmission and the fuel economy of a manual transmission.

When the TCC solenoid ground circuit is completed by the Electronic Control Module (ECM), the torque converter clutch is applied, resulting in a direct mechanical coupling between engine and transmission. When TCC solenoid is deactivated, the torque converter clutch is released, allowing torque converter to operate in a conventional manner.

TCC CONTROL COMPONENTS

The following components are used in TCC system. Not all components will be present on all vehicles.

Brake Switch

Power from ignition switch passes through brake switch to TCC solenoid. When brake pedal is depressed with TCC engaged, power to TCC solenoid is interrupted, releasing converter clutch and preventing engine from stalling.

Fig 1: Torque Converter Assembly with TCC G92A13680 Courtesy of GENERAL MOTORS CORP.

Coolant Temperature Sensor

This sensor provides ECM with engine coolant temperature information. ECM will not allow TCC operation until signal from this sensor indicates coolant temperature greater than 130-150°F (55-65°C).

Electronic Control Module (ECM)

To determine application of torque converter clutch, ECM receives and processes information from various input devices. These devices may include the vehicle speed sensor, coolant temperature sensor, throttle position sensor, 3rd and 4th gear switches and brake switch. The ECM controls application of torque converter clutch by providing a ground circuit for the TCC solenoid circuit.

TCC Solenoid Assembly

Solenoid is energized by ECM to redirect transmission fluid to the converter clutch apply valve in the auxiliary control valve assembly.

Throttle Position Sensor (TPS)

Provides ECM with throttle position information. TCC operation is prevented when throttle position signal is less than a specified value.

Vacuum Sensor

Sends engine vacuum (load) information to ECM.

Vehicle Speed Sensor (VSS)

This sensor sends vehicle speed information to ECM. Vehicle speed must be greater than a certain value before TCC can be applied. Two types of speed sensor are used. A light emitting diode type is used in the instrument cluster on some models. Other models use a Permanent Magnet (PM) generator mounted in the transmission.

3rd & 4th Gear Switches

When open, 3rd and 4th gear switches prevent TCC operation. Switch status may be monitored by ECM, or switch may be an integral portion (series circuit) of TCC solenoid power supply.
Was this
answer
helpful?
Yes
No
+1
Sunday, March 23rd, 2014 AT 6:38 AM
Tiny
OBXAUTOMEDIC
  • MECHANIC
  • 3,711 POSTS
Oh, and since it is located inside the transmission and there are some delicate parts would not recommend attempting repair unless have good knowledge of haw tranny works. And in a lot of cases the tranny has to come out.
Was this
answer
helpful?
Yes
No
Sunday, March 23rd, 2014 AT 6:49 AM

Please login or register to post a reply.