1991 Plymouth Acclaim power

Tiny
MADMAN666
  • MEMBER
  • 1991 PLYMOUTH ACCLAIM
  • 2.2L
  • 2WD
  • AUTOMATIC
Im having a problem I had my alternator rebuilt and got a new battery but the battery is not getting recharged my the alternator
Monday, November 3rd, 2014 AT 8:35 PM

7 Replies

Tiny
CARADIODOC
  • MECHANIC
  • 34,485 POSTS
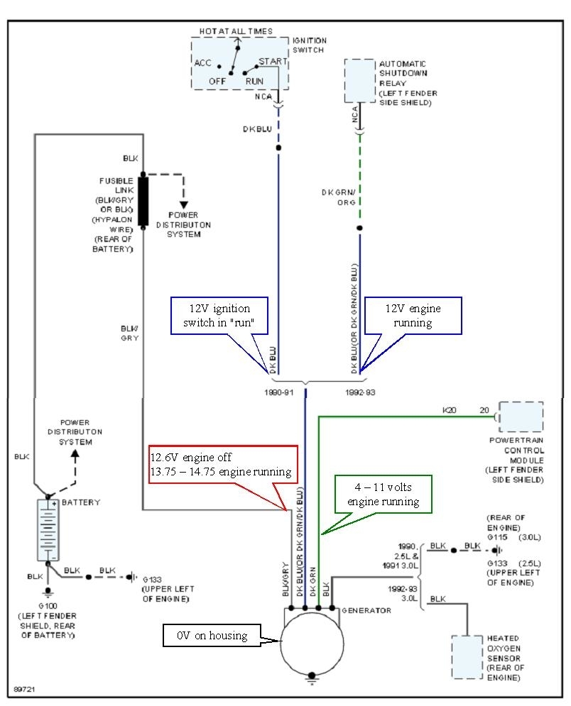
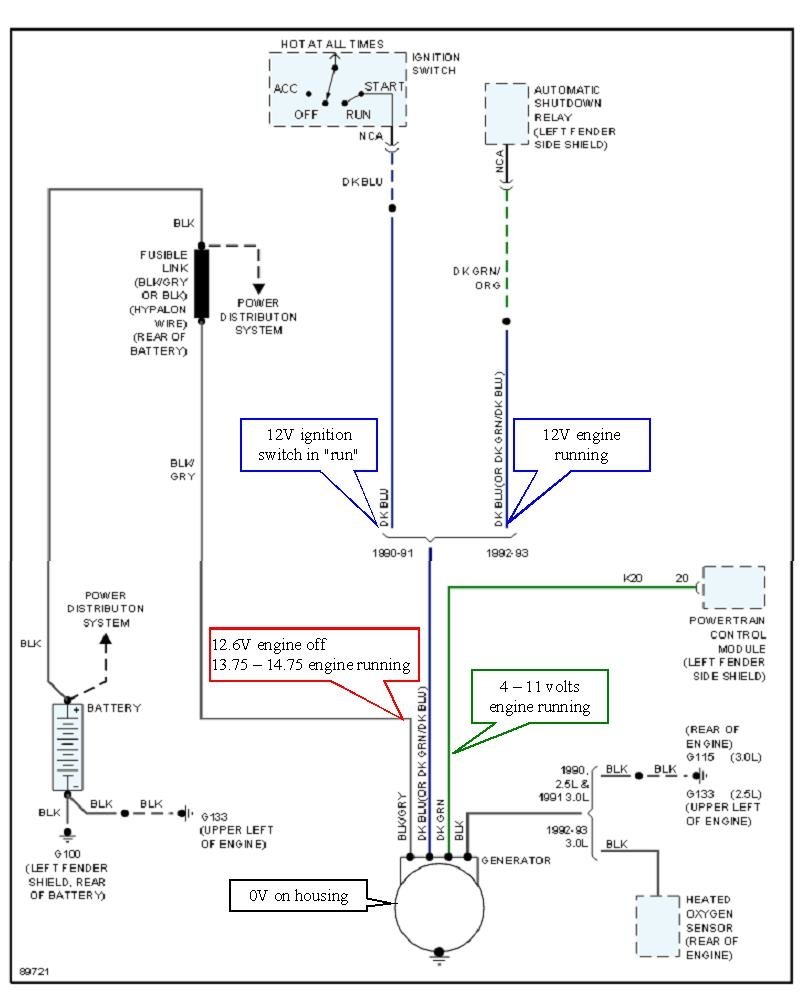
The first thing to do is connect a test light to the battery negative post, then, with the engine running, touch the probe to the metal housing of the alternator. If the test light lights up, repair the corroded ground cable between the alternator and engine block. The alternator is mounted on rubber bushings on that engine to reduce vibration. Those bushings insulate it so it needs that extra ground strap.

If the light doesn't light up, measure the voltages on the two smaller terminals on the back of the alternator. This has to be done with the engine running. One will have full battery voltage, (around 12 volts). The other one must have less, but not 0 volts. Typically you'll find between 4 - 11 volts. That voltage will tell us where to go next.
Was this
answer
helpful?
Yes
No
Monday, November 3rd, 2014 AT 9:41 PM
Tiny
MADMAN666
  • MEMBER
  • 3 POSTS
Where is the voltage regulator on a 91 Plymouth acclaim
Was this
answer
helpful?
Yes
No
+1
Tuesday, November 4th, 2014 AT 1:13 AM
Tiny
CARADIODOC
  • MECHANIC
  • 34,485 POSTS
It's built into the Engine Computer by the battery and has an extremely low failure rate. If the circuit between that pin and the alternator is open, as in a corroded connector terminal, you'll get a diagnostic fault code "Field not switching properly".
Was this
answer
helpful?
Yes
No
Tuesday, November 4th, 2014 AT 2:08 AM
Tiny
MADMAN666
  • MEMBER
  • 3 POSTS
My car is old I have a small box not a really computer
Was this
answer
helpful?
Yes
No
Tuesday, November 4th, 2014 AT 7:40 AM
Tiny
CARADIODOC
  • MECHANIC
  • 34,485 POSTS
I drive an '88 Grand Caravan and let my newer stuff sit. Your Engine Computer sits right next to your battery, just like on my van.

Did you do any of the tests I listed? This is a really easy system to diagnose and repair. Three voltage tests will tell you everything you need to know about where to look for the cause of the problem.
Was this
answer
helpful?
Yes
No
Wednesday, November 5th, 2014 AT 3:16 AM
Tiny
THEMTNMAN369
  • MEMBER
  • 1 POST
My issue is similar. My alternator was putting out 12 volts. I was told it was the PCM voltage regulator, so I bought one. Same thing. It will run at 13.75-14.25 for a few miles, then drop to 12. So then I was told alternator. Replaced the alternator. Fine for a few days, then back to 12. With no load and gassing it, it'll get around 13, but under a load, right back to 12. Now I'm told I got a bad alternator and so I ordered another, but I'm skeptical. I was told there was also an external voltage regulator, but if so, I can't find it. 91 Acclaim w/ a 2.5. Thoughts?
Was this
answer
helpful?
Yes
No
Tuesday, January 4th, 2022 AT 7:23 PM
Tiny
CARADIODOC
  • MECHANIC
  • 34,485 POSTS
The voltage regulator is built into the Engine Computer and is not serviceable separately.

Did you do the tests I listed? If not, this diagram shows the four test points. The first two are the two small terminals bolted to the rear of the housing. You may not be able to tell them apart because they go through a black plastic block.

For a '91 model, one must have full battery voltage when the ignition switch is on. The other will typically have 4 to 11 volts when the engine is running.

The fat bolted-on output wire must have full battery voltage all the time.

This is one rare time when there can be a ground problem. This alternator is mounted on rubber bushings to isolate it from engine vibration. There's a fat ground wire or a braided ground strap that often gets overlooked when working with the front engine mount's bolt. The strap has also been known to corrode apart.

To test for a good ground, your voltmeter's ground probe or your test light's ground wire must be attached to the battery's negative cable or to any paint-free point on the engine or body other than the alternator's housing. Touch the positive post to the housing. If you find any voltage other than "0", repair that ground cable.

These tests must be done with the engine running and while the problem is occurring. Let me know what you find.

https://www.2carpros.com/articles/how-to-use-a-test-light-circuit-tester

https://www.2carpros.com/articles/how-to-use-a-voltmeter
Was this
answer
helpful?
Yes
No
Wednesday, January 5th, 2022 AT 1:36 PM

Please login or register to post a reply.