Saturday, April 28th, 2012 AT 6:14 PM
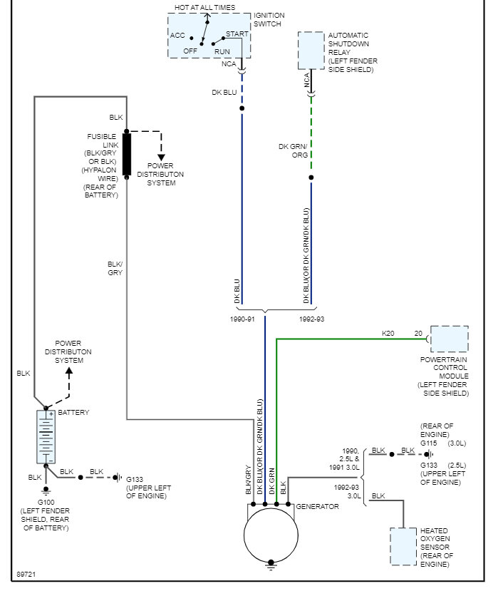
The alternator and battery test good, but the battery receives NO charge from the alternator. I replaced the ECM with a salvaged one, the results were the same so I switched the old one back.I've identified a short circuit in fuse 2. All of the wires under the dash and in the engine compartment look good, grounds and connections appear tight with little corrosion. I've been doing continuity tests with a haines manual, everything looks good so far. Any suggestions, or do you know where I can find a more detailed wiring diagram?



