HOME
ASK A QUESTION
REPAIR GUIDES
BECOME A MEMBER
LOG IN
Login with Facebook
OR
Remember me
NOT A MEMBER?
FORGOT PASSWORD?
CONTACT US
PRIVACY POLICY
TERMS AND CONDITIONS
☰
Home
Chevrolet
Van
Climate Control
Heater
Heater Core
Wiring for 89 Chevy van heater
STEVEAPPLE
MEMBER
1989 CHEVROLET VAN
V8
2WD
AUTOMATIC
89,000 MILES
1989 chevy van heater, I replaced the heater core, but does not heat up. Possibly wiring to selanoid wiring is on wrong post?
which color wire goes to which post please?
Saturday, January 8th, 2011 AT 3:14 AM
2 Replies
FORD MAN
MEMBER
115 POSTS
Sounds like you have an air bubble stuck in your heater core. Most auto wire plugs connect only 1 way, & are difficult to attach wrong.
Ford Man in Michigan
Was this
answer
helpful?
Yes
No
Saturday, January 8th, 2011 AT 4:04 AM
JACOBANDNICKOLAS
MECHANIC
110,182 POSTS
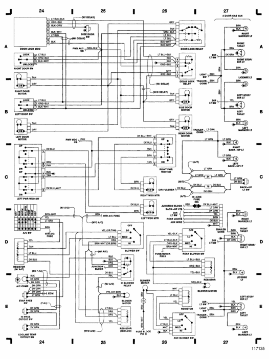
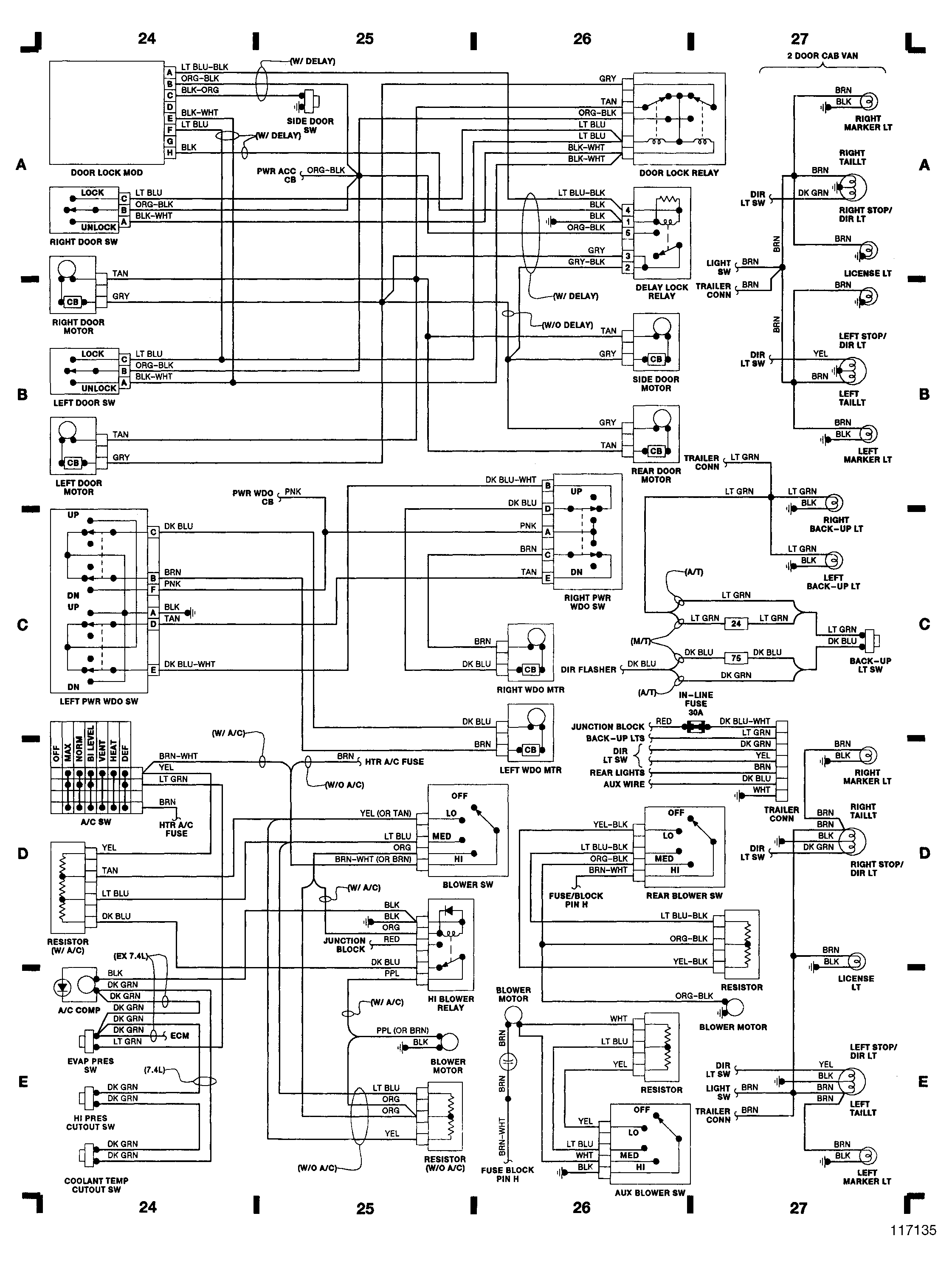
Here is the schematic.
Image (Click to make bigger)
Was this
answer
helpful?
Yes
No
+1
Wednesday, January 12th, 2011 AT 10:11 PM
Please
login
or
register
to post a reply.
Related Heater Heater Core Content
1993 Chevy Van Replacing Heater Core
I Know A Lady Whose Van Needs A Heater Core Replacement. She Has A Very Low Income (can't Afford A Mechanic) And Needs Someone To Change...
Asked by
captain110
·
1 ANSWER
1993
CHEVROLET VAN
GUIDE
Heater Core Replacement
A heater core is positioned inside the car and is part of the HVAC system. Hot engine coolant is run through the core which air is blown through via the blower motor which ...
1991 Chevy Van Heater Core
Engine Cooling Problem 1991 Chevy Van V8 All Wheel Drive Automatic What Do I Need To Take Off To Get To The Heater Core To Replace It
Asked by
kenr
·
1 ANSWER
1991
CHEVROLET VAN
1990 Chevy Van Runninh Hot And No Hot Air
Would A Bad Thermostat Not Allow Hot Air To The Heater Core On A 1990 Chevy Van? I Have Back Flushed Everything And Know There Is Water Flow...
Asked by
djjerry
·
7 ANSWERS
1990
CHEVROLET VAN
I Replaced The Heater Core As Well As The Switch On...
I Replaced The Heater Core As Well As The Switch On The Lines Just Before The Heater Core And Now It Is Blowing No Or Little Heat
Asked by
Anonymous
·
1 ANSWER
1991
CHEVROLET VAN
1991 Chevy Van Leaky Core
Is It Possible To Bi Pass The Heater Core And Valve Comming Out Of The Radiator With A Hose And Bolt? Or Do I Have To Keep The Valve...
Asked by
roblamo
·
1 ANSWER
1991
CHEVROLET VAN
VIEW MORE
Ask a Car Question. It's Free!
Heater Hose Replacement Chevrolet Camaro
Heater Hose Replacement
Cooling System Pressure Test For Leaks