I put new starter on

Tiny
ANONYMOUS
  • MEMBER
  • 1987 GMC C2500
I put new starter on. When I try to start it will not do any thing
Thursday, February 21st, 2013 AT 6:54 PM

2 Replies

Tiny
JDL
  • MECHANIC
  • 16,098 POSTS
Make sure the battery has a full charge and battery connections all clean and tight. Did you try cranking in neutral? Is this an automatic? Check the starter s terminal for voltage, key in the crank position. If nothing there, some possibilities, ignition switch--neutral switch where applicable--wiring circuit issue. Any testing at the starter make sure tranny is in park or neutral and the e-brake is set.
Was this
answer
helpful?
Yes
No
Thursday, February 21st, 2013 AT 7:25 PM
Tiny
JDL
  • MECHANIC
  • 16,098 POSTS
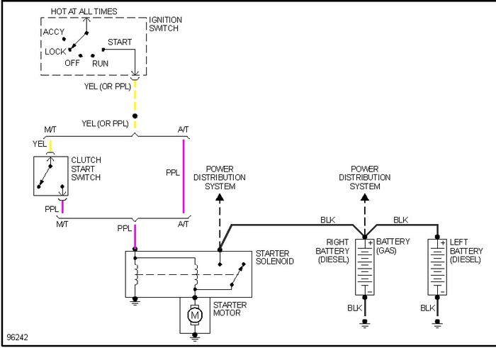
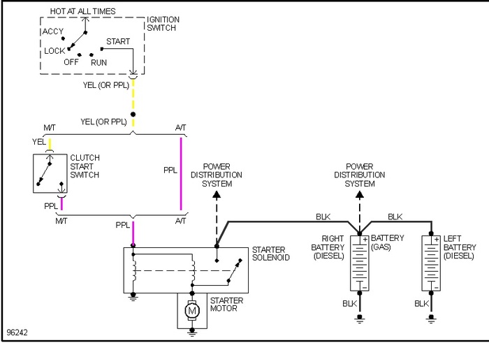
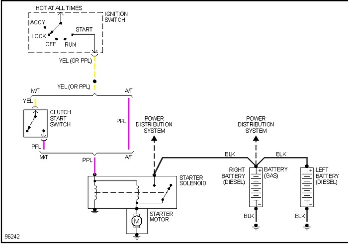
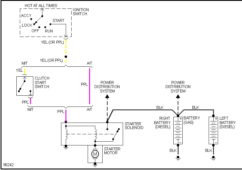
The wiring is for r2500. The purple wire should be hot with key in the crank position.
Was this
answer
helpful?
Yes
No
Thursday, February 21st, 2013 AT 7:30 PM

Please login or register to post a reply.