1996 GMC C2500 V8 Four Wheel Drive Automatic
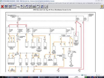
I have a 1996, 5.7, 454, 2500 GMC suberbin 4x4, and at this time it has a new starter. The starter works, but now the fuse in the box under the hood (40) for the ignition system keeps blowing. Is there a place online that I can find a wiring diagram?
Also you have an HTML error in the header of your forum, just to let you know.
at the top of some browsers this is showing
"  " should be only a small thing for your HTML editor
Friday, April 18th, 2008 AT 1:30 PM



