The inline pump continue to run with the switch off?

Tiny
DIXON1
  • MEMBER
  • 1987 FORD F-150
  • 200,500 MILES
My truck has dual tanks and which ever tank is selected and the inline pump continue to run with the switch off also the relay buzzs while the key is off I am totally at a loss over this issue any help will be greatly appreciated. Ok brand new relay, still same issue fuel pump running with the switch off. Changed with the battery disconnected to avoid shorting out the new relay.
Friday, May 4th, 2012 AT 12:21 AM

18 Replies

Tiny
CJ MEDEVAC
  • MECHANIC
  • 11,005 POSTS
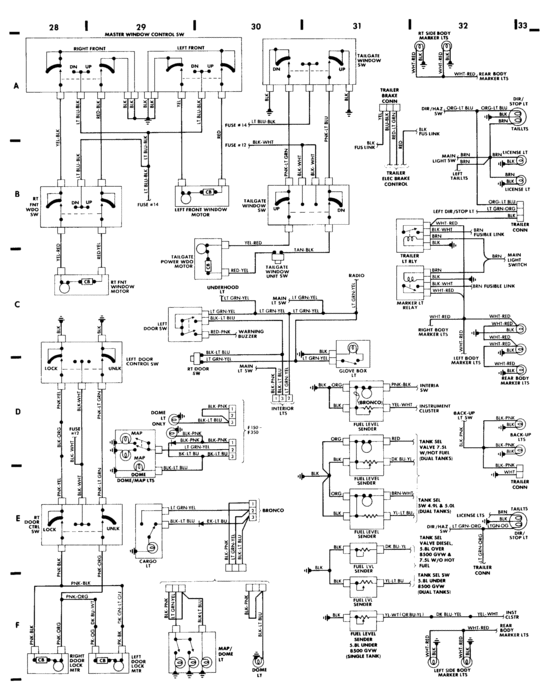
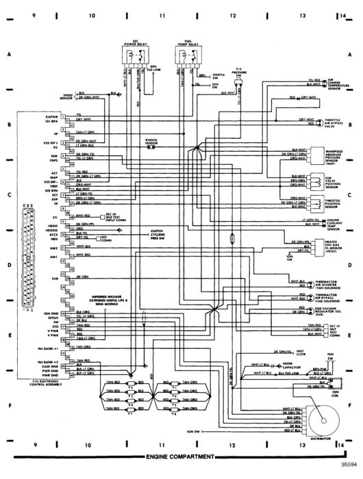
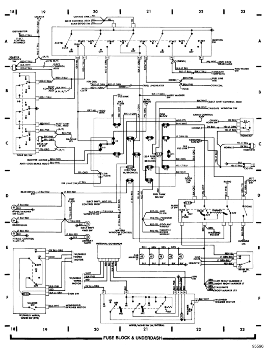
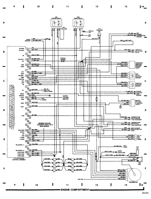
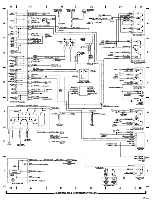
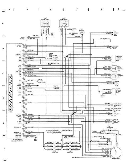
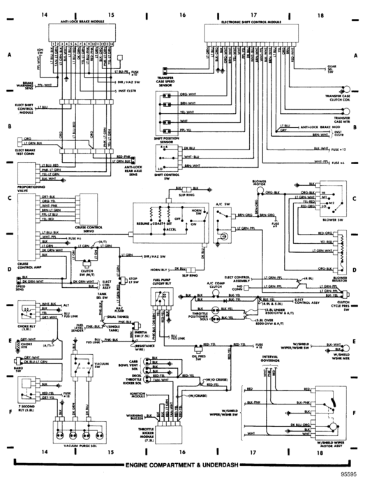
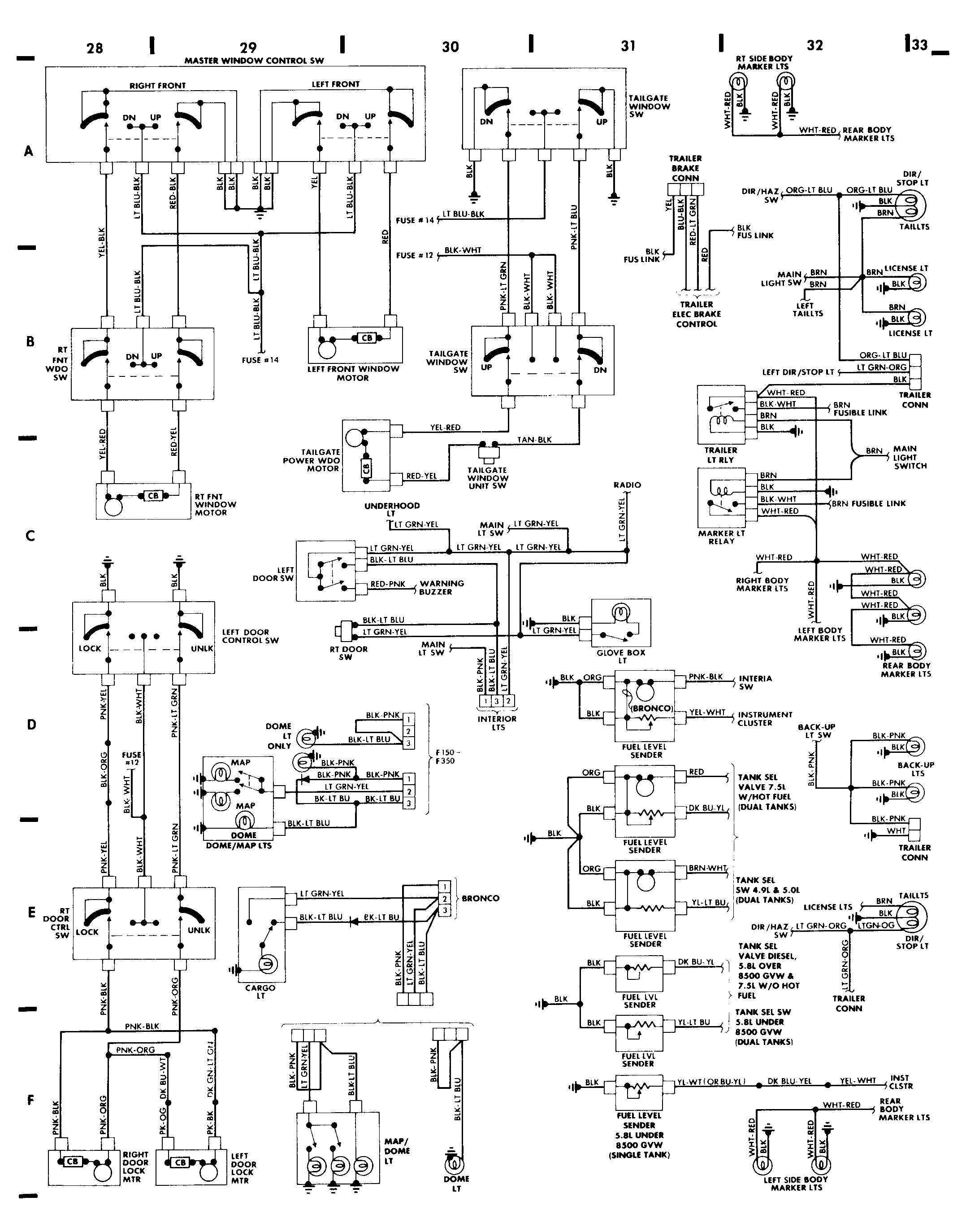
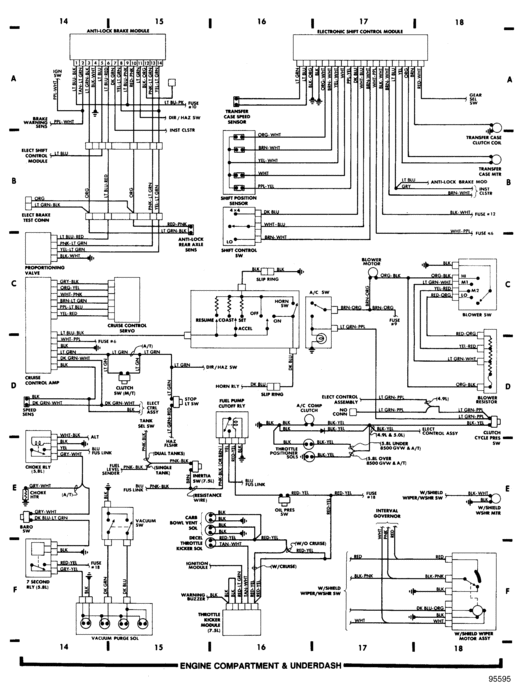
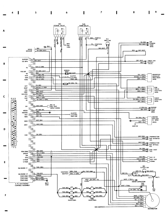
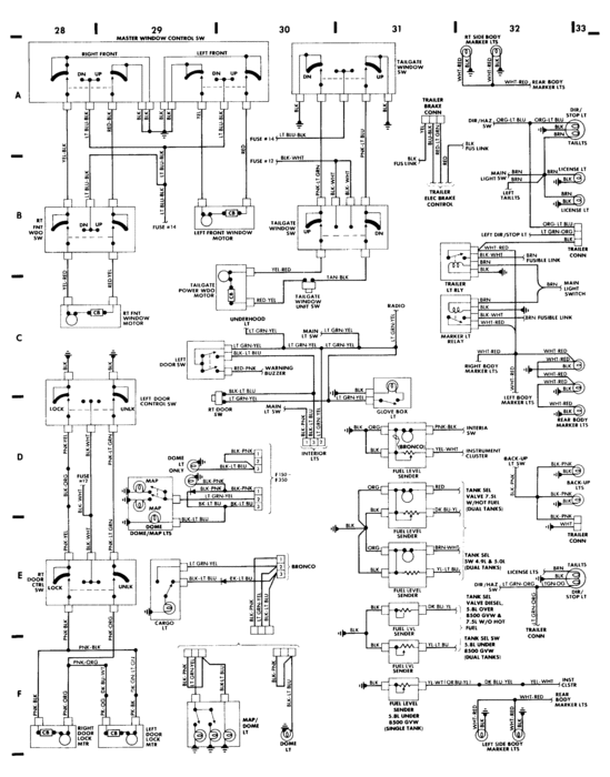
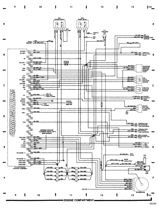
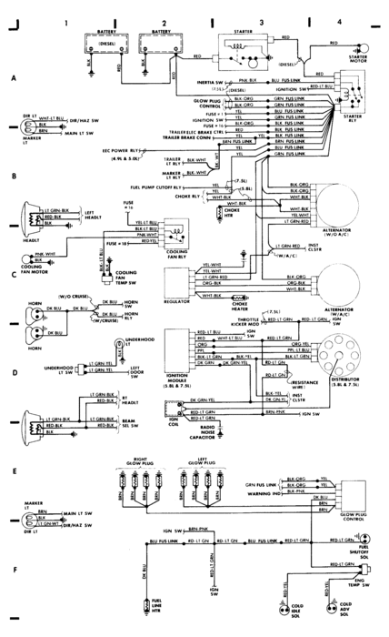
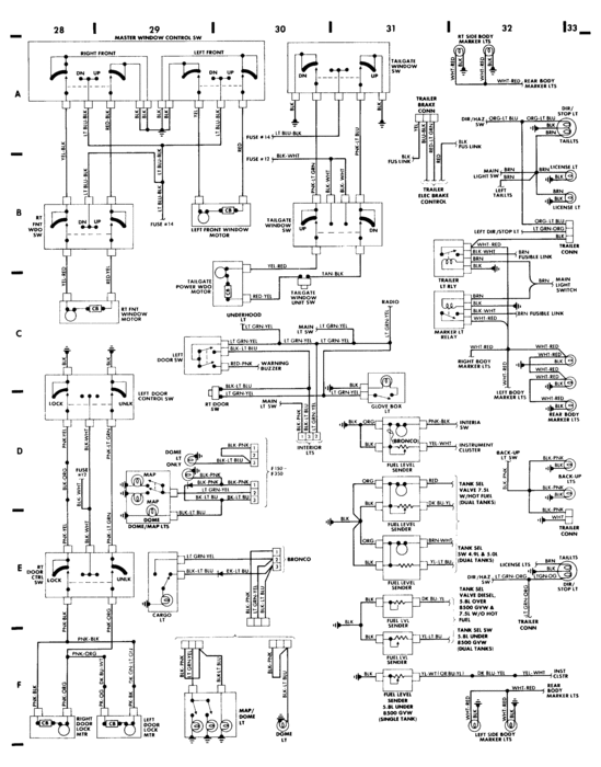
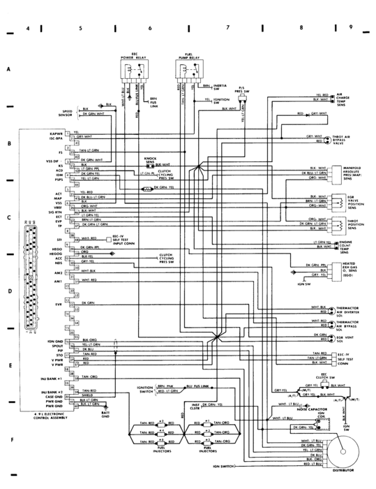
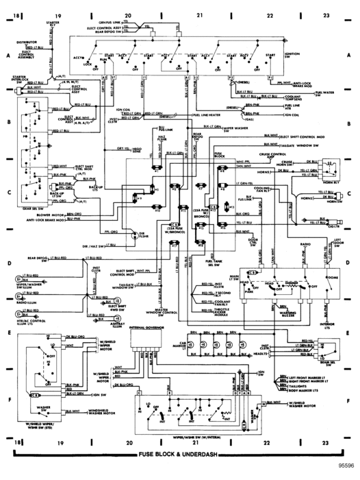
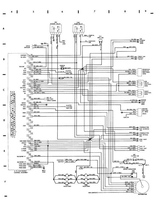
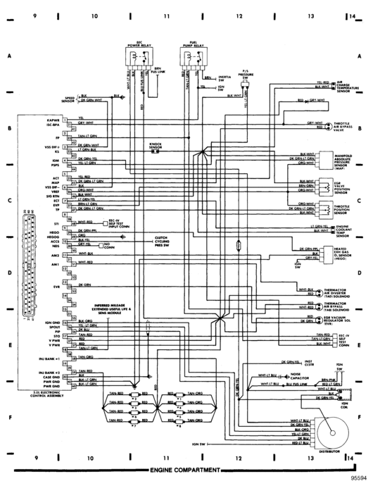
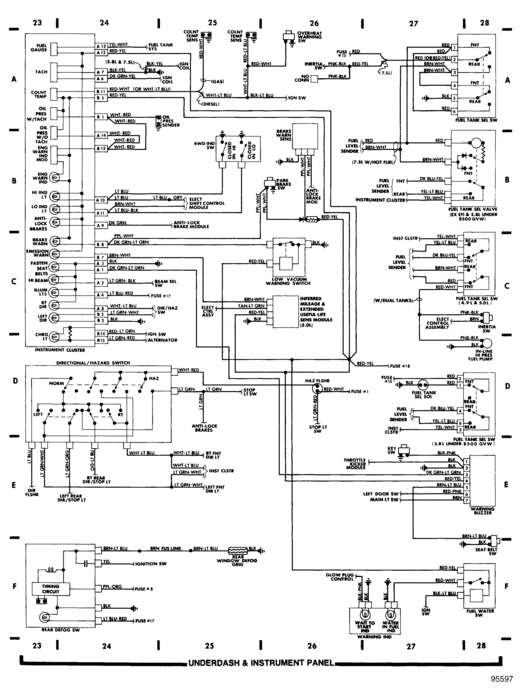
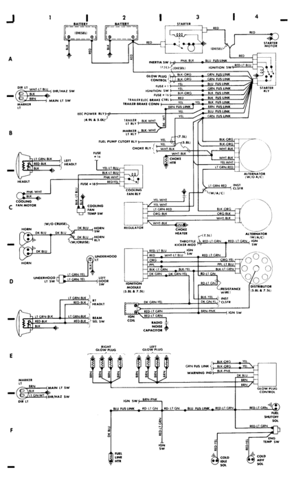
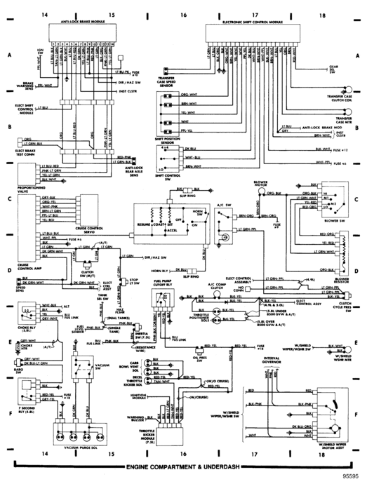
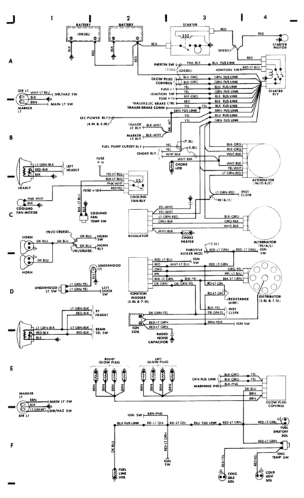
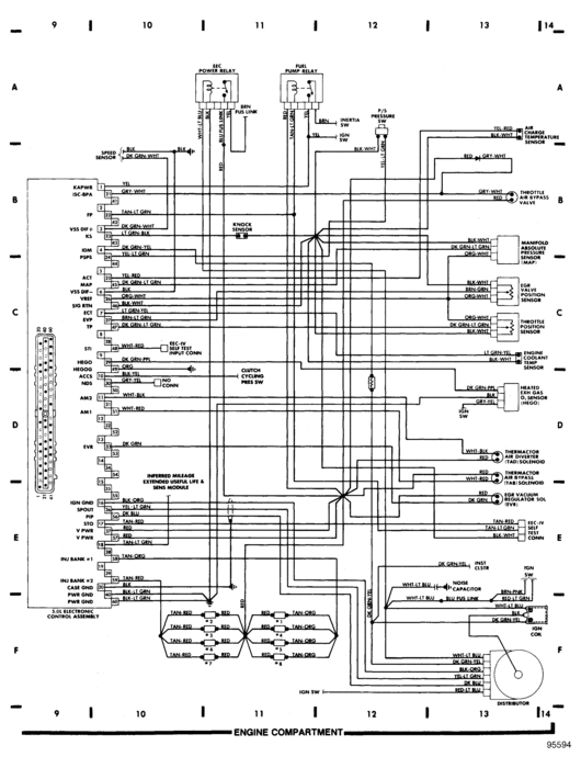
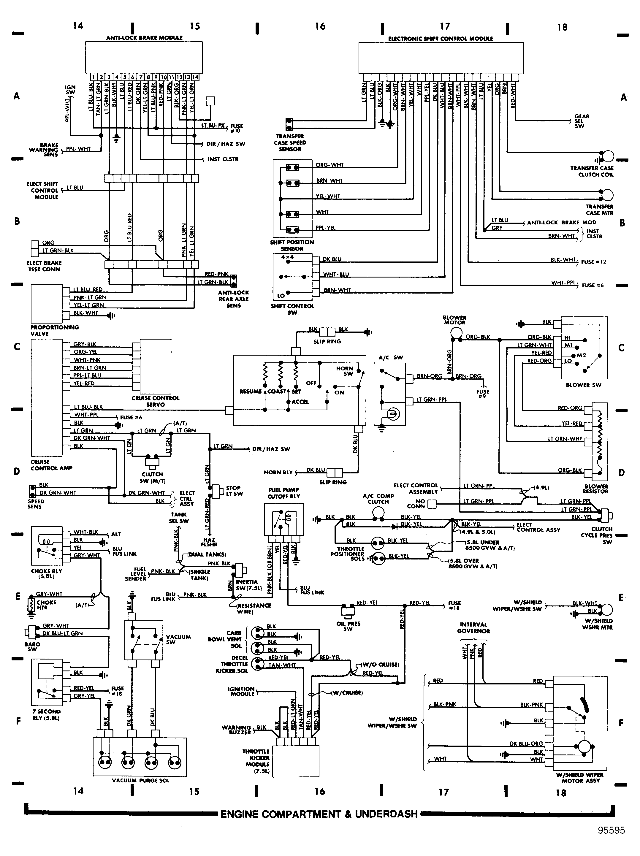
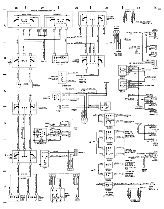
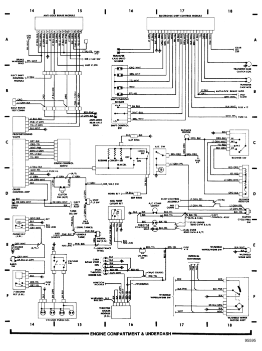
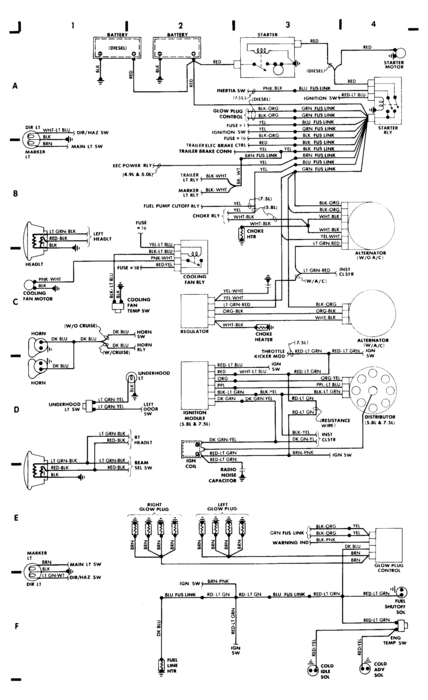
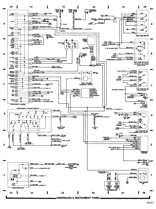
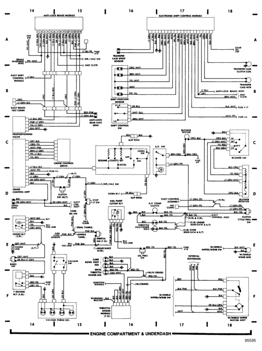
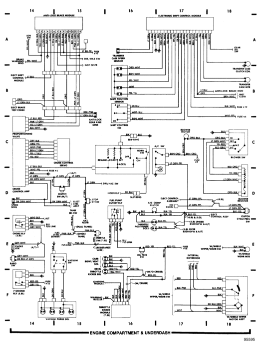
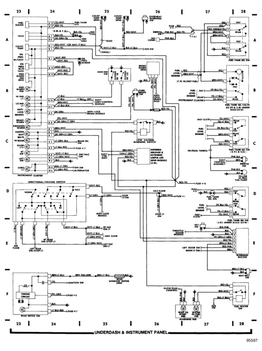
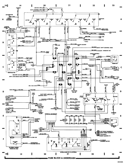
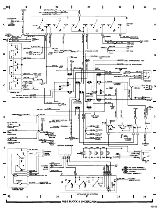
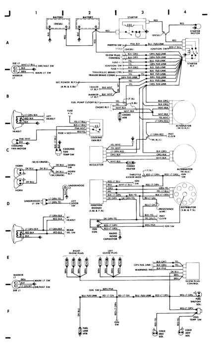
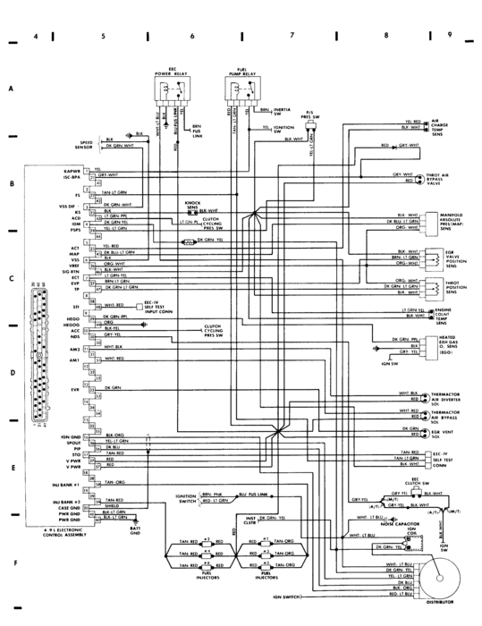
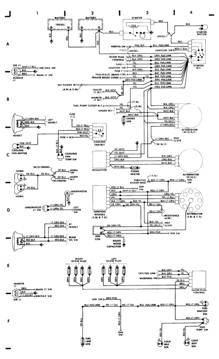
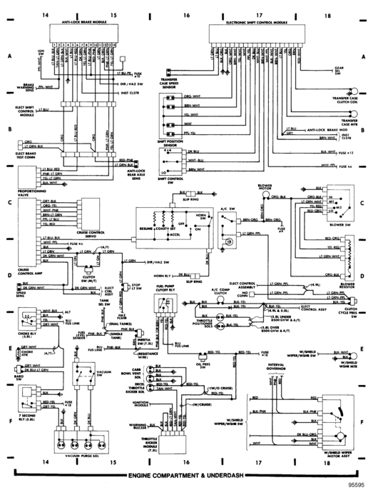
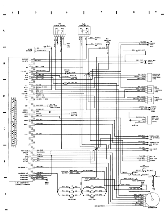
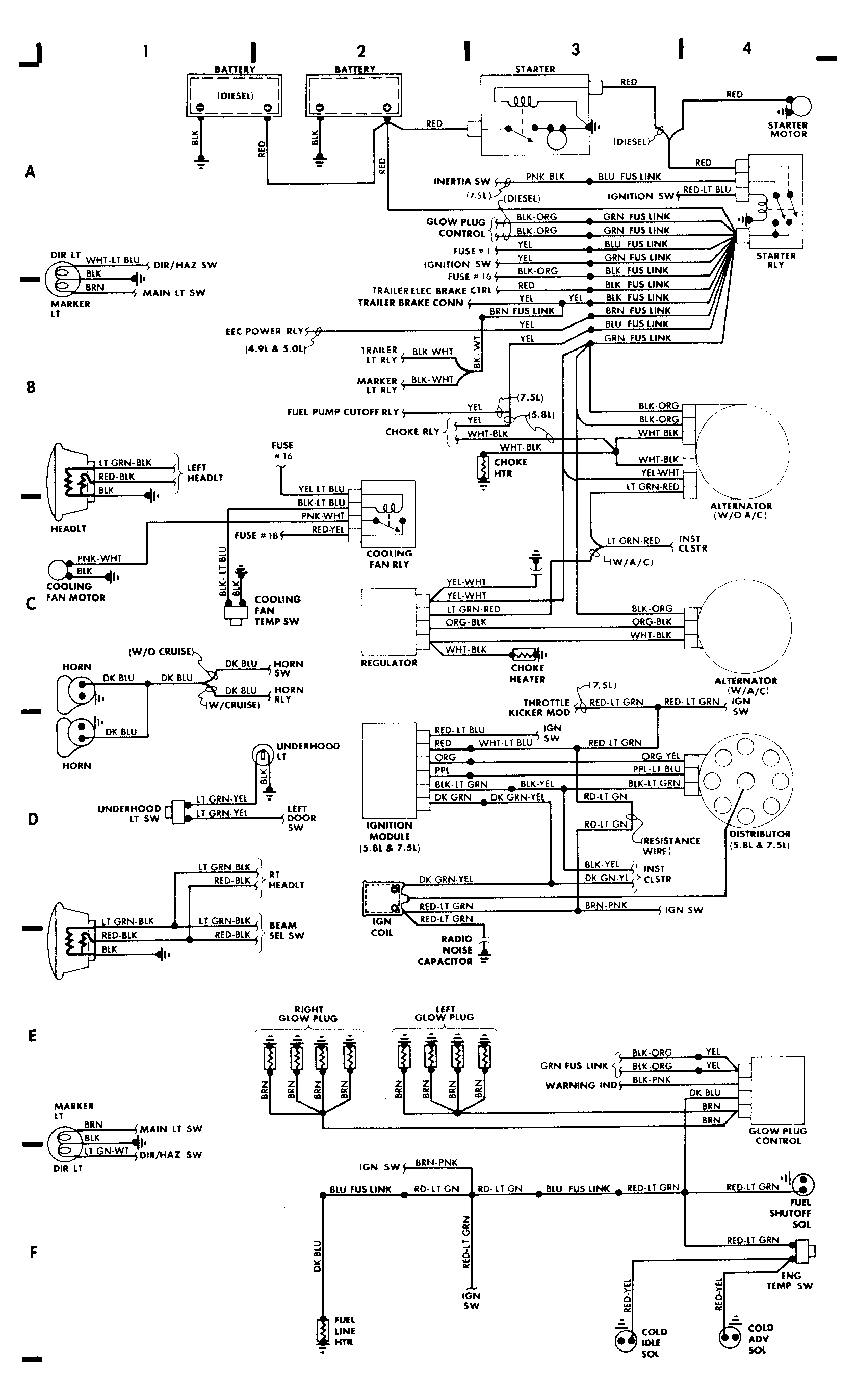
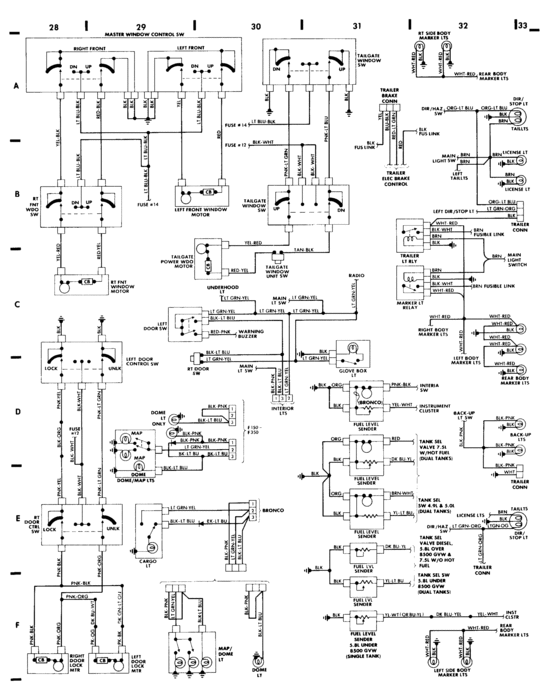
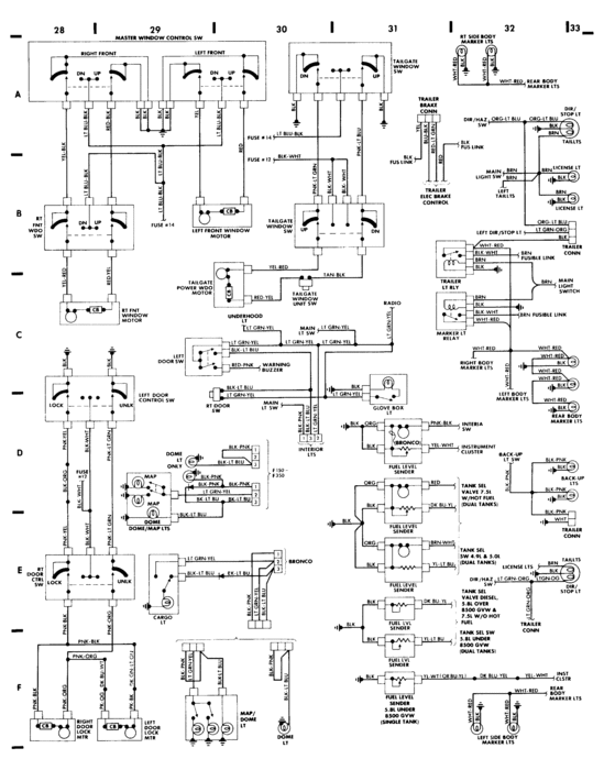
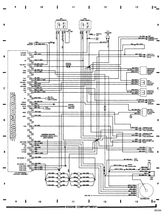
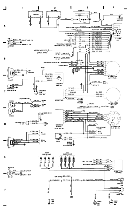
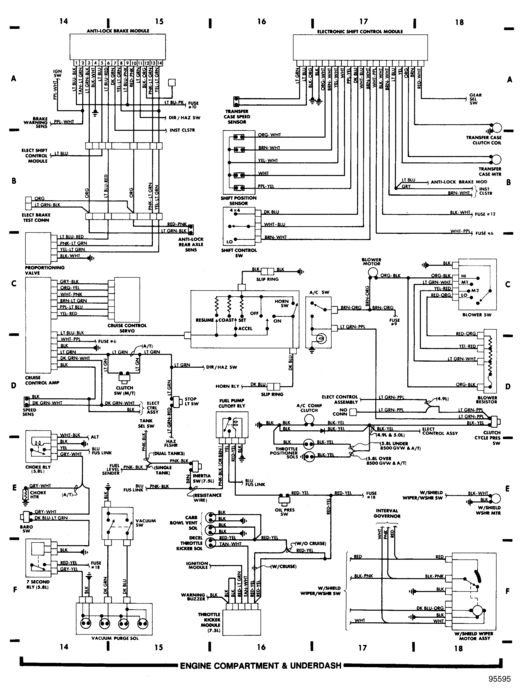
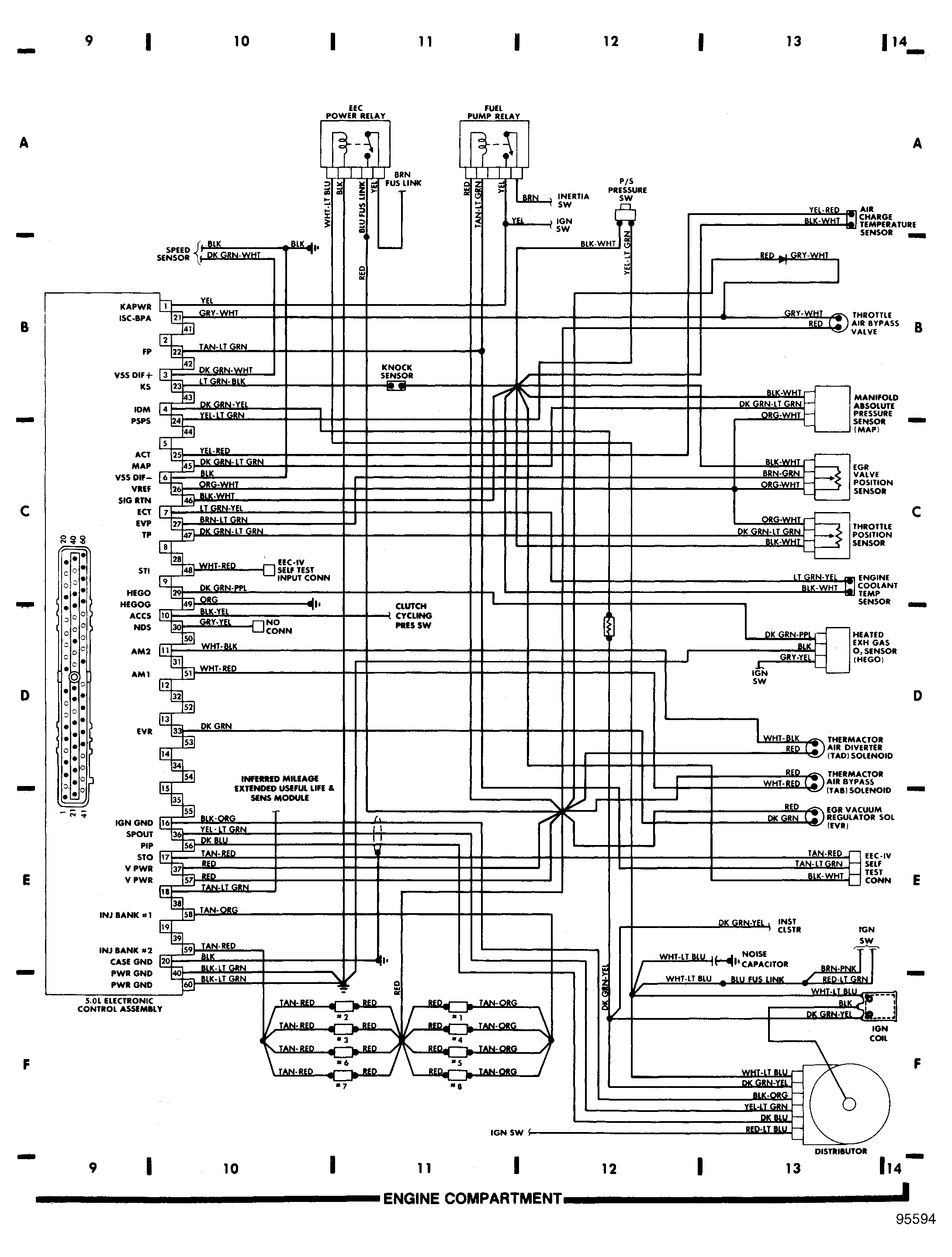
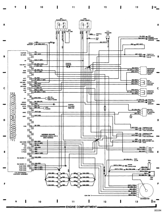
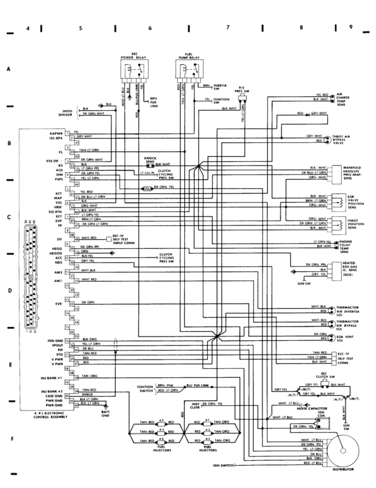
1-4) engine compartment

5) engine compartment and under dash

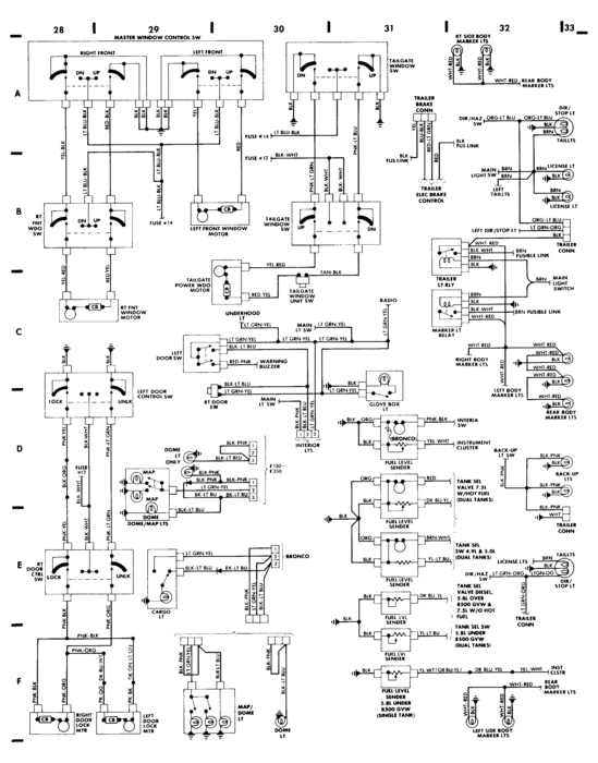
6) under dash and instruments

7) rear compartment and accessories

i'm sure these will not be clear on this site---i will send you a private message to privately obtain your email addressthey are very clear in my downloads

to get to messages

at top of this page click your username> page comes up> look left---you will see messages. Your info is not broadcast world wide in there

i cannot send all in one shot on this site (i just tried, lost a novel I wrote you)---so I will do 2 posts

i cannot copy charts in mitchell i---so if you need to know a component location, tell me what it is, I will search the charts and pass it on back to you

if your truck is a keeper---you might wanna do like I did, with your diagrams---makes it so ez!

See january 4th on this post---my reply that starts out, "ok here's the deal"

message should be a minute or so after I post these 2 posts. Check out the diagrams (Below). Please let us know what happens.
Was this
answer
helpful?
Yes
No
Monday, February 15th, 2021 AT 9:54 AM
Tiny
CJ MEDEVAC
  • MECHANIC
  • 11,005 POSTS
567

THE MEDIC
Was this
answer
helpful?
Yes
No
Monday, February 15th, 2021 AT 9:54 AM
Tiny
DIXON1
  • MEMBER
  • 11 POSTS
Sorry for my lag storm and kids sport have me runnin in circles.
I will answer in order from my last post as best I can
1. Yes if I unplug the relay the pumps will stop but the relay buzzs upon reconnecting until I fully cycle the key
2. Ok sent my address
Was this
answer
helpful?
Yes
No
Monday, February 15th, 2021 AT 9:54 AM
Tiny
DIXON1
  • MEMBER
  • 11 POSTS
Ok went out and double checked if I unplug the brown and green pigtails from them 2 relays is the only way both pumps will shut down
there is a 3rd relay with a grey pigtail that has no effect on the pumps that I have noticed
Was this
answer
helpful?
Yes
No
Monday, February 15th, 2021 AT 9:54 AM
Tiny
ASEMASTER6371
  • MECHANIC
  • 52,796 POSTS
Got you CJ.

When you pulled the fuel pump relay and the pumps stopped, this means the control side of the relay is staying engaged meaning it is grounded 100% of the time. This is what we have to fix.

Does this have dual tanks? If it does, disconnect the switching valve and connect the relay and make sure the pumps are off. You may have a wiring issue down at the switching valve.

Roy
Was this
answer
helpful?
Yes
No
Monday, February 15th, 2021 AT 9:54 AM
Tiny
DIXON1
  • MEMBER
  • 11 POSTS
My valve is original ford so there is no electric on the valve at all it works off of fuel pressure
i have an in dash switch that turns power on to either in tank pickup pump
Was this
answer
helpful?
Yes
No
Monday, February 15th, 2021 AT 9:55 AM
Tiny
ASEMASTER6371
  • MECHANIC
  • 52,796 POSTS
No, the switch operates a switching valve under the truck where the lines all meet. Take another look. If there is a switch on the dash, then there is electric under the truck.

Roy
Was this
answer
helpful?
Yes
No
Monday, February 15th, 2021 AT 9:55 AM
Tiny
DIXON1
  • MEMBER
  • 11 POSTS
Again this is an 87 all original. I had the valve out 3x already and there is no electrical on the valve what so ever
there are 2 springs within the valve that compress when the pickup pump pressurise against it
Was this
answer
helpful?
Yes
No
Monday, February 15th, 2021 AT 9:55 AM
Tiny
DIXON1
  • MEMBER
  • 11 POSTS
Ford dual function reservoir (non electric tank switch valve)
i believe this is the tech name for what ive been calling a valve
Was this
answer
helpful?
Yes
No
Monday, February 15th, 2021 AT 9:55 AM
Tiny
DIXON1
  • MEMBER
  • 11 POSTS
Ok truck is now down to 1 tank I bypassed the dfr thinking it may have been recycling gas to the front tank. Original issue still there with the pumps running and the key off. I final took a chance while it was running and I cut the brown wire at the the fuel pump relay the motor never missed a beat so I then turn off the key and my pumps stopped. I then tried restarting 1st turning the ignition switch to the on position and paused to listen for the pumps rear tank and high pressure pump both worked and the truck restarted. I drove it 5 miles and evrything is still workin off the key, so this seems to have fixed the problem for now but I would like to find out what caused this if there is a direct ground short or what
Was this
answer
helpful?
Yes
No
Monday, February 15th, 2021 AT 9:55 AM
Tiny
CJ MEDEVAC
  • MECHANIC
  • 11,005 POSTS
Just throwing in some junk to think about

does this thing have a return line back to the tank from the pressure regulator?

If so, is it returning back to the correct tanknot eventually filling the other one up, as you drive it. Leaving your "primary fuel source" empty pretty darn fast?

Zat make sense. If not, maybe i'll shut up and say no more!

The medic
Was this
answer
helpful?
Yes
No
Monday, February 15th, 2021 AT 9:55 AM
Tiny
DIXON1
  • MEMBER
  • 11 POSTS
Was possible but as of earlier I bypassed the dual function reservoir. The rear tank is the only one hooked up at the moment. But even this way the pumps were still running, thats why I cut what I believe was the ground "brown wire"at the fuel relay it seems to have corrected the pumps running with the key off which is the main issue
Was this
answer
helpful?
Yes
No
Monday, February 15th, 2021 AT 9:55 AM
Tiny
DIXON1
  • MEMBER
  • 11 POSTS
But to answer your thought which was mine yes but now return line goes directly to the the rear tank which is the only 1 plumbed in
Was this
answer
helpful?
Yes
No
Monday, February 15th, 2021 AT 9:55 AM
Tiny
DIXON1
  • MEMBER
  • 11 POSTS
Ok here is my update truck is now single tank with no dual function reservoir. Still have the electrical issue with the pumps if I connect brown wire that I cut which turned out to be the ground wire for all the pumps, high pressure and pickup pumps. Only know this because I pulled a new wire all the way thru. But other then the wire being cut im driving it dailey again!
Was this
answer
helpful?
Yes
No
Monday, February 15th, 2021 AT 9:55 AM
Tiny
CJ MEDEVAC
  • MECHANIC
  • 11,005 POSTS
Glad you are back on the road

Are you done, or are you going to continue to get it back right?

The medic
Was this
answer
helpful?
Yes
No
Monday, February 15th, 2021 AT 9:55 AM
Tiny
PARTSPAUL6
  • MEMBER
  • 2 POSTS
To answer your original question, the fuel pump relays are probably stuck in the on position. They will only shut off when you unplug them or cut the PCM ground wire to them. Because of where they are mounted, they get lots of water splash on them making them a target for corrosion. Replace the two relays with new Ford pieces and repair the wiring that you cut into. Should work like brand new.
I have seen many of these 87 to 91 trucks sitting in a parking lot buzzing away. A good thump on the left fender usually shut them off. If it didn't, I would leave a business card to my dealer on the door.
Was this
answer
helpful?
Yes
No
Monday, February 15th, 2021 AT 9:55 AM
Tiny
PARTSPAUL6
  • MEMBER
  • 2 POSTS
Reading some of the other posts, the tank selection switch turns the fuel pumps on. The resevoir you have opened only to find springs in is a 'check valve' as it were to stop backflow from one tank to another. The electrical selection valves stopped in 1986.
Was this
answer
helpful?
Yes
No
Monday, February 15th, 2021 AT 9:55 AM
Tiny
DIXON1
  • MEMBER
  • 11 POSTS
Thank you CJ MEDEVAC. I will most likely run it this way now, theres no hot wires "temp wise" or dead battery after sitting a couple days, so I think I will run it this way.
And also Thanks to partspaul6. I have replaced all the relays with new ford parts and fixed the wire 2x now and have the same problem so the wire stays cut for now. And I hope this post from you helps clarify things for some others.
Replied on May 15, 2012

Reading some of the other posts, the tank selection switch turns the fuel pumps on. The resevoir you have opened only to find springs in is a 'check valve' as it were to stop backflow from one tank to another. The electrical selection valves stopped in 1986.

Avatar Response from partspaul6
Was this
answer
helpful?
Yes
No
Monday, February 15th, 2021 AT 9:55 AM

Please login or register to post a reply.