Do I need stock exhaust system for stock carb to function properly?

Tiny
HONKY TONKY
  • MEMBER
  • 1985 JEEP CHEROKEE
  • 75,000 MILES
Inline 6, stock engine. It has the pulse air system. Rebuilding, swapped engines. Want to clean up engine area. Ran great completely stock but wanting to reduce engine clutter and install new exhaust that is more efficient. Worried about vacuum problems if I let the downstream air injection tube and the upstream air injection tube hang free not connecting the catalytic or exhaust pipe. Thanks for all your help
Tuesday, August 30th, 2011 AT 5:40 AM

11 Replies

Tiny
CJ MEDEVAC
  • MECHANIC
  • 11,005 POSTS
WHAT ENGINE YOU GOT?

DID YOU PASS SMOG LAST TIME?

THE MEDIC
Was this
answer
helpful?
Yes
No
Tuesday, August 30th, 2011 AT 1:42 PM
Tiny
HONKY TONKY
  • MEMBER
  • 5 POSTS
I have the inline 6 258 1985. No need to worry about emissions I have it historical plated in a state that doesn't require anything. Thank you for your response
Was this
answer
helpful?
Yes
No
Tuesday, August 30th, 2011 AT 6:02 PM
Tiny
CJ MEDEVAC
  • MECHANIC
  • 11,005 POSTS
Show you a pic

3 vacuum lines--2 necessary for engine (PCV and Dist Advance), other is for the vacuum gauge on my dash

I do not have power brakes, or any other "Have To" Vac Lines

This is a '77, many other "Later" CJs are now similar to this, in my region and others.

Exhaust consists of "O2 Sensor", which operates a air/ fuel meter, used to Properly "Jet" 4 bbl Holley 390....and a Muffler

All other unnecessary potential vacuum leakages, old non-working vac devices and horsepower robbing items have been removed

It's a little more involved on newer stuff, EZer w/ ones that had less stuff, to begin with.

I recommend a different BBD carb than you have now (Yours has a stepper motor on the rear)....(I have a pic of one)

Let me know how far you wanna go!....I won't tell you to do it, just tell you what works for me...I recommend taking pics, just in case you need to go back as is.

Next to the last pic--late model BBD w/ stepper motor--quit's "Steppin'" over the years, basically a "Burden" when it becomes useless and adjusting is pointless

Pic w/ caps on it (not installed)1979 BBD uncomplicated regular ole carb, used forever, until someone "green" started whining....My thoughts are that efficient operation, gotta be better than a bunch of stuff that does not work....I ran this one about 2 months..still looks new.

The '79 is about $275? (I remember this being $150!) for a rebuilt from Advance Auto or Autozone

http://shop.advanceautoparts.com/webapp/wcs/stores/servlet/product_Carburetor---Remanufactured-United-Carb_5121345-P_26_R%7CGRPCARBAMS_1261793720____

http://www.autozone.com/autozone/parts/Autoline-Carburetor/1979-Jeep-CJ5/_/N-imcn1Z8vd1l?counter=1&filterByKeyWord=carburetor&fromString=search&itemIdentifier=202160_0_0_

Some involved careful searching, might find it cheaper!

I have been looking for MPG and better power (not excessive power!) at the same time.......FOR A LONG TIME!....I'm where I wanna be now, with the "OFFY INTAKE" and the "HOLLEY 08007, 390 CARB", now properly adjusted and Jetted...(maybe $700 for my whole carb and intake set-up???)...I keep so much "What If" stuff in Mr.Jeep, I am guessing 400 LBS overweight at present, I still get about 18 MPG.....Got about 16 MPG with a '79 BBD 2 barrel, maybe 200 LBS overweight, back then....I spent about 5 years keeping very accurate MPG records, changing timing, carbs, jetting, Trying "Miracle Gadgets" etc......see how far, I tend to assist Jeep People, at the bottom, "THE MR. JEEP RECORD BOOK"

https://www.2carpros.com/questions/1984-jeep-cherokee-cj7

YOUR TURN....Or do you think you got in over your head!

The Medic
Was this
answer
helpful?
Yes
No
Tuesday, August 30th, 2011 AT 7:50 PM
Tiny
CJ MEDEVAC
  • MECHANIC
  • 11,005 POSTS
The air pump cools the "grid" in the converter so it don't crumble and stop up.I see it more like, no grid, no need to cool it, no need for "Cooler" Device to cool, something that is non-existent.I think really simple.

The other carb pic above is a '83 CJ 7 (my neighbors, ) It does not look that way anymore!

The Medic
Was this
answer
helpful?
Yes
No
Tuesday, August 30th, 2011 AT 7:54 PM
Tiny
HONKY TONKY
  • MEMBER
  • 5 POSTS
Thank you so much Medic.I will follow up with you in a few days when I start burping it. And I will take pics in case I need to put back into place. Thanks again.
Was this
answer
helpful?
Yes
No
Wednesday, August 31st, 2011 AT 4:50 PM
Tiny
CJ MEDEVAC
  • MECHANIC
  • 11,005 POSTS
HOLLAR IF YOU NEED ME!

LIKE MESSIN' WITH THE 258

THE MEDIC
Was this
answer
helpful?
Yes
No
Wednesday, August 31st, 2011 AT 5:09 PM
Tiny
HONKY TONKY
  • MEMBER
  • 5 POSTS
I know this is unrelated to the last question, but I have sensor wire (i believe) that has the heat protection cover on it. It stems from the same wire bundle going to the fuse box, it comes out of the bundle on the passenger side of the block and I cannot for the life of me find the connection point on the block, tranny or anything. Any ideas? Its a tan wire with a flat female input with a round base for the connection. Any ideas?
Was this
answer
helpful?
Yes
No
Saturday, September 3rd, 2011 AT 7:16 AM
Tiny
CJ MEDEVAC
  • MECHANIC
  • 11,005 POSTS
I'M NO STICKLER FOR ETIQUETTE HERE. IN FACT, I'M SORTA THE BLACK SHEEP HERE.

MISSION STATEMENT FOR ME WAS. HELP PEOPLE, ANSWER QUESTIONS

IF YOU NEED HELP---I'LL TRY!

YOU SORTA GOT LUCKY.I ALMOST DIDN'T CHECK, USUALLY FROM ABOUT '90 ON BACK, INFO IS NOT AVAILABLE AT MITCHELL I (WHEN I NEED IT, ANYWAY!), ----I BARELY KNOW HOW TO USE IT MYSELF, I SORTA GREW UP A DIYer, WITH PAPER REPAIR MANUALS (I STILL PREFER THEM!)

OK. HERE'S THE DEAL, THUS FAR. YOUR WIRE MAY BE "EXTRA", IT MAY GO TO AN ACCESSORY, YOURS DOES NOT HAVE.I HAVE 2 CONNECTORS DANGLING UNDER MY DASH, NEAR THE BODY ON DRIVE AND PASSENGER SIDES. THEY ARE FOR OPTIONAL "FLOOR (DOME) LIGHTING", THERE ARE MANY MORE "DANGLERS" IN MY CJ 5.

I DO NOT KNOW HOW LEGIBLE THESE ARE, UNTIL I POST THEM

TELL ME IF YOU CANNOT SEE THEM, I CAN GET THEM TO YOUR EMAIL SAFELY (DON'T SLING IT OUT ON THE OPEN FORUM!) JUST LET ME KNOW, I'LL EXPLAIN HOW TO GET IT TO ME. THEY'LL PROBABLY BE BETTER IF I SEND THEM, STRAIGHT TO YOU, LET'S SEE!

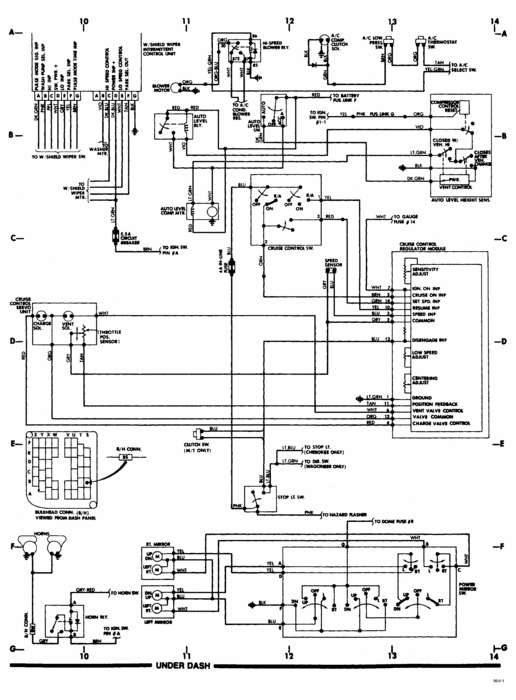
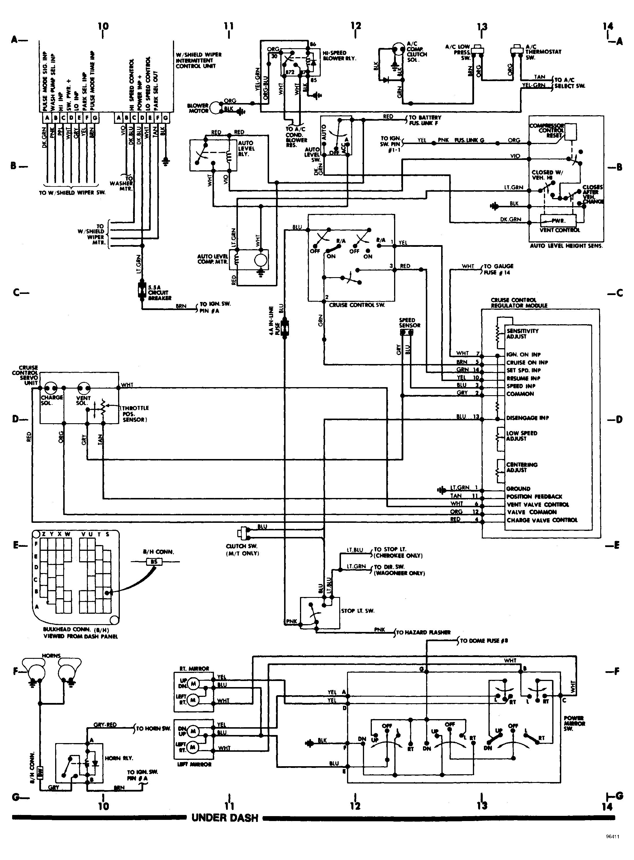
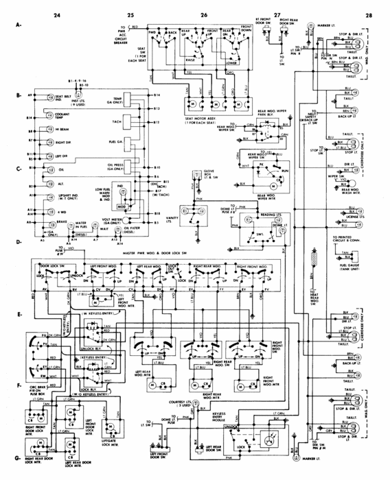
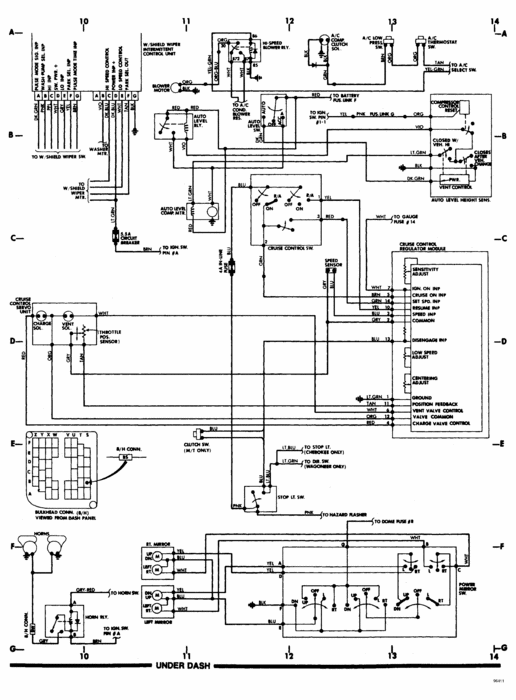
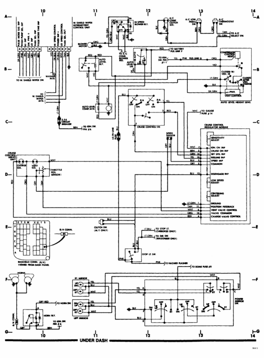
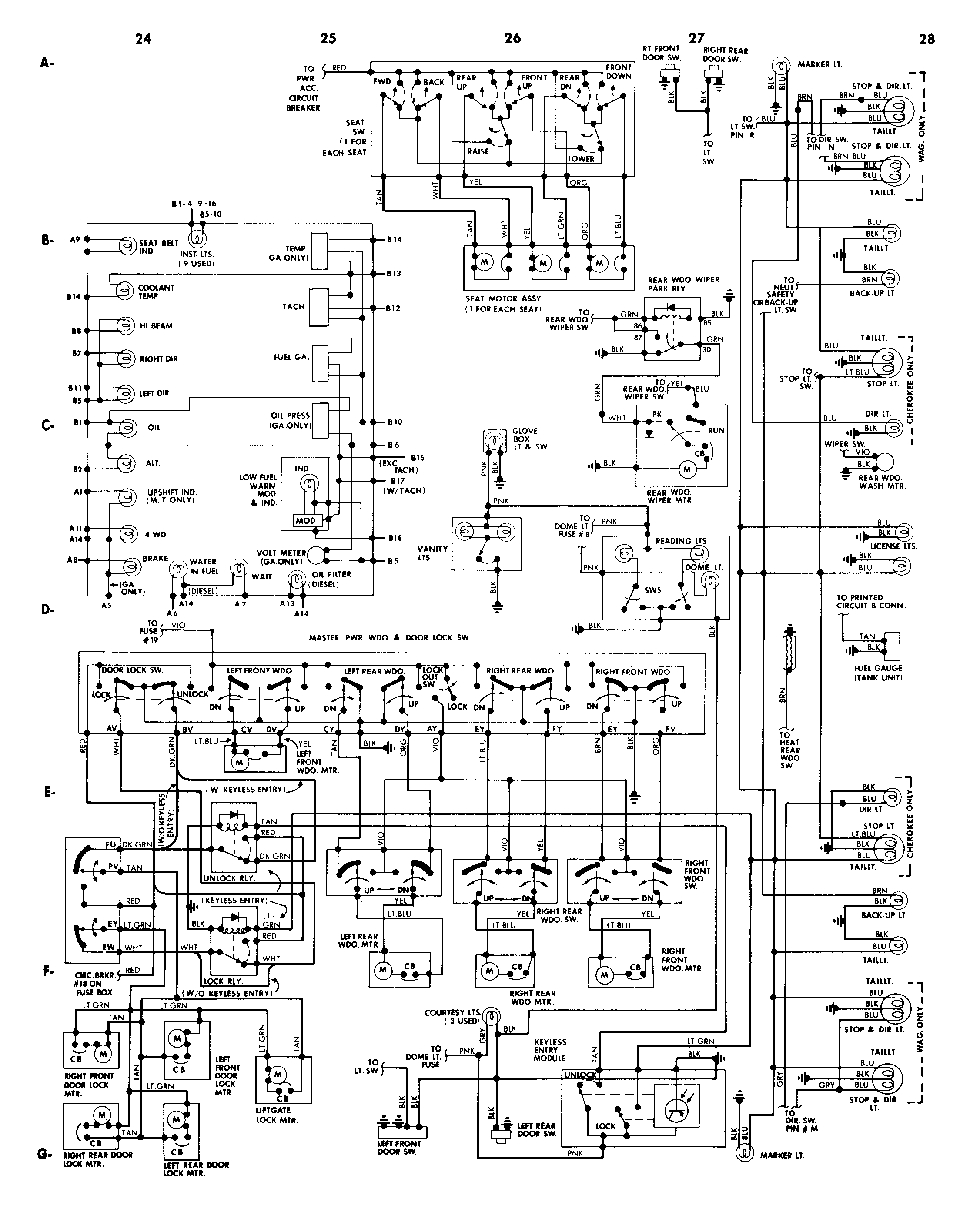
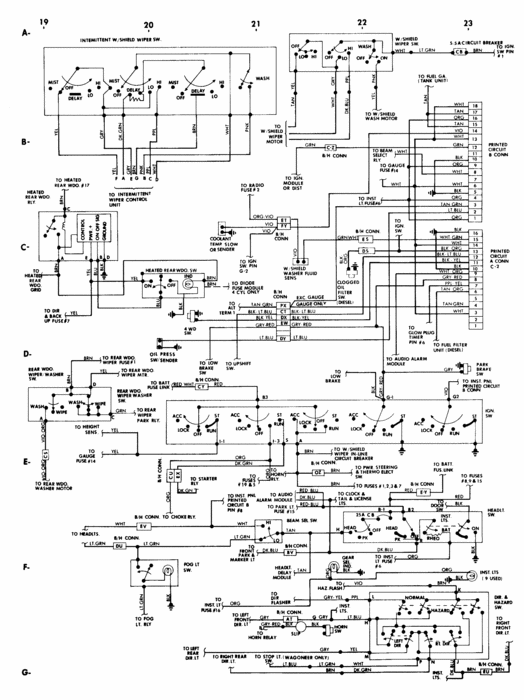
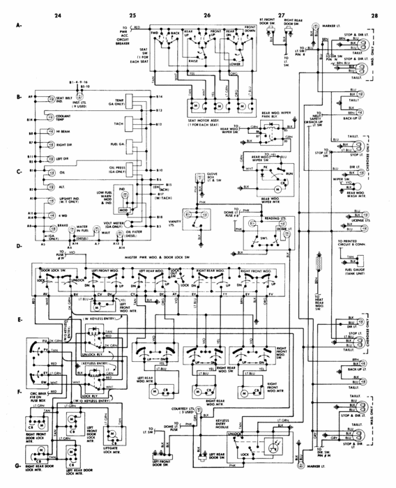
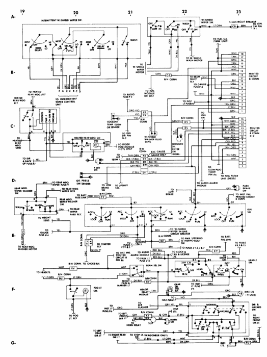
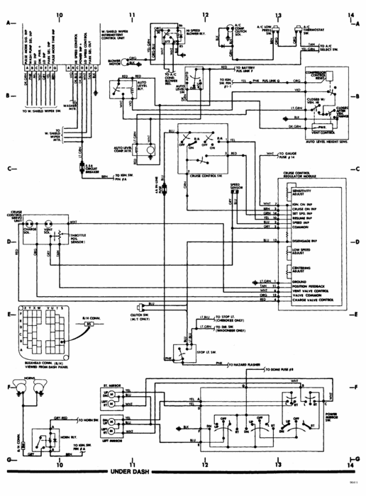
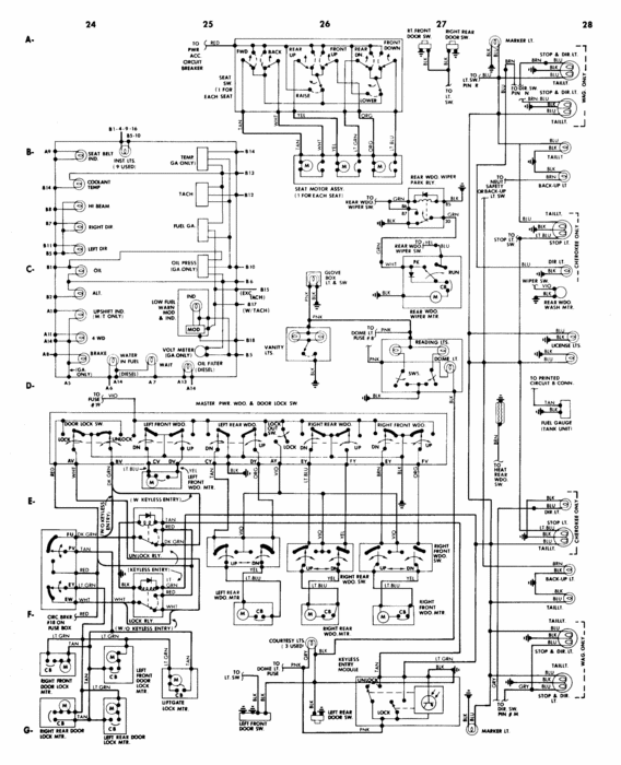
6 DIAGRAMS--ENTIRE JEEP. MIGHT SORTA STASH THESE BACK FOR LATER!

1)ENGINE COMPARTMENT

2)ENGINE COMPARTMENT

3) UNDER-DASH

4) UNDER-DASH

5) INSTRUMENT PANEL

6) REAR COMPARTMENT

RIGHT NOW. YOU JUST OWE ME LUNCH, I'M WORKING TOWARDS A TANK OF GAS FOR "MR. JEEP" (OVERSIZE 21 GALLON TANK)! LOL!

KEEP ASKIN'

I'LL KEEP TRYIN'!

THE MEDIC
Was this
answer
helpful?
Yes
No
Saturday, September 3rd, 2011 AT 3:32 PM
Tiny
CJ MEDEVAC
  • MECHANIC
  • 11,005 POSTS
JUST SAW 'EM. HARD TO SEE HERE

GO HOME>CLICK YOUR USER NAME>LOOK FORE "MESSAGES"

SENDING YOU ONE NOW

THE MEDIC
Was this
answer
helpful?
Yes
No
Sunday, September 4th, 2011 AT 4:27 AM
Tiny
HONKY TONKY
  • MEMBER
  • 5 POSTS
Hello Medic, the jeep is running now. Thanks for your help! Only problem is I have to hot wire it. Wondering if you had any thoughts. I turn the key and the dash gauges work, when I turn the key more to start I hear a click near the solenoid/distributor and nothing happens. When I hot wire it, the jeep runs till I turn the key off, so there is some sort of funtion with the key. Any thoughts? Module grounding issue? Solenoid? Thanks for all your help so far.
Was this
answer
helpful?
Yes
No
Saturday, October 1st, 2011 AT 2:27 AM
Tiny
CJ MEDEVAC
  • MECHANIC
  • 11,005 POSTS
BOSS, PRESENTLY WORKING ON A SIMILAR SITUATION, WANNA WATCH IT???? (YOU MAY BE ABLE TO CLICK "FOLLOW QUESTION") (AS I CAN) OR JUST KEEP GOING THERE!

RESPOND HERE W/ QUESTIONS,

NOT AT THAT POST---I AM CONFUSED EASILY--I SORTA DON'T PAY ATTENTION TO WHOSE TALKING, AND MIX UP MY ANSWERING TO THE WRONG FELLER!

HERE'S THE LINK

https://www.2carpros.com/questions/1978-jeep-cj7-need-help-getting-started-start-on-troubleshooting

THANKS FOR THE RESPONSE!

DID MY STUFF DIRECTLY HAVE SOMETHING TO DO WITH YOUR FEAT?

SOMETIMES I FEEL LIKE A CELEBRITY HERE!

LOOKING FORWARD TO ASSISTING AGAIN!....CJs ARE FEW AND FAR BETWEEN HERE...EVIDENCE OF SUPERIOR QUALITY!

I GOTTA NEW EMAIL...NEED IT?...IF SO, I'LL MESSAGE YOU

THE MEDIC
Was this
answer
helpful?
Yes
No
Saturday, October 1st, 2011 AT 3:02 AM

Please login or register to post a reply.