Wednesday, October 8th, 2014 AT 6:52 PM
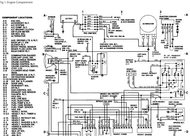
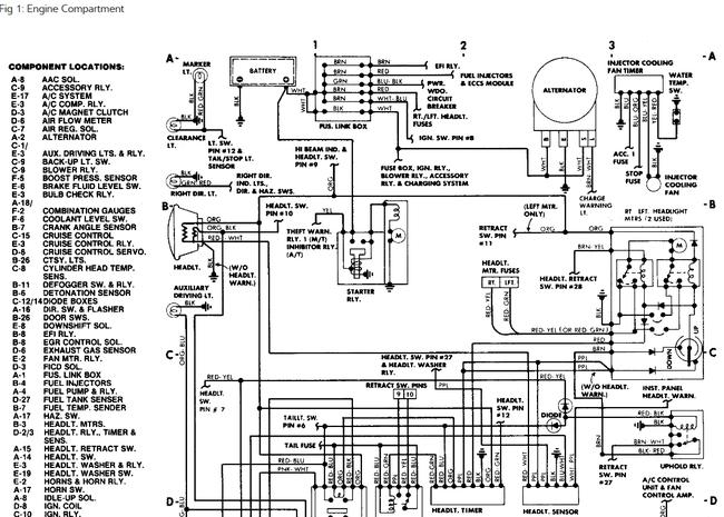
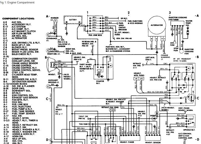
When we first bought the car, we tried the lights and the left one immediately died out. We then turned them off and back on, the left one flicked and the right one slowly went out(like the bulb went out). The only thing that was working was the right side bright. We messed with wiring and now neither one works. Please help.

