Headlights, dash lights and tail lights will not come on

Tiny
GVICKERS
  • MEMBER
  • 1979 CHEVROLET TRUCK
  • 220,000 MILES
Head lights, dash lights and tail lights will not come on, hazard lights work. Well I have replaced headlight switch but still the lights does not work. Could the floor switch be in fault.
Sunday, November 10th, 2013 AT 9:30 PM

3 Replies

Tiny
CARADIODOC
  • MECHANIC
  • 34,468 POSTS
By "floor switch" I assume you mean the head light dimmer switch. The tail / running lights and dash lights have nothing to do with that switch. First, look at the old head light switch for signs that two terminals are blackened or overheated. If you see that, there will be two terminals in the connector that must be cut out and replaced. If no problem is seen there, you'll need to check for voltage on the feed wire. Check each wire with a test light or voltmeter. To be most accurate, that should be done with the switch still connected. If you find 12 volts on one wire with the switch turned off, check if it's still there with it turned on, then look for 12 volts appearing on one wire when in the tail lights position, and a second wire in the head light position.

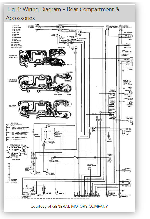
This guide will help us and the headlight wiring diagrams below to show you how the system works.

https://www.2carpros.com/articles/how-to-use-a-test-light-circuit-tester

If there's no 12 volts on any wire, or it goes away when you turn the switch on, we have to work backward to the fuse or fuse wire. I'll have to find a wiring diagram if it comes to that.

Check out the diagrams (Below). Please let us know what you find. We are interested to see what it is.
Was this
answer
helpful?
Yes
No
+6
Sunday, November 10th, 2013 AT 11:56 PM
Tiny
GVICKERS
  • MEMBER
  • 2 POSTS
I have no voltage anywhere on the switch, I've been told that the wire that feeds the light switch comes straight from the starter, is this true?
Was this
answer
helpful?
Yes
No
+4
Monday, November 11th, 2013 AT 2:53 PM
Tiny
CARADIODOC
  • MECHANIC
  • 34,468 POSTS
GM did commonly tap off the battery cable at the starter for the other circuits. The starter is not involved in those circuits. It was just a convenient tie point. Those wires are fuse link wires. They are a smaller gauge than the circuit they protect, and the insulation is designed to not burn or melt. They have been known to corrode apart at a splice, but other than that, pull on them to test them. If they're still good they'll act like a wire. If they're burned open, they'll act like a rubber band.

When they do burn open, they leave a carbon track behind that can conduct enough current for a digital voltmeter to pick up and display a voltage. You won't get enough current through to run a test light though. That's why a test light is more accurate in this case, or you need to measure voltages with the switch plugged in and turned on so some current is trying to flow.
Was this
answer
helpful?
Yes
No
+4
Wednesday, January 29th, 2014 AT 7:46 PM

Please login or register to post a reply.