Dim headlight

2015 NISSAN ALTIMA
90,000 MILES
Avatar
BBF1995
  • MEMBER
  • 4 POSTS
Hey! I’m working to get my headlights fixed. I changed both bulbs thinking it was a bulb issue, with the new bulbs one is still dim. I changed the fuses for the headlights but it is still dim. While I was checking the fuses, I noticed that none of the fuses in this row gave feedback. Does that mean all of these fuses are dead or is there another fuse that controls these?
Aug 2, 2021 at 11:47 AM
Repair Safety Notice: This information is for general instructional purposes only. Vehicle repair can be dangerous. Verify all information, follow manufacturer service procedures, use proper tools and safety equipment, and consult a qualified repair shop when needed.
Advertisement
Avatar
JACOBANDNICKOLAS
  • CAR REPAIR CONTRIBUTOR
  • 110,190 POSTS
Hi,

The most common cause of a dim light is a weak ground. Is it a high or low beam that is dim? Which side of the vehicle is it on?

Also, if the light is coming on, fuses are not a likely issue. However, which ones are you finding not to have power? Keep in mind, many of the fuses in your vehicle receive power from a different fuse box and fuse, so if there are several not getting power, there is a good chance a different fuse is bad. Here is a link you may find helpful testing fuses. It's important to not only inspect the fuse itself but to also confirm there is power to and from.

https://www.2carpros.com/articles/how-to-check-a-car-fuse

Also, try this. Whichever light is dim, disconnect the connector and inspect it to make sure there isn't a corrosion issue or a problem with the plug itself.

Here is a link you may find helpful:

https://www.2carpros.com/articles/how-to-check-wiring

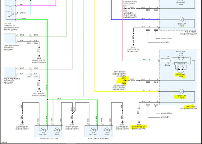
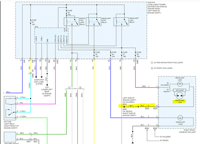
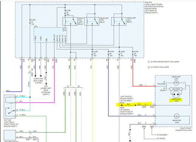
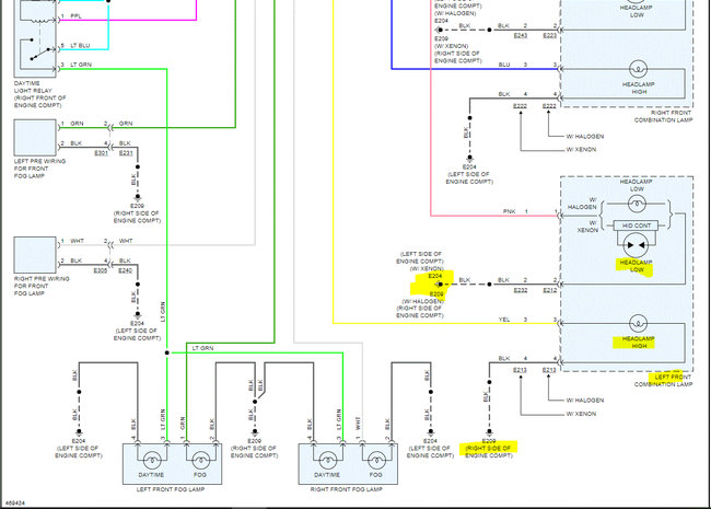
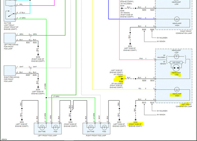
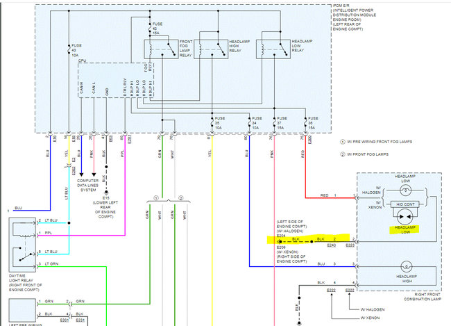
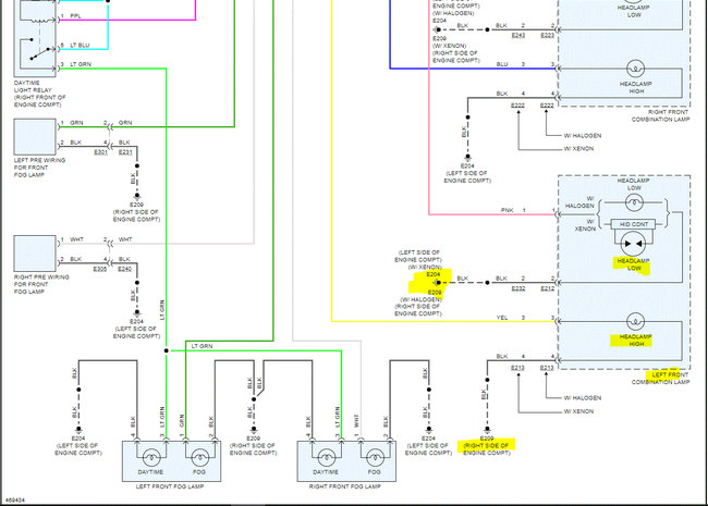
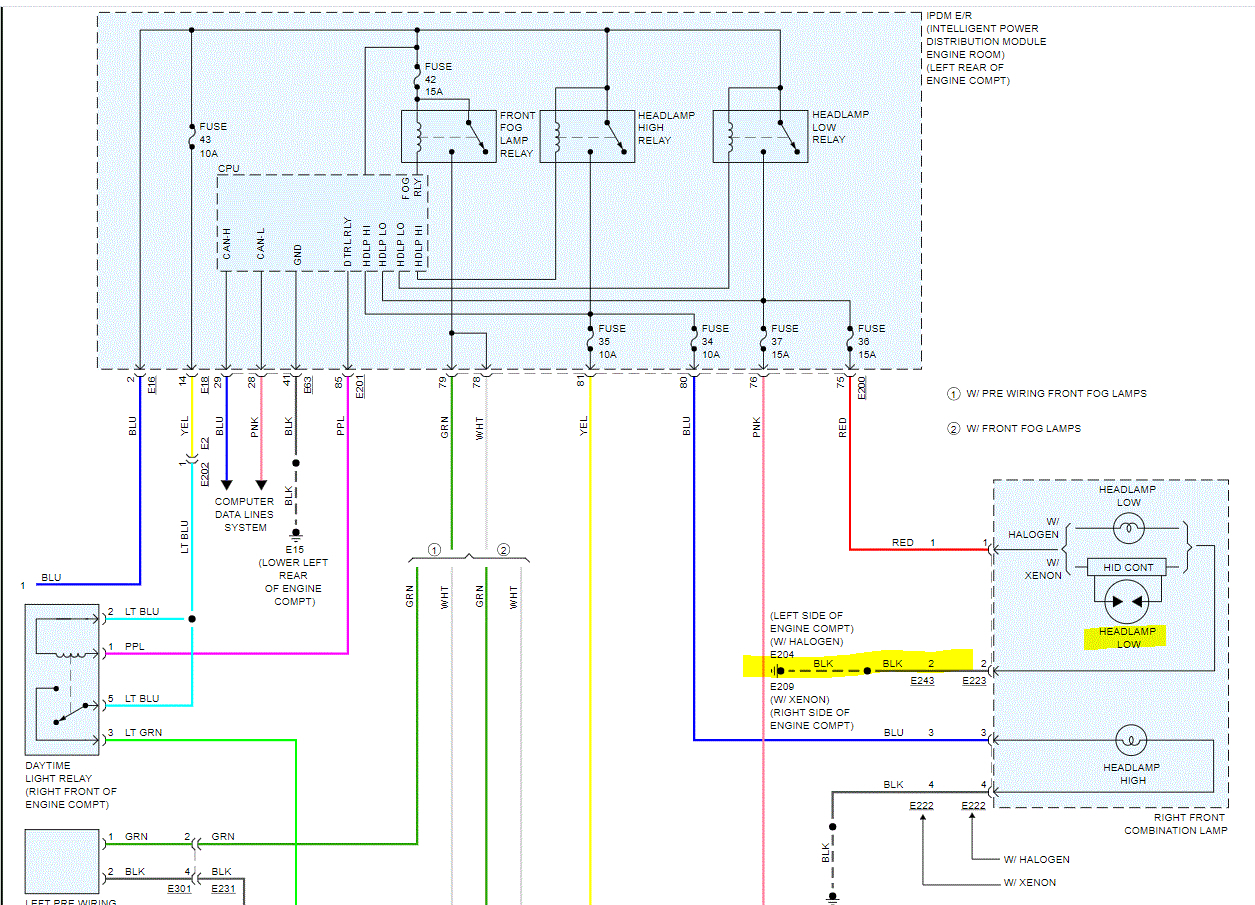
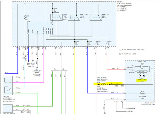
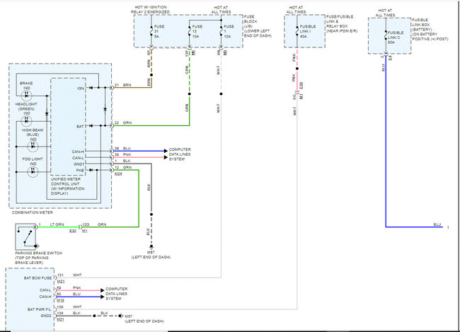
If you look at the attached pics below, I included the entire wiring schematic related to the headlamps. I highlighted 4 wires. Note: Each wire is for ground to a different bulb and different beams (high or low). If you are comfortable doing it, go to the light on the schematic showing the problem light. I highlighted where the ground location is located. Locate and inspect the ground as well. Make sure there isn't corrosion, damage to a wire, and make sure it is tight.

Let me know what you find or if you have other questions.

Take care,

Joe

See pics below.
Aug 2, 2021 at 9:07 PM
Advertisement
Avatar
BBF1995
  • MEMBER
  • 4 POSTS
Thanks for the quick response! It’s the passenger side low beam headlight. My apologies, the picture I included didn’t upload.
Aug 3, 2021 at 11:05 AM
Avatar
JACOBANDNICKOLAS
  • CAR REPAIR CONTRIBUTOR
  • 110,190 POSTS
Hi,

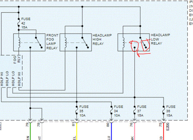
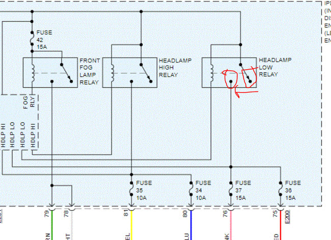
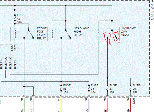
No problem whatsoever. None of those fuses have power? Do any of the lights work? They are all fused through those. Note that they will only get power when you turn the specific beam on which they power. IF you look at the second pic below, I attached the relay for the low beam. When you request low beam, the relay actuates and power is sent through fuse 36 for the right side low beam. That is the only time that fuse will have power.

Confirm there is 12v at the fuse when the low beams are turned on. I suspect it will have 12v because the left low beam is working. So that leaves the ground. Again, confirm there isn't anything causing resistance in the light socket and connection. Then, check the ground I highlighted in pic 1.

Let me know what you find.

Take care,

Joe

See pics below.
Aug 3, 2021 at 6:50 PM