One coil not getting power to it

Tiny
DRYWALLMAN79
  • MEMBER
  • 2005 FORD ESCAPE
  • 3.0L
  • V6
  • 150,534 MILES
Okay, one of the coils towards the front of the engine last one over passenger side is not getting power to the coil itself. Brand new spark plugs in it and replace that coil with a brand new one. Engine still has a miss and that coil still not getting power, still not firing. Swap that coil out with one right next to it and that cylinder still not getting power to the coil. What supplies power to the coils each? What should I check and or change?
Thursday, July 22nd, 2021 AT 7:02 PM

2 Replies

Tiny
JACOBANDNICKOLAS
  • MECHANIC
  • 110,192 POSTS
Hi,

The ignition coils should have power at all times. How they fire is via the powertrain control module (PCM). When it's time for the coil to fire, the PCM provides a ground path completing the circuit for a specific cylinder which leads to the spark plug getting spark.

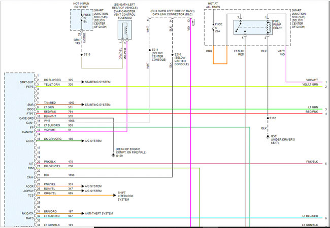
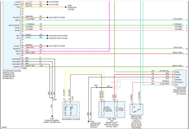
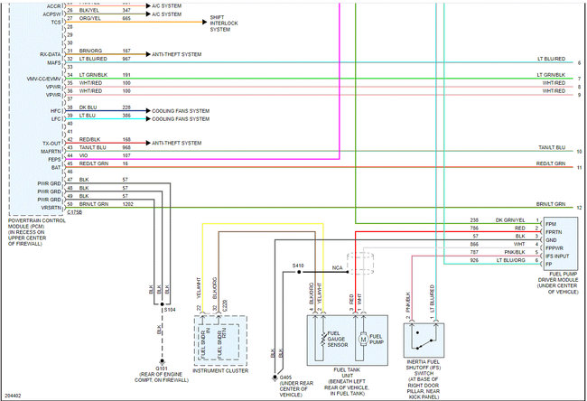
At each ignition coil, there should be a red wire (which is power) and another wire which color is determined by the cylinder number. With the ignition key in the run position, disconnect the coil that isn't working and check to see if there is power to the red wire. If there isn't, follow it. All of the coils get their power from the same supply, so if one has power, they all should. If one doesn't, either the connector is bad or the wire to that specific coil is broken, corroded, or damaged in some way.

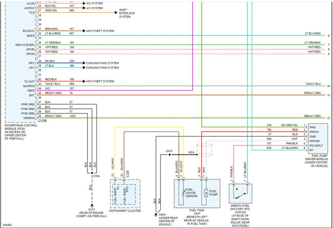
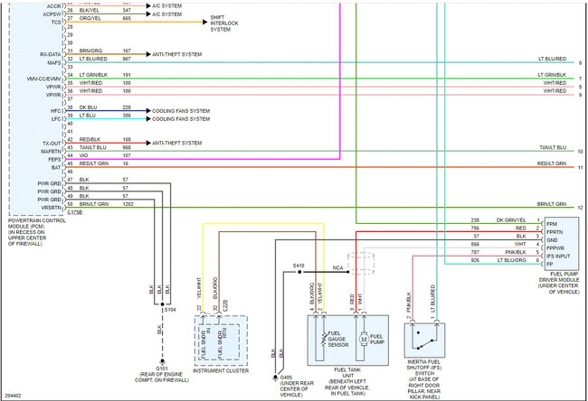
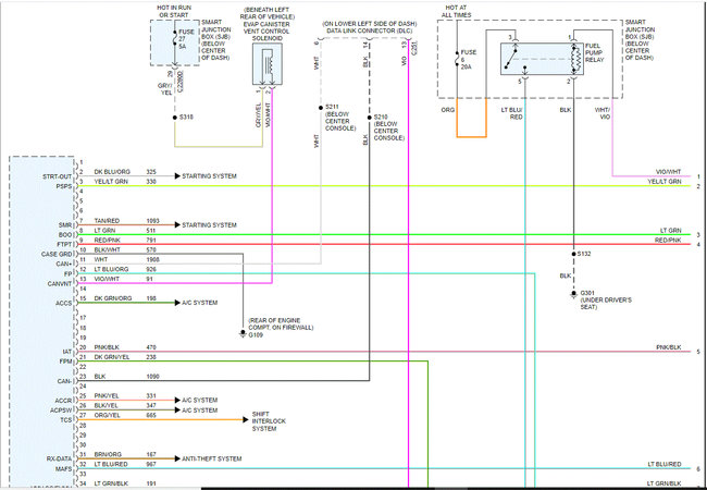
I attached the entire powertrain management wiring schematic below. I highlighted all wires related to powering the coils. Note that power comes from the PCM power relay and goes first to the fuel injectors and then one wire carries power to the coils and distributes it through a red wire going to each coil. The coils will be located on the last page of the wiring schematics below. Note that I had to cut each page in half to make them readable. I did overlap them so you can follow from one to the next.

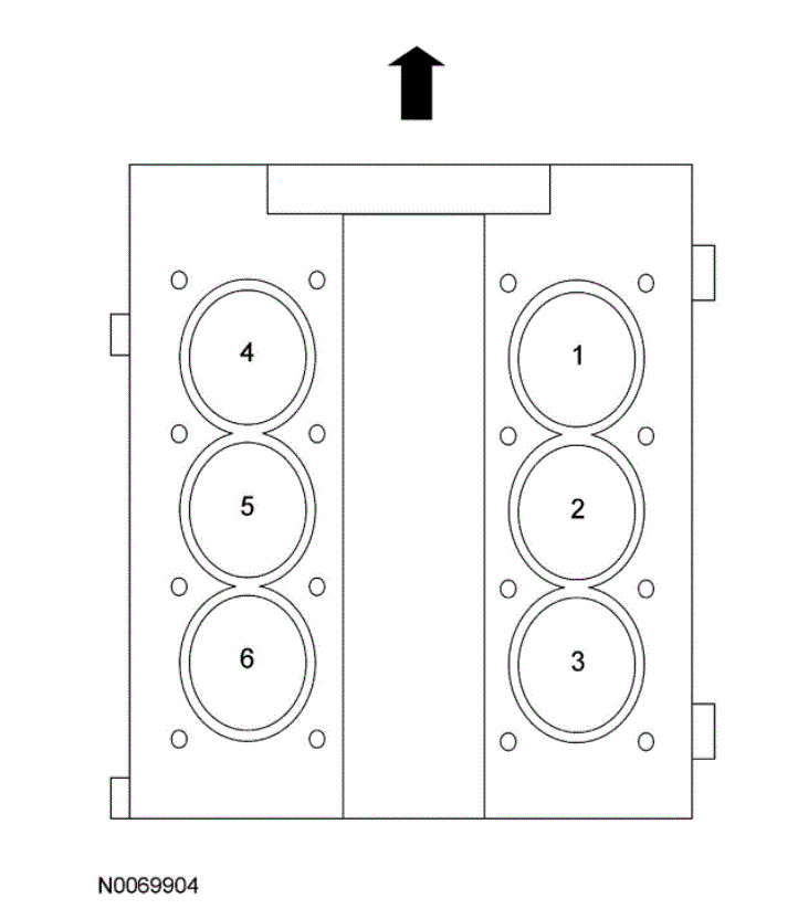
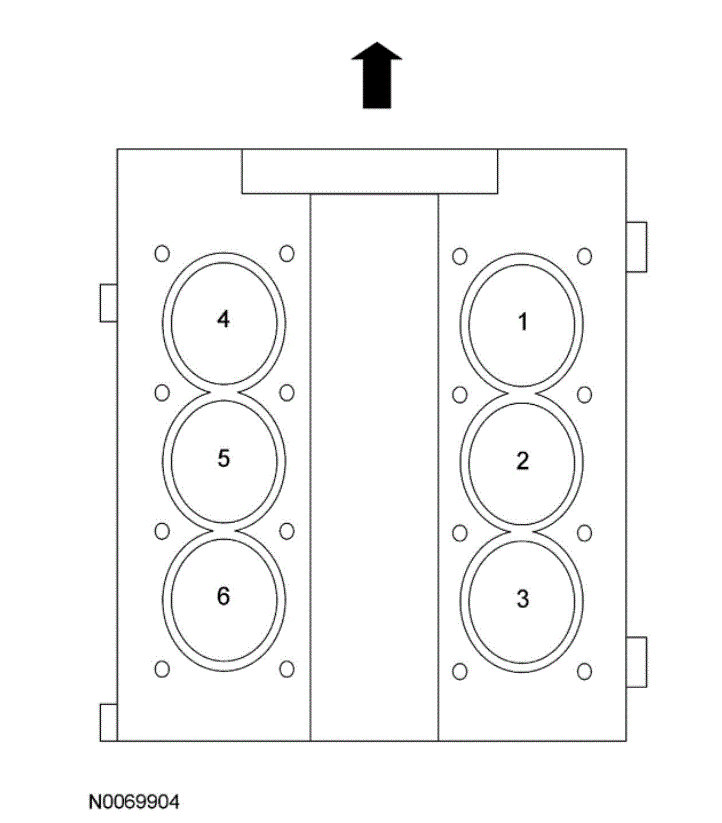
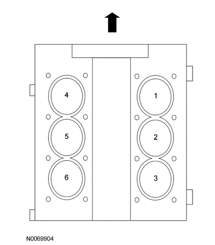
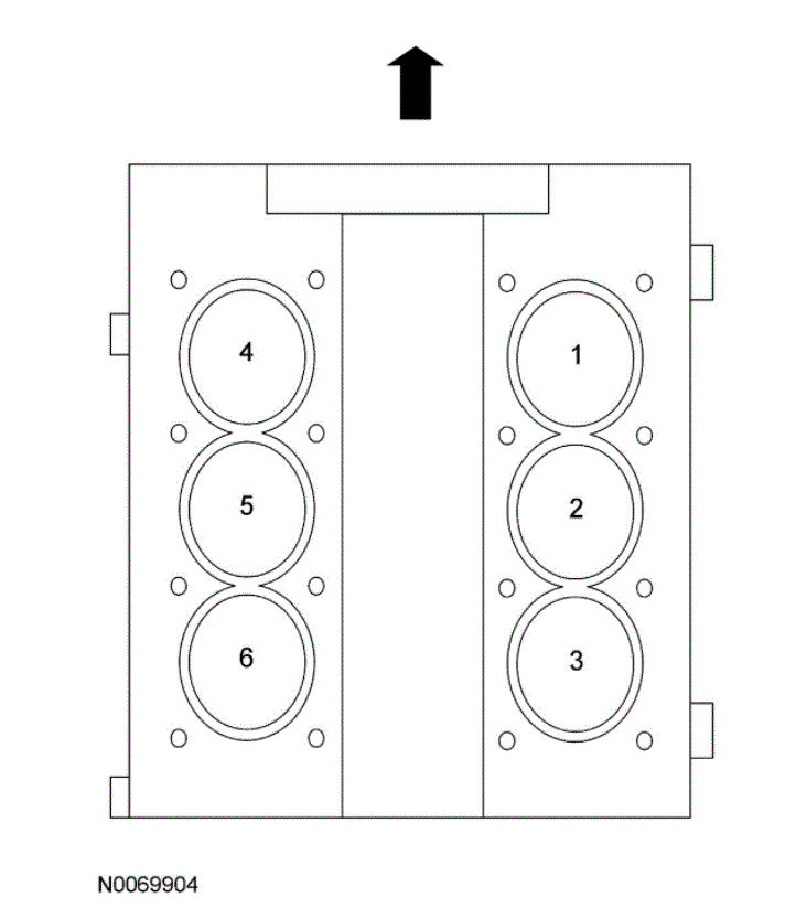
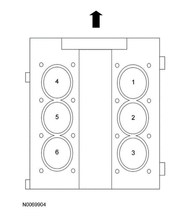
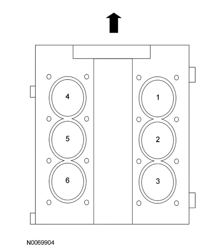
The first pic below shows the cylinder locations. You can use this to confirm which cylinder has the issue.

Here is a link you may find helpful when testing:

https://www.2carpros.com/articles/how-to-check-wiring

I hope this helps. Let me know what you find or if you have other questions.

Take care,

Joe

See pics below.
Was this
answer
helpful?
Yes
No
+2
Thursday, July 22nd, 2021 AT 8:56 PM
Tiny
STEVE W.
  • MECHANIC
  • 15,679 POSTS
To add a bit to the advice Joe gave, a quick way to test the voltages is to use a simple test light and a couple of small pins, First disconnect a coil on a good cylinder, now connect the test light to the two wires with the pins and have someone try to start the car, watch the light, it should flash as the firing signal activates that coil. Now reconnect the coil and do the same test on the bad coil connection. No flash? Take the ground side of the test light out of the connector and touch it to a known good ground, does the light come on? Yes- voltage is okay, control side is the issue, No light, put the wire back to the pin and disconnect the power side of the test light and connect it to battery positive, try starting the car, does the light flash like it did on the "good" coil feed. Yes? Control side is okay. Power feed is bad.

To repair it you have a couple options, the fast way would be to just bridge from the bad coil to a good coil feed. The better way would be to locate the splice in the harness shown in the diagrams, then open the wires there and replace the red wire that feeds the coil. If it failed at or between the splice and coil that removes the bad wire, and if it is corrosion at the splice you will discover that and can repair it.
If it's the control side that is the issue then you can use the guide to track the correct wire to the PCM and test there.
Was this
answer
helpful?
Yes
No
+6
Thursday, July 22nd, 2021 AT 10:26 PM

Please login or register to post a reply.