Driver side window rolls down but not up - window switch?

Tiny
NOODLESTC
  • MEMBER
  • 2 POSTS
Thank you for repying.
Before I take the door apart just one question.
Would a bad motor in the drivers side door effect the other window switches not working?
Was this
answer
helpful?
Yes
No
Friday, September 11th, 2020 AT 12:02 PM (Merged)
Tiny
BOOTDOG
  • MECHANIC
  • 665 POSTS
No it would not.
Was this
answer
helpful?
Yes
No
Friday, September 11th, 2020 AT 12:02 PM (Merged)
Tiny
ISAAC RANTA
  • MEMBER
  • 1 POST
My power window on my 2004 Chevrolet Impala will not work. I switched out both fuses and the motor and the switch. I looked for broken wires even though the switch lights up and still got nothing.
Was this
answer
helpful?
Yes
No
Friday, September 11th, 2020 AT 12:02 PM (Merged)
Tiny
MORALES112
  • MEMBER
  • 7 POSTS
  • CHEVROLET IMPALA
Where can I find a switch for a 2000 impala the driver window switch? I just need that one
Was this
answer
helpful?
Yes
No
Friday, September 11th, 2020 AT 12:02 PM (Merged)
Tiny
BOOTDOG
  • MECHANIC
  • 665 POSTS
That would be a dealer item only. You'll have to get it from a chevy dealer.
Was this
answer
helpful?
Yes
No
Friday, September 11th, 2020 AT 12:02 PM (Merged)
Tiny
KEN L
  • MASTER CERTIFIED MECHANIC
  • 55,291 POSTS
Hello,

It sounds like you are not getting power to the switch. Here is a guide to show you how to check for power:

https://www.2carpros.com/articles/how-to-use-a-test-light-circuit-tester

and

https://www.2carpros.com/articles/electric-window-repair

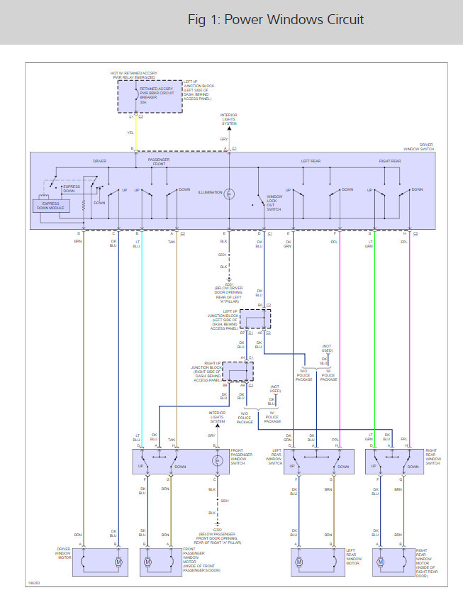
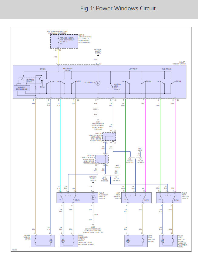
Here is the power window wiring diagrams so you can see how the system works.

Please run down these guides and diagrams and report back

Cheers, Ken
Was this
answer
helpful?
Yes
No
Friday, September 11th, 2020 AT 12:02 PM (Merged)
Tiny
MORALES112
  • MEMBER
  • 7 POSTS
  • CHEVROLET IMPALA
2000 impala driver window will roll down but wont roll back up do I need to get a new window switch? And if I already purchased it will it work if it's brand new?
Was this
answer
helpful?
Yes
No
Friday, September 11th, 2020 AT 12:02 PM (Merged)
Tiny
CHEVY22
  • MECHANIC
  • 1,375 POSTS
This is a bit tricky, you really need a test light to probe the switch on both sides while rocking it to see if power is going each way to condemn it
Was this
answer
helpful?
Yes
No
+1
Friday, September 11th, 2020 AT 12:02 PM (Merged)
Tiny
MORALES112
  • MEMBER
  • 7 POSTS
I did that and it would only go down it still wouldnt roll up
Was this
answer
helpful?
Yes
No
-1
Friday, September 11th, 2020 AT 12:02 PM (Merged)

Please login or register to post a reply.