Intermittently will not start in extremely hot weather

Tiny
NATIVEJIM
  • MEMBER
  • 2005 CHEVROLET MALIBU
  • 3.5L
  • 4 CYL
  • 2WD
  • AUTOMATIC
  • 179,000 MILES
It won't start in extremely hot weather, and only if it feels like starting. All the lights on the dashboard come on. When I turn it over, I hear no sound at all. Started about a month ago. I just replaced the alternator last May and it has a brand-new battery.

I really need my car to get to work and take care of my kids and it's really affecting my daily life.
If you need any more details, you can ask.
Thank you.
Wednesday, June 22nd, 2022 AT 8:08 PM

1 Reply

Tiny
JACOBANDNICKOLAS
  • MECHANIC
  • 110,194 POSTS
Hi,

Do you mean the starter won't engage? If that is the case and it only happens in extremely hot weather, it could be the starter or even the starter relay.

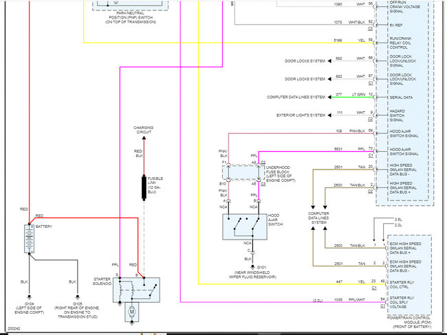
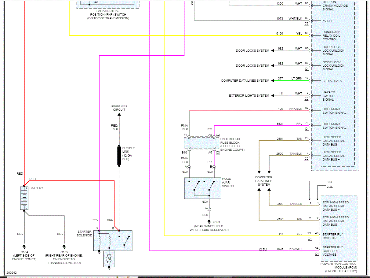
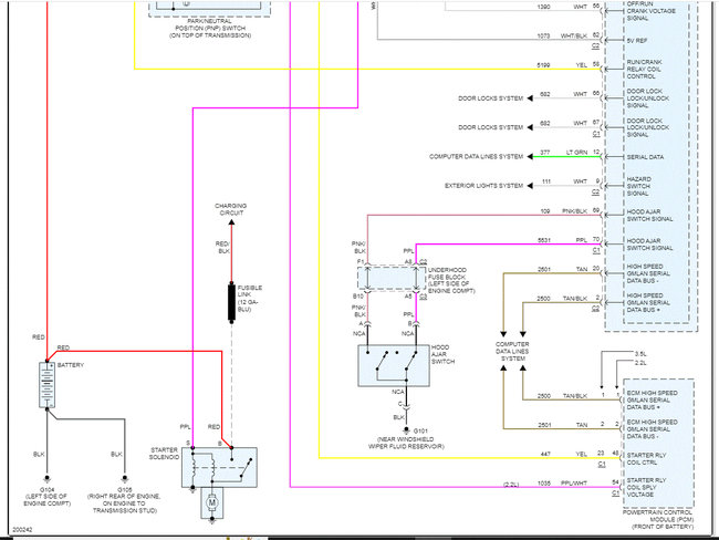
When it won't start, here is what I suggest. First, just to confirm it isn't an issue with the neutral safety switch, see if it will start in neutral. If there is no change, I need you to check for power at the starter.

If you are comfortable doing this, there will be two wires at the starter motor. One is a heavy gauge red wire that will have 12v at all times. There is a smaller gauge wire which is purple. The purple wire will have no power until the ignition key is turned to the start position. So, have a helper turn the key to the start position while you check for 12v at the purple wire on the starter. If you have 12v, the starter is going bad. If there is no power, we need to work backward to see where power is lost.

I attached the wiring schematic below for your review. Additionally, here is a link that you may find helpful:

https://www.2carpros.com/articles/starter-not-working-repair

Let me know what you find or if you have other questions.

Take care,

Joe

See pics below.
Was this
answer
helpful?
Yes
No
Wednesday, June 22nd, 2022 AT 8:57 PM

Please login or register to post a reply.