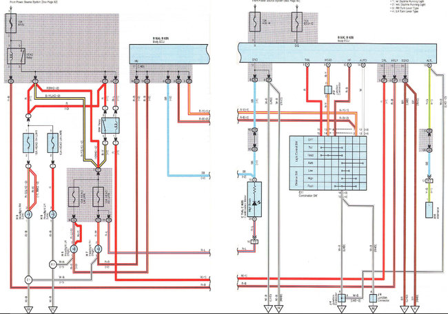
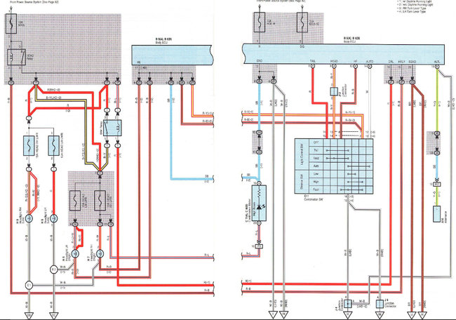
I am hoping someone can help out with this problem that has me bamboozled with the car listed above (Australian right hand drive).
Intermittently on low beam, neither of the four headlights left of right, inner or outer work (only the small parking lights work). Also, the "Intermittently" is getting worse so it hardly ever works.
But on high beam all four headlights work. So I figure all four bulbs and fuses are good. From the circuit diagrams I have found on the net, this seems an unlikely situation (unless I have the wrong circuit diagrams!). Note, that there are no day time running lights on this car.
Appreciate if anyone could shed some light on this.
Thanks!
Saturday, June 30th, 2018 AT 12:23 AM








