Friday, August 14th, 2020 AT 10:08 AM
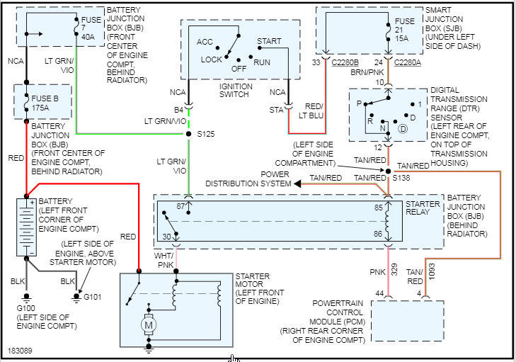
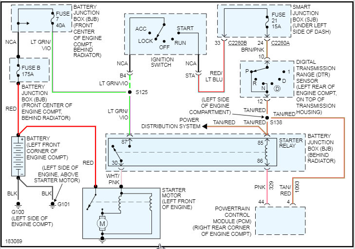
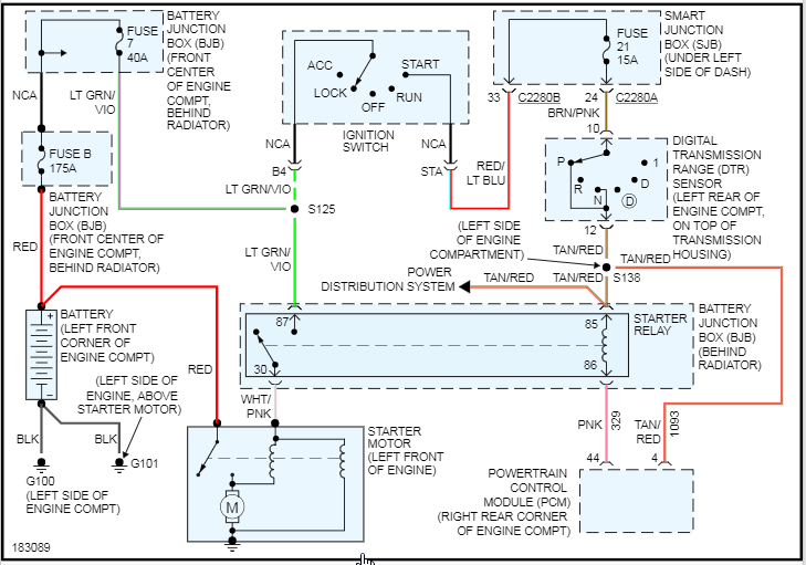
This one's kind of a hard one to follow so please try to hang with me. (Literally) was just driving my car and it was running fine. I got home, turned it off and ran in my house for a few minutes. I went back outside to leave, turned the key and nothing from the engine. Except one very very faint click. Then total silence. But I still had dash lights, radio, door dinger etc. Instantly I started checking fuses, they were good. Then I checked the battery, and it still had juice.I then decided to pull the starter and take it to O'reilly's to have it tested, lo and behold it fired up 3 times back to back at in the test box. I bring it home, put the starter back in (by this time I have tried to turn it over and whatnot so many times that it drained the battery and I didn't have a jump box or a trickle charger), I replace the battery, turn the key, and get nothing again. :( So, I ran a push button toggle to the starter and it started to turn over (and still does) but it just will not actually start to run. I keep hearing (from a few backyard mechanics that it's the ignition switch, the battery, the coil pack, the anti theft system (which I and 3 others tried all 11 ways we could find to reset and none worked). And my father (a certified mechanic of 27 years himself) says something about it's a bad wire or connection or something between the ignition and the coil pack and/or the coil pack and the plugs. Someone please help me solve this mind blistering problem.


