Working principle and wiring diagram of gear selector switch

Tiny
OBIORA
  • MEMBER
  • 2004 TOYOTA CAMRY
  • 4 CYL
  • AUTOMATIC
I want to know the working principle of the gear selector switch, which is usually mounted on the top surface of the gear box which controls the starter motor when in neutral or park position the wire harness, its functions and where it is linked to?
Thursday, April 14th, 2022 AT 3:37 AM

5 Replies

Tiny
JACOBANDNICKOLAS
  • MECHANIC
  • 110,192 POSTS
Hi,

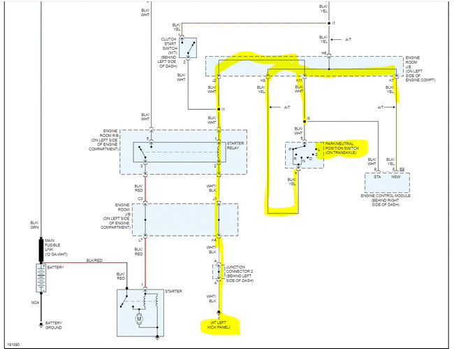
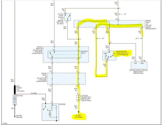
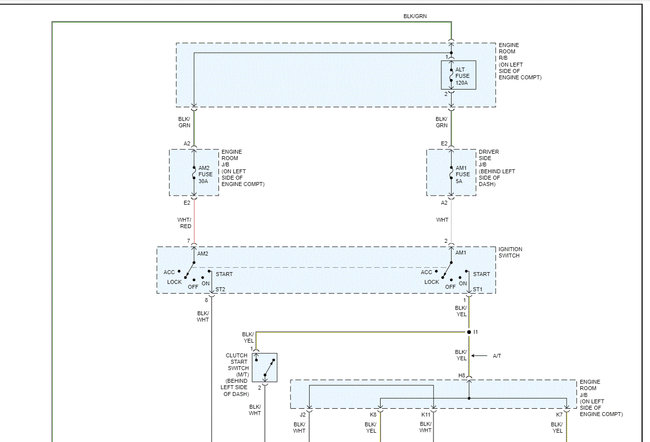
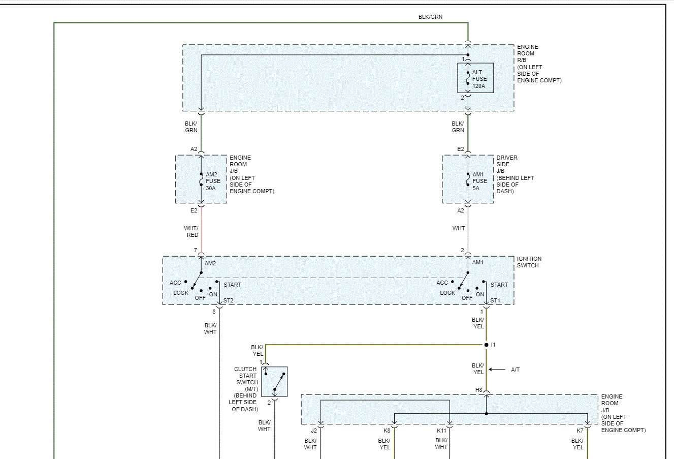
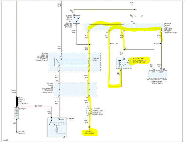
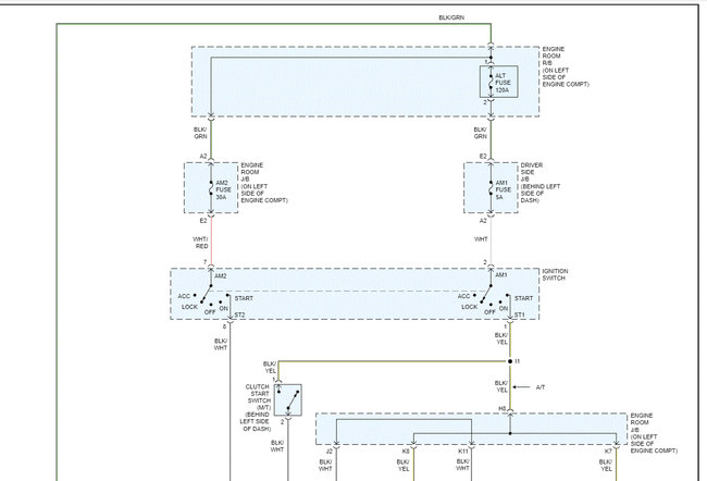
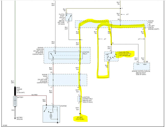
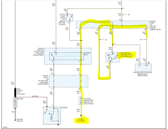
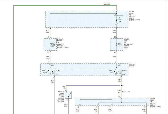
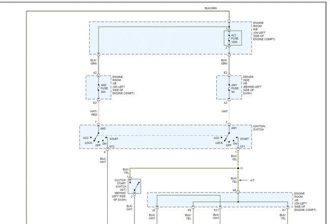
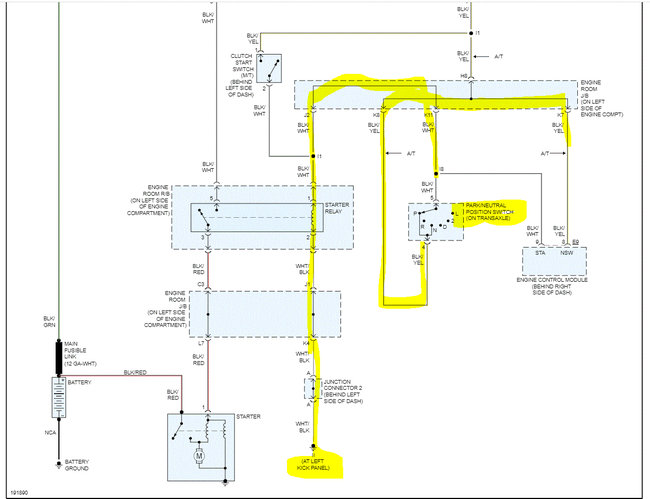
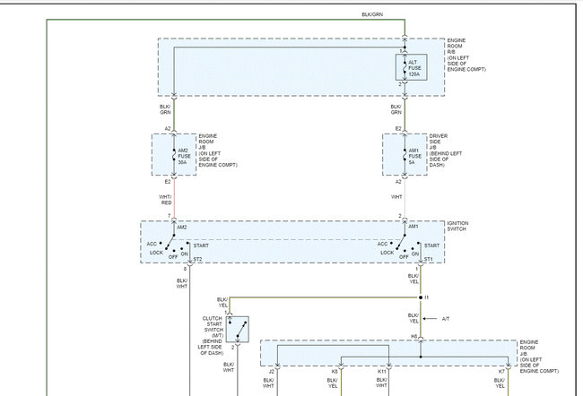
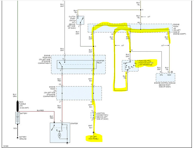
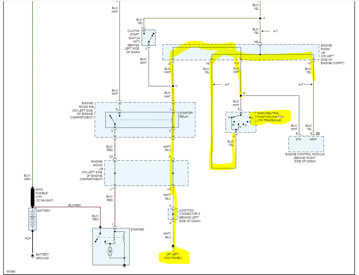
The neutral/park switch is located on the transmission as you know for the starter motor to engage, the switch has to be in park or neutral to complete the electrical circuit. Power from the engine control module is sent to the park/neutral switch, through the starter relay, and then to ground. Once that happens, the starter relay is triggered and power to the starter motor is provided power (12v) to the S terminal (smaller wire) on the starter motor. That functions as another relay which in turn allows the starter to engage.

Take a look through the schematic and let me know if what I described makes sense.

Take care,

Joe

See pics below. Note: The schematic below (starter circuit) was one page. I had to cut it in half to make it readable for you. I did overlap them so you can follow from one to the next.
Was this
answer
helpful?
Yes
No
+5
Thursday, April 14th, 2022 AT 7:56 PM
Tiny
OBIORA
  • MEMBER
  • 10 POSTS
Thank you so much, sir. You are straight and simply in your explanation as much as possible only that the diagram looks a bit difficult for me to understand. If there is a more simplified or animated diagram that also will real help.
Was this
answer
helpful?
Yes
No
Thursday, April 14th, 2022 AT 11:16 PM
Tiny
JACOBANDNICKOLAS
  • MECHANIC
  • 110,192 POSTS
Hi,

I'm sorry. That is the only diagram I have. However, I would be happy to answer questions if you have them. It's not a problem whatsoever.

Let me know.

Joe
Was this
answer
helpful?
Yes
No
Friday, April 15th, 2022 AT 6:47 PM
Tiny
OBIORA
  • MEMBER
  • 10 POSTS
Thank you, sir, I am okay for now. I dually I appreciate your kindness.
Was this
answer
helpful?
Yes
No
Saturday, April 16th, 2022 AT 12:23 AM
Tiny
JACOBANDNICKOLAS
  • MECHANIC
  • 110,192 POSTS
You are very welcome. I'm here if you need something.

Take care of yourself and I wish you and your family a Happy Easter.

Joe
Was this
answer
helpful?
Yes
No
Saturday, April 16th, 2022 AT 4:45 PM

Please login or register to post a reply.