Turn the ignition key on nothing happens

Tiny
BRIAN. PALMER
  • MEMBER
  • 2012 MITSUBISHI LANCER
  • 2.4L
  • 4WD
  • AUTOMATIC
  • 60,000 MILES
Turn the ignition key on nothing happens. Also the power windows do not work, headlights work, taillights work, interior lights work dash, lights no.
Saturday, March 30th, 2019 AT 5:29 AM

1 Reply

Tiny
KASEKENNY
  • MECHANIC
  • 18,907 POSTS
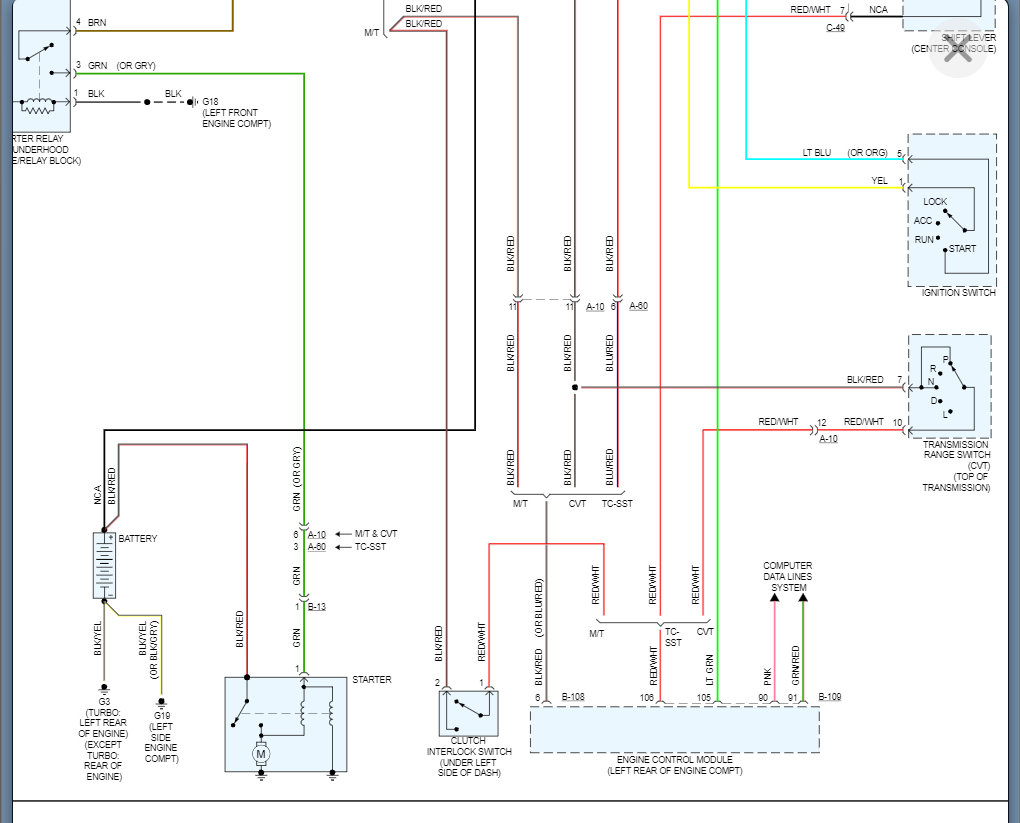
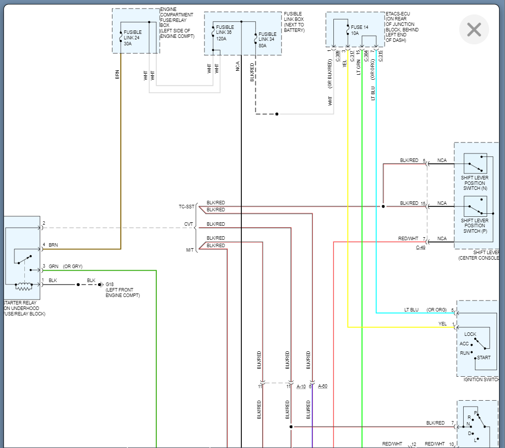
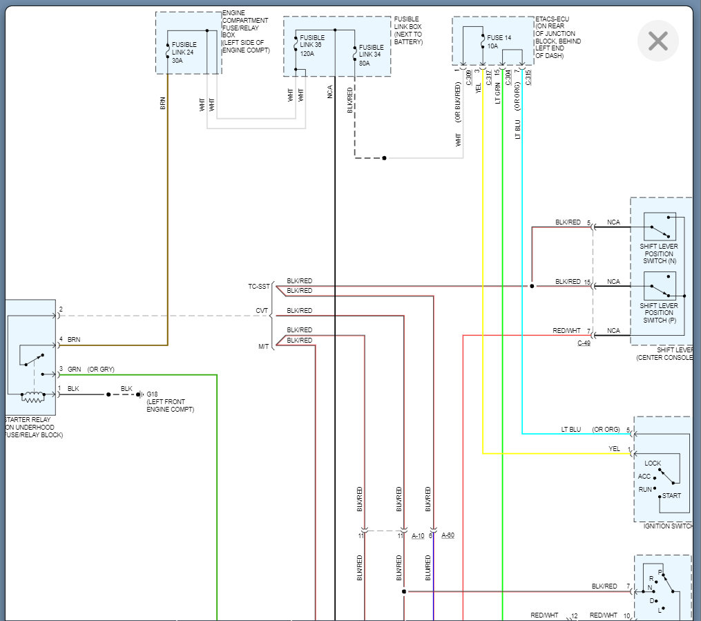
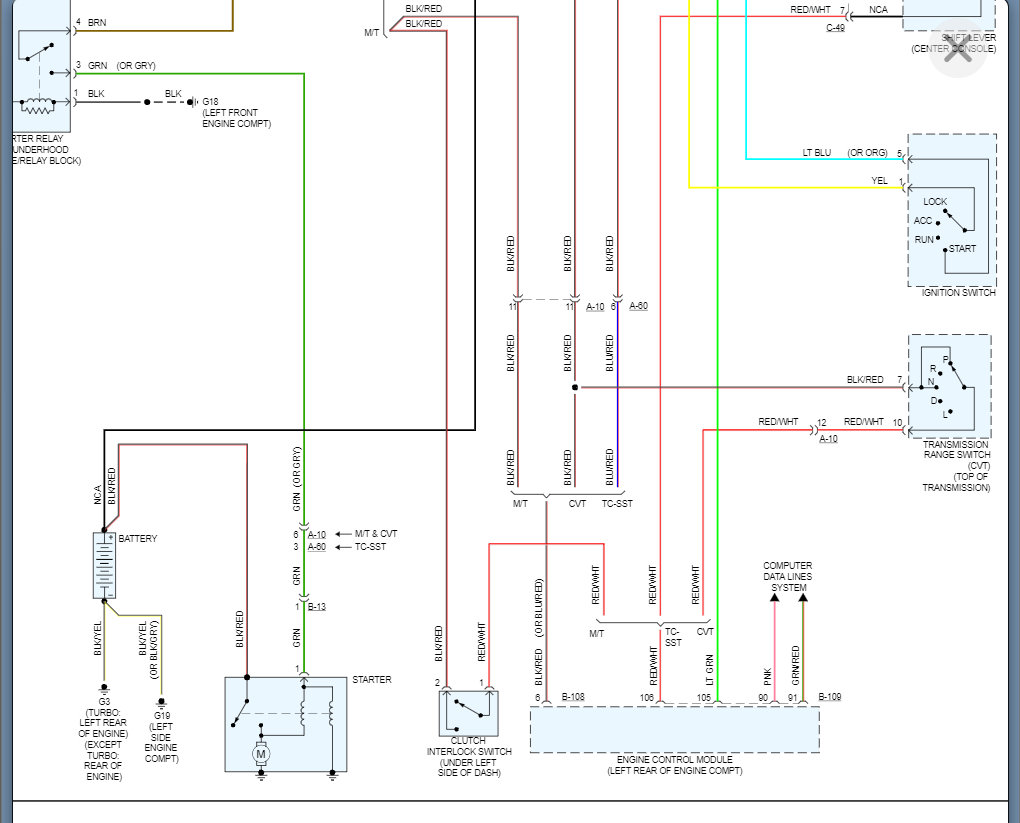
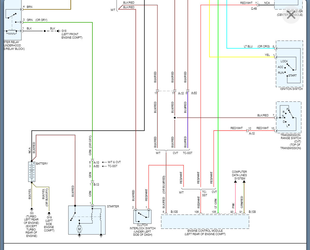
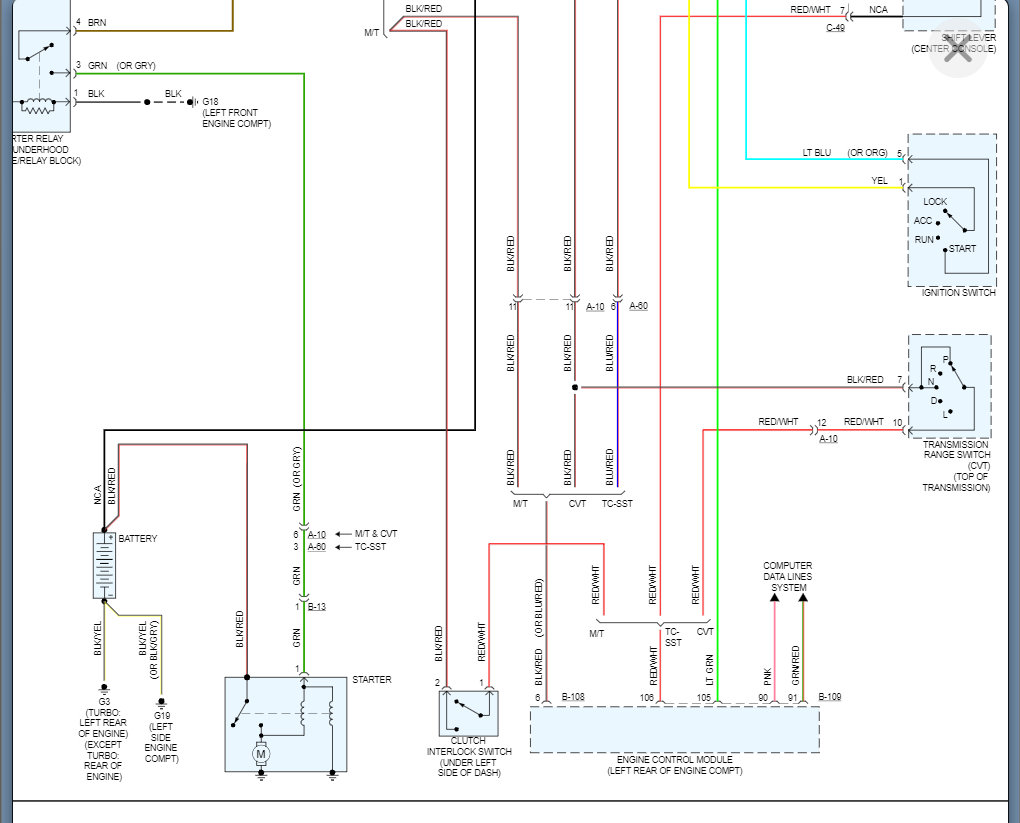
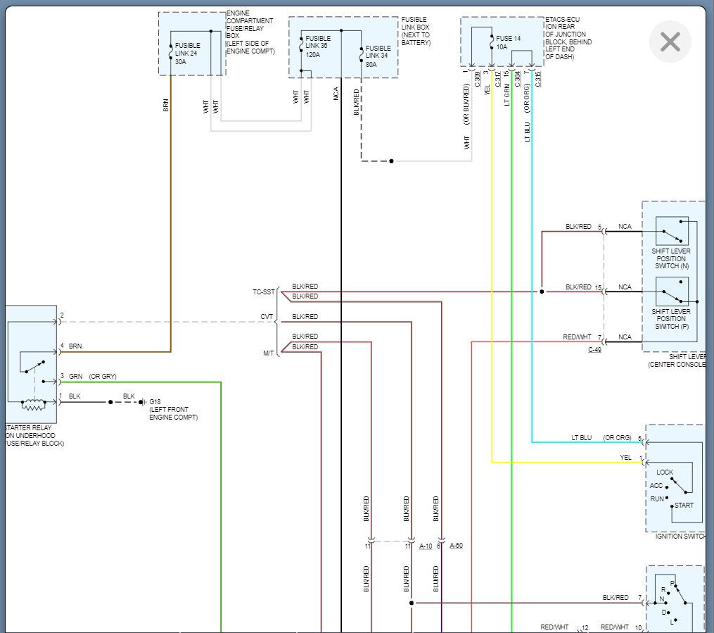
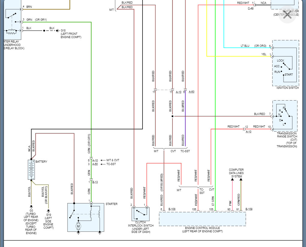
If nothing happens then we have either an issue with the ignition switch or the starter.

So, we need to start with checking the voltage at the starter and find out what is there.

Here is a guide that will help with this:

https://www.2carpros.com/articles/starter-not-working-repair

In order to check the voltage these guides will give the detail needed.

https://www.2carpros.com/articles/how-to-check-wiring

https://www.2carpros.com/articles/how-to-use-a-voltmeter

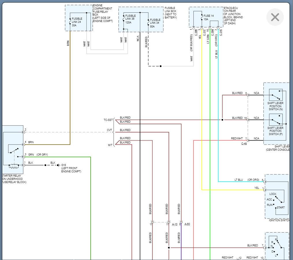
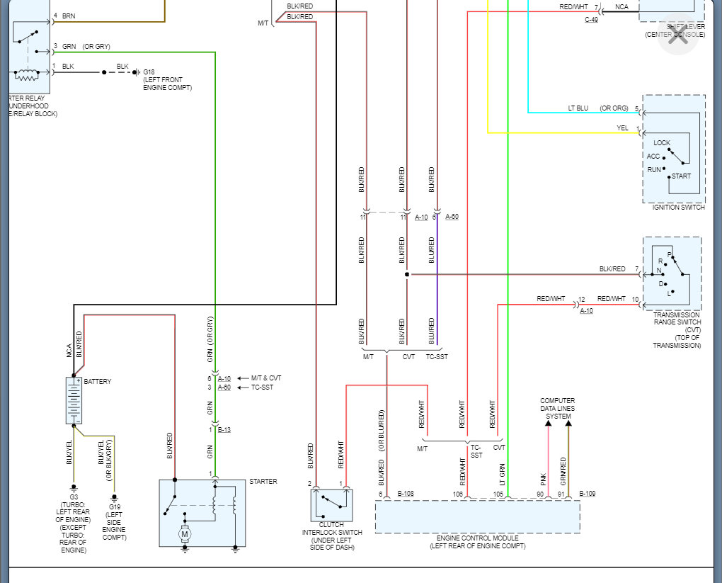
I attached the wiring diagrams below that will help with this testing. However, if you have no voltage then we need check the relay and the transmission range sensor. Basically, if the ECM doesn't know the vehicle is in park, then it will not start the engine.

Let us run through this and we can go from there. Thanks
Was this
answer
helpful?
Yes
No
Saturday, October 23rd, 2021 AT 4:29 PM

Please login or register to post a reply.

Related Engine Not Cranking Over Content