Will not turn over

Tiny
DAN HAL
  • MEMBER
  • 2005 MERCURY MARINER
  • 3.0L
  • V6
  • 4WD
  • AUTOMATIC
  • 98,000 MILES
Has been sitting for 3 years. New battery. Will turn over if I jumper the start relay, dash shows drive, no matter what position the shifter is in. Replaced transmission range switch. Checked all the normal problems. No luck.
Friday, January 10th, 2020 AT 12:31 PM

18 Replies

Tiny
JACOBANDNICKOLAS
  • MECHANIC
  • 110,192 POSTS
Hi,

Since you replaced the range sensor, does it still show drive? I attached a picture from the starting system wiring schematic. The pic indicates fuses that power the switch. Check the ones I circled. Also, make sure there is power out of the range sensor, tan/red wire. Also, I need you to check the relay itself.

https://www.2carpros.com/articles/how-to-check-an-electrical-relay-and-wiring-control-circuit

Let me know what you find.

Joe
Was this
answer
helpful?
Yes
No
Friday, January 10th, 2020 AT 5:28 PM
Tiny
DAN HAL
  • MEMBER
  • 11 POSTS
It still shows drive. Power on tan/red stripe wire when turned to start. Passenger compartment fuse #4 10A is good (Ignition switch), Engine compartment fuse #16 25A is good (I/P fuse panel RUN/START), Pulled relay and tested, it's good.
Was this
answer
helpful?
Yes
No
Saturday, January 11th, 2020 AT 9:33 AM
Tiny
JACOBANDNICKOLAS
  • MECHANIC
  • 110,192 POSTS
If it still indicates drive regardless of gear position, are you sure the linkage cable to the transmission is moving? I ask because there is always power through the range sensor. Voltages change based on gear selection. Based on the voltage changes, the powertrain control module identifies what gear the vehicle is in Since the new switch hasn't made a difference, either the linkage isn't moving the shift lever or something has corroded and not moving the RS.

Here are directions for shift cable adjustment. I'm adding these so you can confirm it is working properly and is actually changing the gears. The attached pics correlate with the directions.

___________________________________

2005 Mercury Truck Mariner 4WD V6-3.0L VIN 1
Cable Adjustment - Shift Indicator
Vehicle Transmission and Drivetrain Automatic Transmission/Transaxle Adjustments Cable Adjustment - Shift Indicator
CABLE ADJUSTMENT - SHIFT INDICATOR
Selector Lever Cable Adjustment

pic 1

1. Place the floor shift selector lever in the (D) position.

Pic 2

2. Loosen the bolt for the Z-bracket and rotate the Z-bracket counterclockwise to allow access to the shift cable bracket.

Pic 3

3. Loosen the gearshift cable adjuster to adjust the cable by turning it turn counterclockwise.

Pic 4

4. Place the transmission manual control lever in the DRIVE position.

Pic 5

5. Tighten the cable adjustment ring by turning it clockwise turn.

Pic 6

6. Rotate the Z-bracket clockwise over the shift cable end fitting.
Tighten to 9 Nm (80 inch lbs.).

_________________________________

Let me know.

Joe
Was this
answer
helpful?
Yes
No
Saturday, January 11th, 2020 AT 7:53 PM
Tiny
DAN HAL
  • MEMBER
  • 11 POSTS
I can see the cable and switch move as I had someone move the shifter from park to drive.
Was this
answer
helpful?
Yes
No
Sunday, January 12th, 2020 AT 11:20 AM
Tiny
DAN HAL
  • MEMBER
  • 11 POSTS
When I put the new switch on I had the selector in the neutral position, From what I read I assume that is correct? (Marks on the new switch lined up and shifter in neutral)
Was this
answer
helpful?
Yes
No
Sunday, January 12th, 2020 AT 4:44 PM
Tiny
JACOBANDNICKOLAS
  • MECHANIC
  • 110,192 POSTS
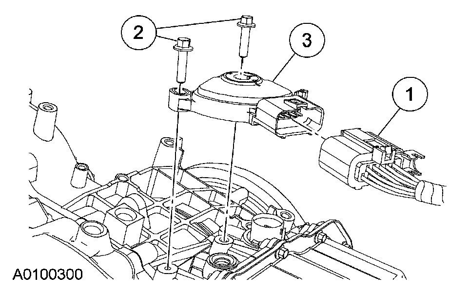
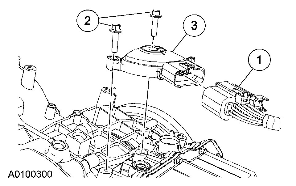
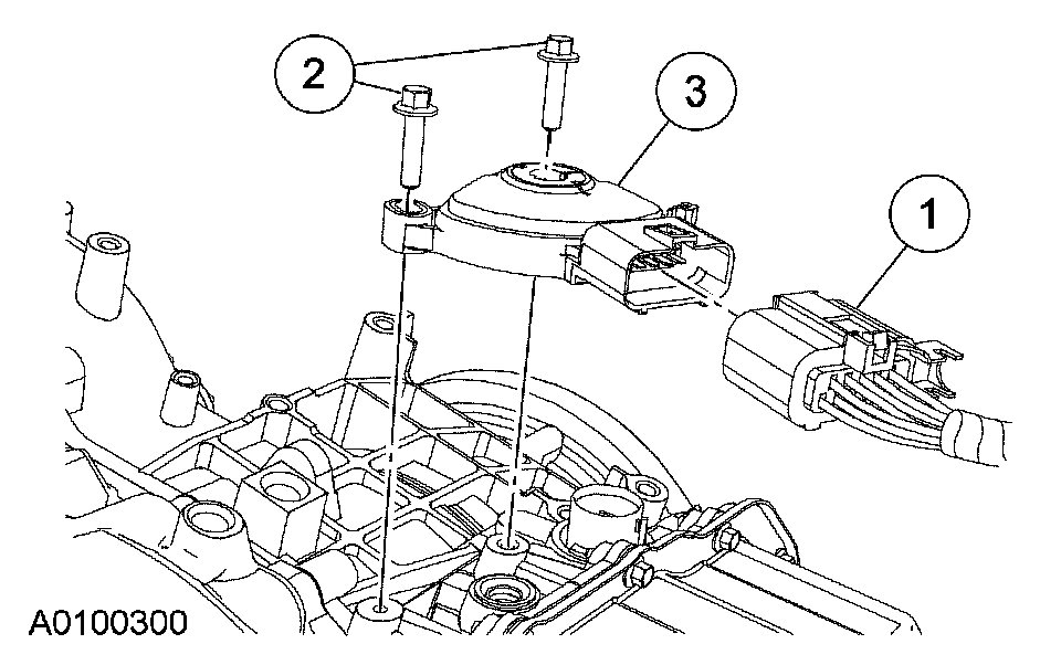
Here are the directions for replacement of the sensor. Take a look through them to confirm you got it together correctly. The vehicle still thinks it is in drive, so for some reason, the range sensor isn't moving or there are other issues.

____________________________________

2005 Mercury Truck Mariner 4WD V6-3.0L VIN 1
Removal and Replacement
Vehicle Powertrain Management Sensors and Switches - Powertrain Management Sensors and Switches - Computers and Control Systems Transmission Position Sensor/Switch Service and Repair Removal and Replacement
REMOVAL AND REPLACEMENT
Transmission Range (TR) Sensor

pic 1

Special Tool(s)

Removal
1. With the vehicle in NEUTRAL, position it on a hoist.
2. Remove the battery and tray.

Pic 2

3. Remove the Transmission Range (TR) sensor.
1 Disconnect the TR sensor electrical connector.
2 Remove the TR sensor retaining bolts.
3 Remove the TR sensor.

Installation

pic 3

1. NOTE: Make sure the transaxle is in the NEUTRAL position.

Install the TR sensor and loosely install the bolts.

Pic 4

2. Using the special tool, align the TR sensor and tighten the bolts.
Tighten to 12 Nm (9 ft. Lbs.).

Pic 5

3. Connect the TR sensor electrical connector.
4. Install the battery and tray.
5. Check the correct operation. The engine should start only in PARK or NEUTRAL. The reverse lamps should illuminate in the REVERSE position.

________________________

Let me know. If you feel it was properly installed, see if it will crank in any other position. Just make sure your foot is on the brake.

Joe
Was this
answer
helpful?
Yes
No
Sunday, January 12th, 2020 AT 5:46 PM
Tiny
DAN HAL
  • MEMBER
  • 11 POSTS
Rechecked TR switch it is installed right. Holding brake it won’t crank, tried all positions, also no reverse light in any position.
Was this
answer
helpful?
Yes
No
Monday, January 13th, 2020 AT 11:23 AM
Tiny
JACOBANDNICKOLAS
  • MECHANIC
  • 110,192 POSTS
I have one last thing to check. Remove the sensor and manually turn it to see if you get reverse lights and if it will start. Either something is preventing it from turning or we have a totally different issue.

Let me know.

Joe
Was this
answer
helpful?
Yes
No
Monday, January 13th, 2020 AT 7:37 PM
Tiny
DAN HAL
  • MEMBER
  • 11 POSTS
I did have the sensor off and turned it by hand to see if it would change the dash out of drive, it did not come out of drive on the dash, will check for backup lights & start
Was this
answer
helpful?
Yes
No
Monday, January 13th, 2020 AT 8:31 PM
Tiny
JACOBANDNICKOLAS
  • MECHANIC
  • 110,192 POSTS
If the light didn't change, we have an wiring issue. You can try it to see if it works, but I suspect it won't.

Let me know. Also, reconfirm the connector is in good condition and no pins are pushed in or damaged.

Joe
Was this
answer
helpful?
Yes
No
Monday, January 13th, 2020 AT 9:09 PM
Tiny
DAN HAL
  • MEMBER
  • 11 POSTS
I turned the switch by hand. No back up lights and no start in any position. Connectors and pins look good. I found an article for 2005 Ford Escape with the same issue they found bad wires under battery box. At first glance it looked good, but after I pulled the covering off the wires it looks like I may have some corroded wires.
Was this
answer
helpful?
Yes
No
Tuesday, January 14th, 2020 AT 1:56 PM
Tiny
JACOBANDNICKOLAS
  • MECHANIC
  • 110,192 POSTS
I know there is a large wire splice near the battery. Are the wires white with a red tracer? Tale a look at the schematic I attached. If possible, take a pic of what you see and upload it so I can look at it.

Joe
Was this
answer
helpful?
Yes
No
Tuesday, January 14th, 2020 AT 6:32 PM
Tiny
DAN HAL
  • MEMBER
  • 11 POSTS
Good news bad wires going into that large splice, the one that broke looks white with a red tracer. Replaced three sections of three wires. It now shifts out of drive on the dash and turns over with the key. Will try starting once I get it back together.
Was this
answer
helpful?
Yes
No
Wednesday, January 15th, 2020 AT 7:35 PM
Tiny
DAN HAL
  • MEMBER
  • 11 POSTS
I had to cut the wrap on the harness and pull it back to find the bad wires.
Was this
answer
helpful?
Yes
No
Wednesday, January 15th, 2020 AT 7:41 PM
Tiny
DAN HAL
  • MEMBER
  • 11 POSTS
Thank you for the help.
Was this
answer
helpful?
Yes
No
Wednesday, January 15th, 2020 AT 7:49 PM
Tiny
JACOBANDNICKOLAS
  • MECHANIC
  • 110,192 POSTS
Wow, they look rough. And the broken one is white with a red tracer. I'm glad you got if going again. Sorry for the delayed response. I ended up in the Hospital for a couple days. I just got home a few hours ago.

If I was of help, you are very welcome. Please feel free to come back any time in the future if you have questions.

Take care,
Joe
Was this
answer
helpful?
Yes
No
Thursday, January 16th, 2020 AT 3:58 PM
Tiny
DAN HAL
  • MEMBER
  • 11 POSTS
Hope your feeling better. Finished putting it back together today started right up, Running and driving. Thanks
Was this
answer
helpful?
Yes
No
Thursday, January 16th, 2020 AT 4:43 PM
Tiny
JACOBANDNICKOLAS
  • MECHANIC
  • 110,192 POSTS
I'm now in my 50's, so it doesn't seem to be getting any better. There is always something new. LOL

Regardless, I'm glad it's running. Enjoy it!

Take care and hope you come back if you need anything.

Joe
Was this
answer
helpful?
Yes
No
Thursday, January 16th, 2020 AT 4:53 PM

Please login or register to post a reply.