U0102 Lost Communication with Transfer Case Control Module
U0293 Lost Communication With Hybrid - Hybrid Powertrain Control Module (HPCM)
U1817 00; Definition: Lost Communication With Hybrid Powertrain Control Module on Bus "B"
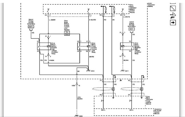
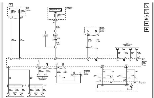
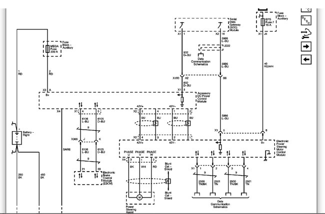
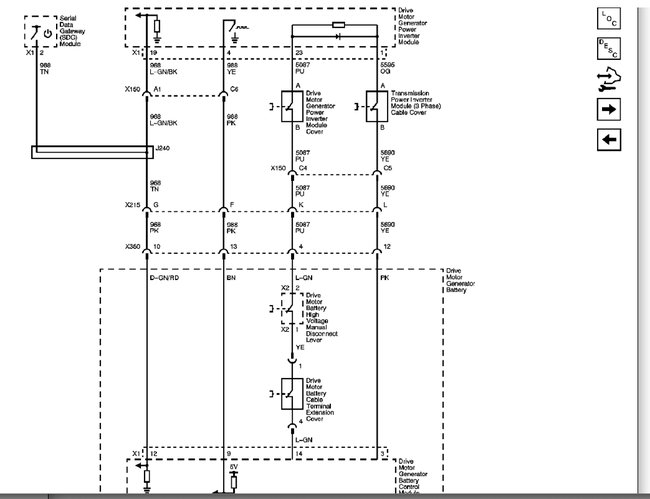
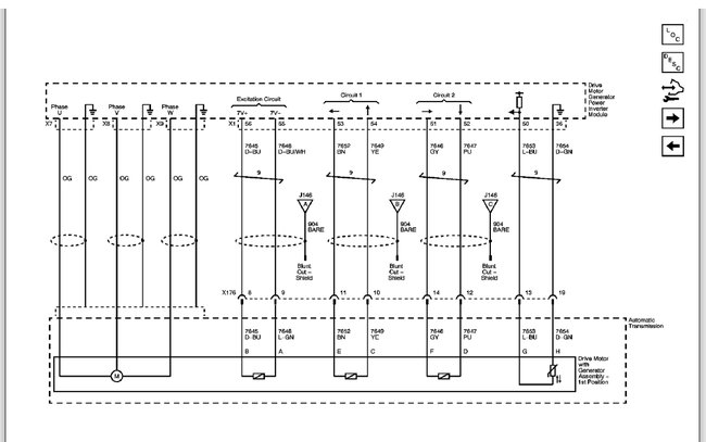
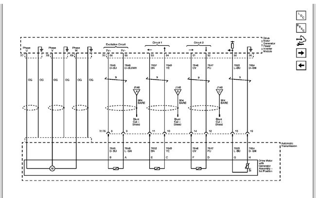
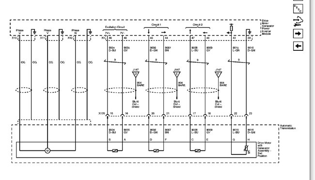
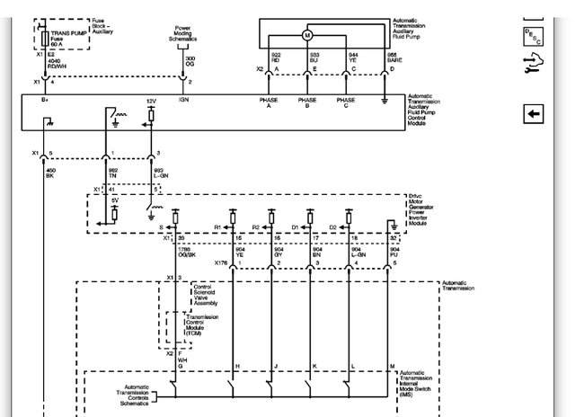
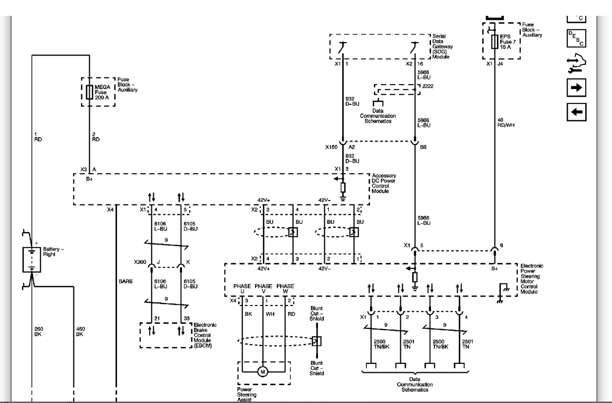
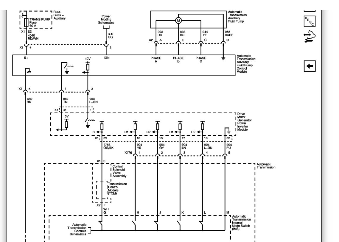
We need to check power and ground to these modules. Here is the location. Check out the diagrams (below). Please let us know what you find.
Was this helpful?
Yes
No
Monday, February 17th, 2020 AT 9:59 AM










