Monday, March 14th, 2022 AT 11:30 PM
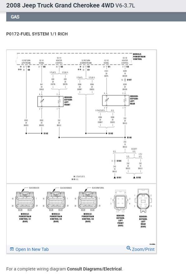
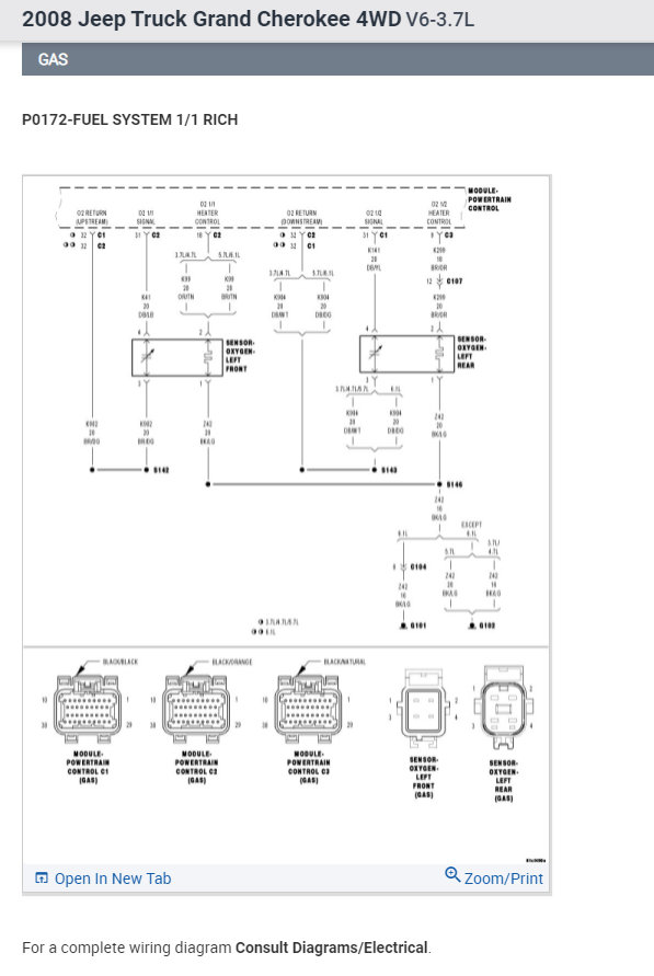
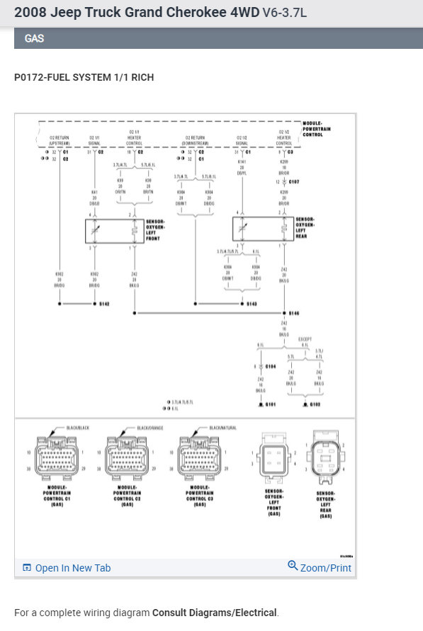
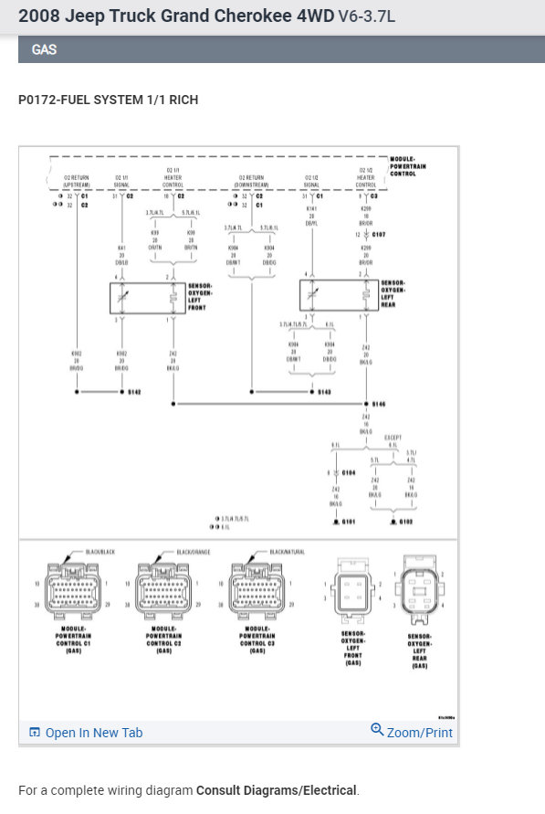
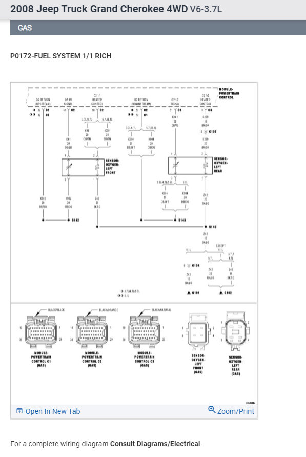
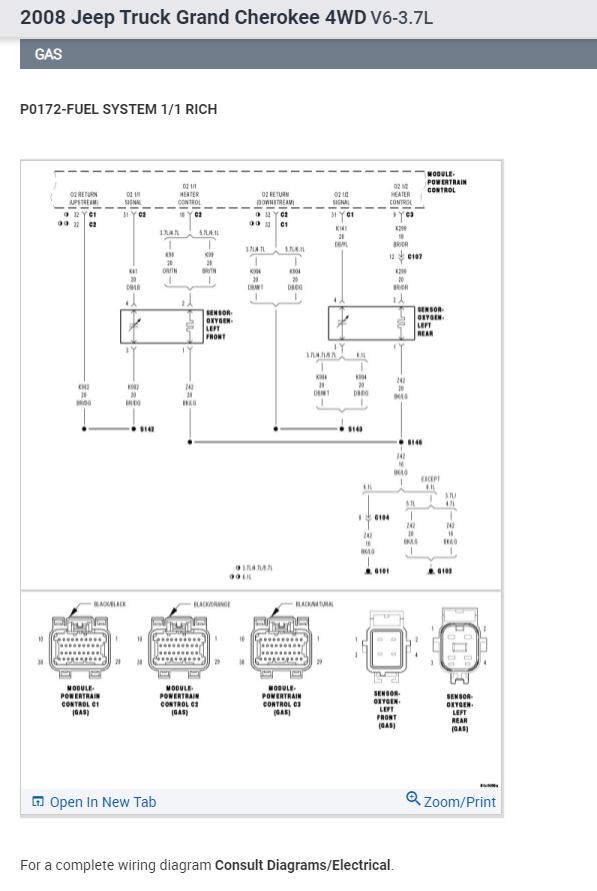
Vehicle won't run, idle keeps shutting off and throwing code Po174 and Po172 codes. Can someone steer me in the right direction to get this truck running again.















