Will not start

1989 MERCURY TOPAZ
77,345 MILES
Avatar
COXY
  • MEMBER
  • 1 POST
I have a new battery, solenoid and cables, but it won’t start unless I jump across the solenoid. I cleaned all the ground cables. any suggestions?
Jan 12, 2022 at 5:21 AM
Repair Safety Notice: This information is for general instructional purposes only. Vehicle repair can be dangerous. Verify all information, follow manufacturer service procedures, use proper tools and safety equipment, and consult a qualified repair shop when needed.
Advertisement
Avatar
JACOBANDNICKOLAS
  • CAR REPAIR CONTRIBUTOR
  • 110,190 POSTS
Hi,

It could be a few things. First, will it start if you place the transmission in neutral? If it does, then we need to focus on the neutral safety switch. If it doesn't, then we need to check the wiring.

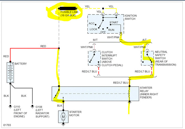
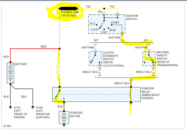
First, I attached the wiring schematic for the starter circuit below. The first thing that caught my eye was a fusible link that could be causing an issue. If you look at pic 2, I highlighted 3 fusible links from the starter solenoid. Disconnect one at a time and check for continuity through the link to see if it is good.

Here is a link you may find helpful:

https://www.2carpros.com/articles/how-to-check-wiring

If they check good, then we need to make sure there is power at the yellow wire to the ignition switch.

Let me know what you find.

Joe

See pic below.


Jan 12, 2022 at 7:39 PM
Advertisement