Cranks will not start, dash board lights up

Tiny
FELIZ8565
  • MEMBER
  • 1996 CADILLAC DEVILLE
  • AUTOMATIC
  • 112,000 MILES
Checked filter gas coming out of it. Not getting to the engine. What to do?
Wednesday, September 4th, 2019 AT 7:14 PM

1 Reply

Tiny
KASEKENNY
  • MECHANIC
  • 18,907 POSTS
Hi,

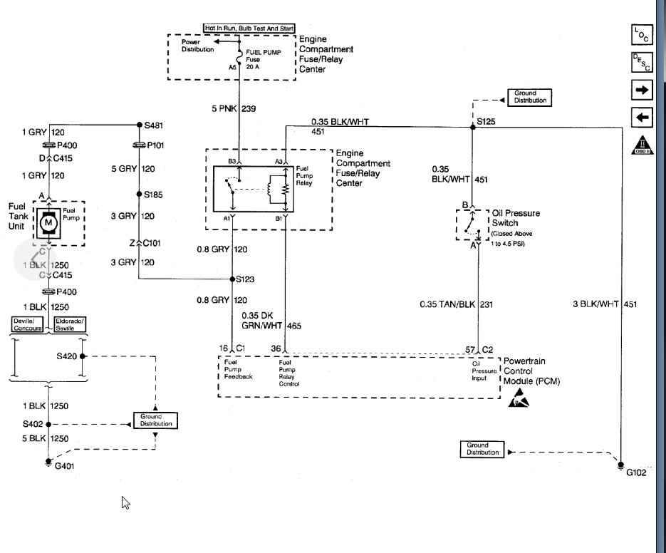
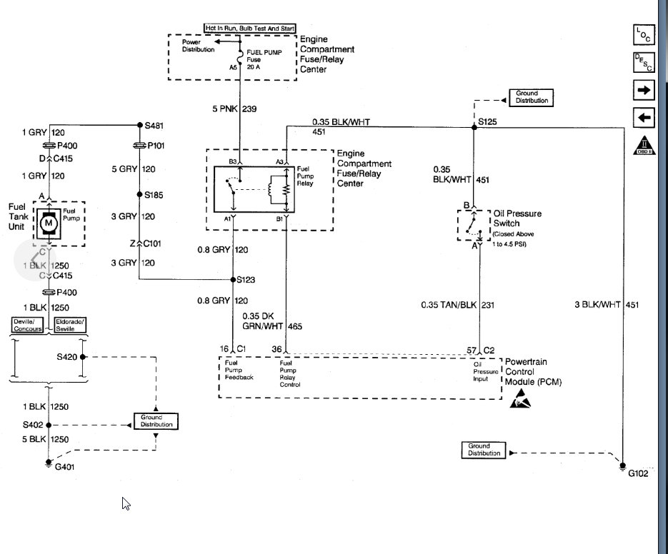
Even though you are getting fuel out of the filter does not mean the pump is providing sufficient pressure. I attached the documents that you will need to properly test the system. It includes the spec for the pressure for your engine.

Also, here is a guide that will help you test the pump:

https://www.2carpros.com/articles/how-to-check-fuel-system-pressure-and-regulator

Once we know the pressure is the proper amount, we can go to the next step. Not only does this tell us the pump is okay, but it tells us if the fuel is getting to the rail. If so, we can suspect the regulator is the most likely issue.

Let me know what the fuel pressure is and we can go from there. Thanks
Was this
answer
helpful?
Yes
No
Thursday, September 5th, 2019 AT 4:49 PM

Please login or register to post a reply.