Saturday, July 30th, 2022 AT 12:35 PM
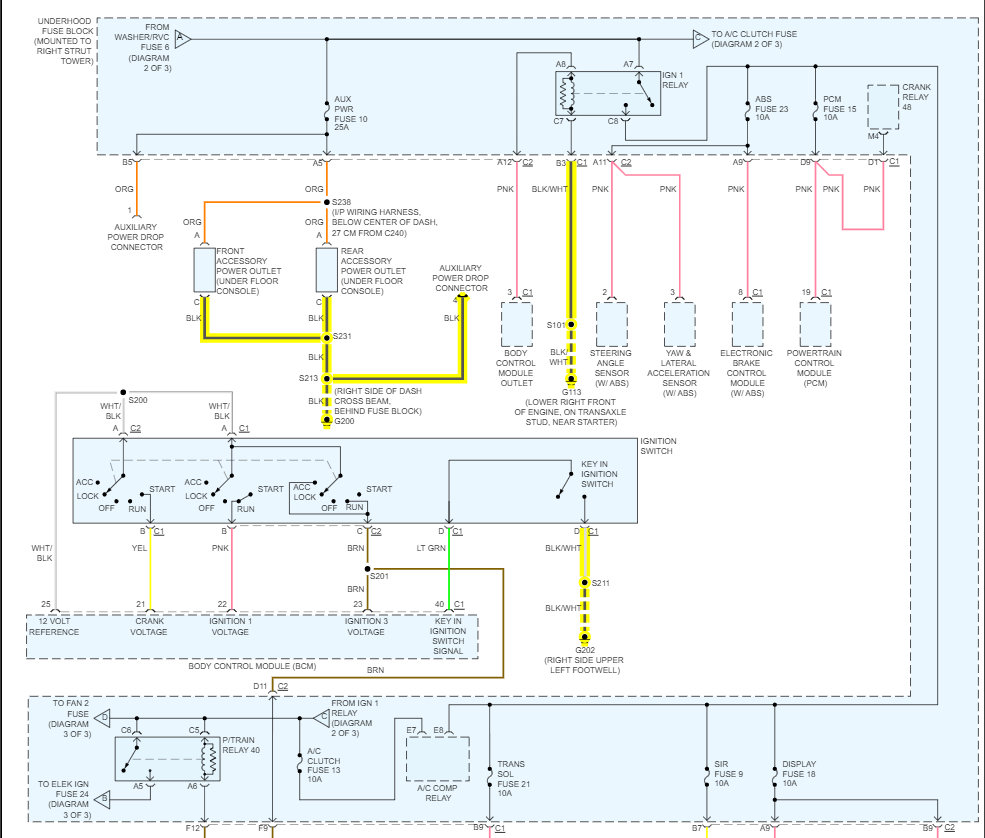
Took motor out to change sub frame I drove it in the garage, changed sub frame and put motor back in and now it won’t start. But, lost key in the meantime so went to dealership and got new key and immobilizer and now I don’t have anything when I try to start it. It did say starting disable do to theft but when I got new Immobilizer that went away. Does the fuse box under the hood have to be grounded? I am pretty sure it is a ground issue because when I turn the key to acc all the gauges go up then down but when I turn the key, they go all the way up and just stay there and light head light stay on and done light stay on bit dash light go out.







