Will not start, new starter and battery?

Tiny
LISBETH ZIMMEREBNER
  • MEMBER
  • 2007 LINCOLN MKX
  • 3.5L
  • 6 CYL
  • 2WD
  • AUTOMATIC
  • 192,000 MILES
Won't start still. Dash lights up, dings, headlights work but nothing happens.
Wednesday, January 4th, 2023 AT 4:26 AM

1 Reply

Tiny
KEN L
  • MASTER CERTIFIED MECHANIC
  • 55,481 POSTS
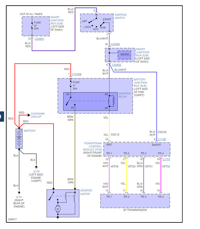
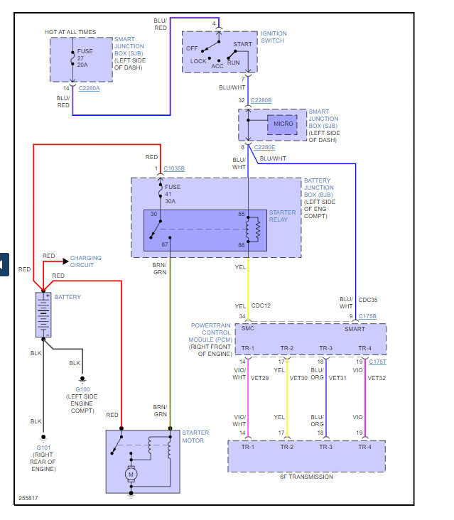
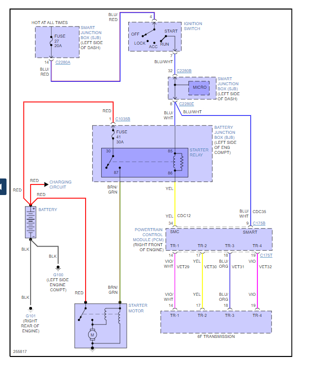
The first things we need to do is check the fuse # f27 in the smart junction box on the left side of dash for power and fuse #f41 in the fuse panel under the hood.

Here is a guide to help and the fuse location as well:

https://www.2carpros.com/articles/how-to-check-a-car-fuse

If the fuses are good, there is a starter relay, I would swap out in the battery fuse panel as well. here is a wiring diagram for the starter so you can see how it works. Check out the images (below). Please let us know what you find. We are interested to see what it is.
Was this
answer
helpful?
Yes
No
Thursday, January 5th, 2023 AT 10:04 AM

Please login or register to post a reply.