Saturday, July 27th, 2019 AT 1:40 PM
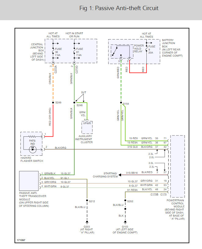
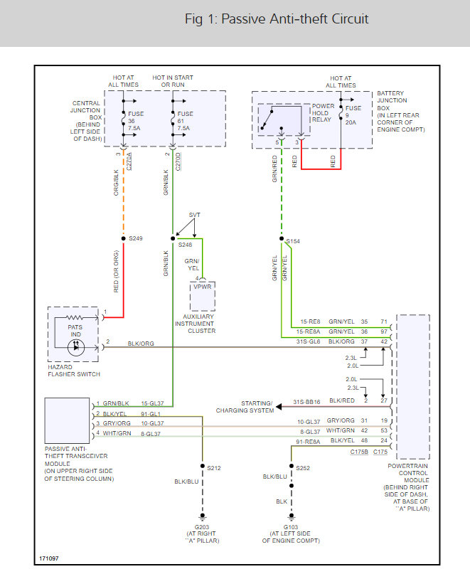
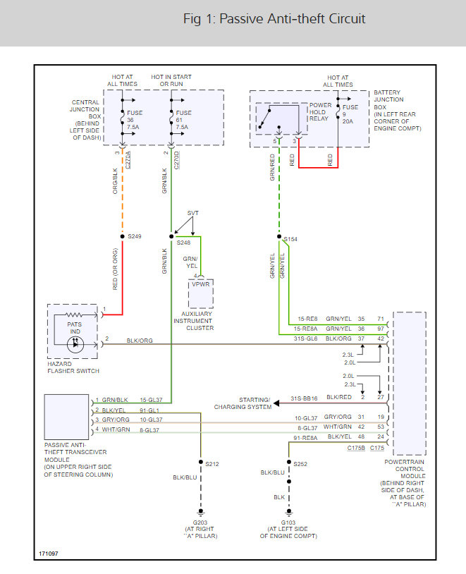
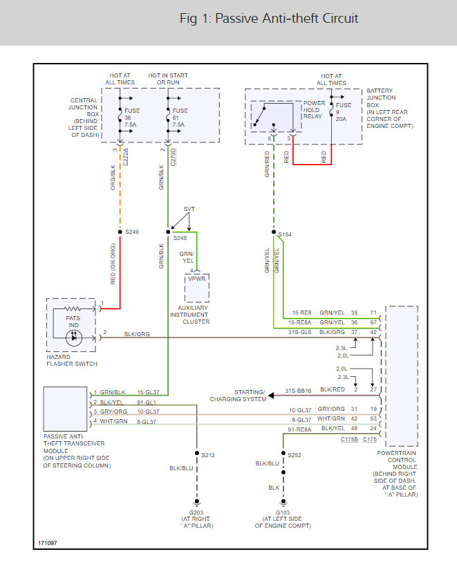
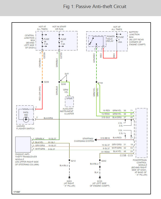
I’ve had this car for 2 months everything was okay. It started every time no issue except key sticking in ignition sometimes. Anyway lost my keys had a locksmith come out to make me a new one. It took him 3 hours to do. So finally got it and started it drove it 200 miles home stopping several times to gas up go to so, so on anyway went out the very next day and it won’t start. I have all the chimes and lights just no crank no start. Anyway we found my other keys tried those and they don’t work either. So have I completely lost my mind or can a locksmith who programs keys mess up the programming so that no key will work or what? Please any help would greatly appreciated.











