Friday, December 13th, 2019 AT 1:23 PM
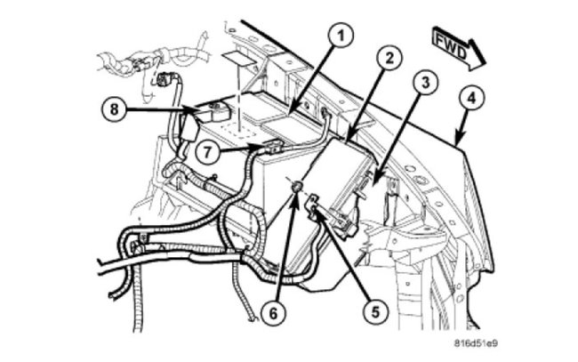
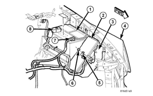
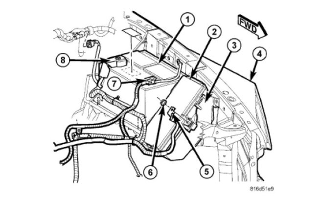
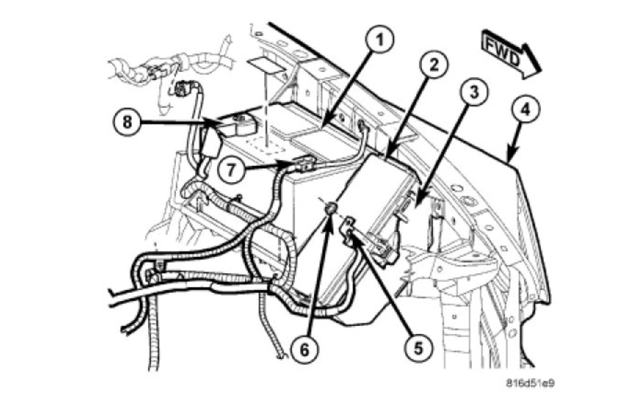
So my truck will just click. When I turn the key you can feel it slightly turn the crank but wont continue. If I sit there and keep doing sometimes 10 sometime 50 times it may start or may not. I have replaced the the starter with a brand new not refurbished. I have replaced the ignition switch in the column. I have replaced the battery. Still nothing. I have checked and cleaned grounds still nothing. The negative battery terminal is hot. Please help this is my work truck I am leaving a video.



































