Friday, May 24th, 2013 AT 2:10 AM
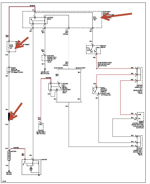
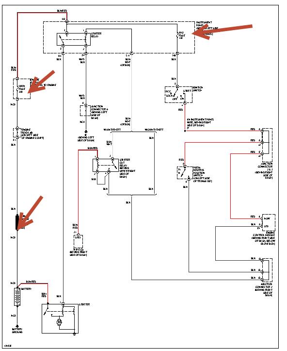
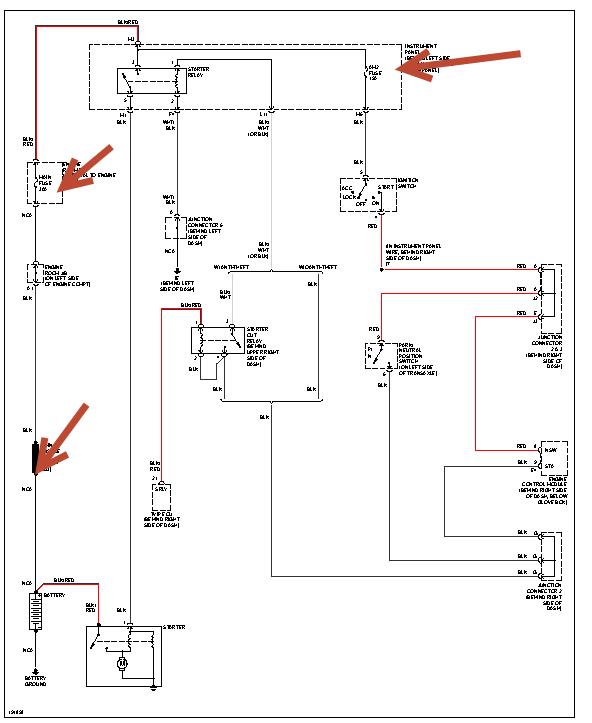
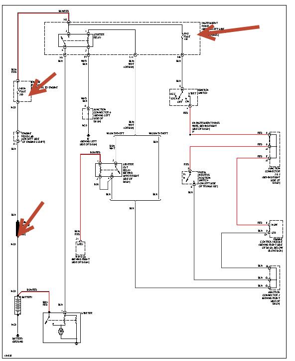
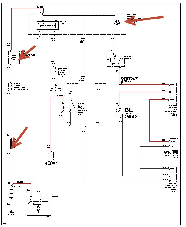
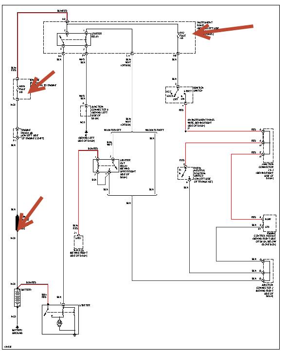
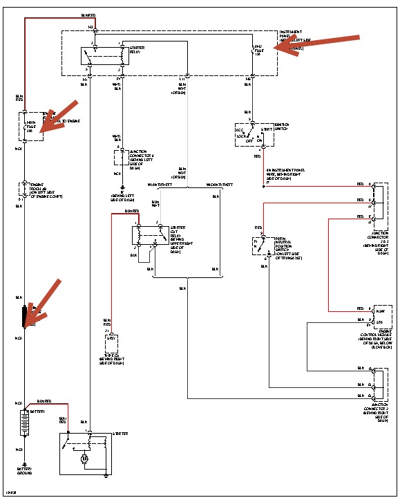
It wont start. I've replaced battery cleaned terminals and jump start. All my dash lights and lights still work. But when I turn the ignition. Nothing. No sound no click. About a few weeks ago I started the car and I heard ba grinding sound. And I could also smell like a burning electric smell. Its been running fine and I get it serviced per log book. My car has been drive alot over the past 7 years ariund town. Its never been takin off road it is only a family car and a people mover. The whole passenger side panel has been replaced before due to an accident amd wasn't repaired properly and is like out ofallignmentt ever since then the dash has slowly been cracking.


