Suddenly my car will not start?

Tiny
FLORANG2123
  • MEMBER
  • 2008 MAZDA 5
  • 6 CYL
  • 2WD
  • AUTOMATIC
  • 90,000 MILES
I drove my vehicle in the morning dropping off my kids, got back home parked it and stayed home for about 3 hours. Got in the car again, I turned the key and nothing. The key turns but no sound comes out and it doesn't start. I've checked the battery, it's still good. The fuses for the ignition and starter are good. I tried jump starting and that didn't help. We played with the starter and no good. I don't believe it could be the alternator, but you never know. I don't know what else it could be. I would appreciate your help. Thanks!
Friday, November 18th, 2022 AT 10:48 AM

5 Replies

Tiny
AL514
  • MECHANIC
  • 5,595 POSTS
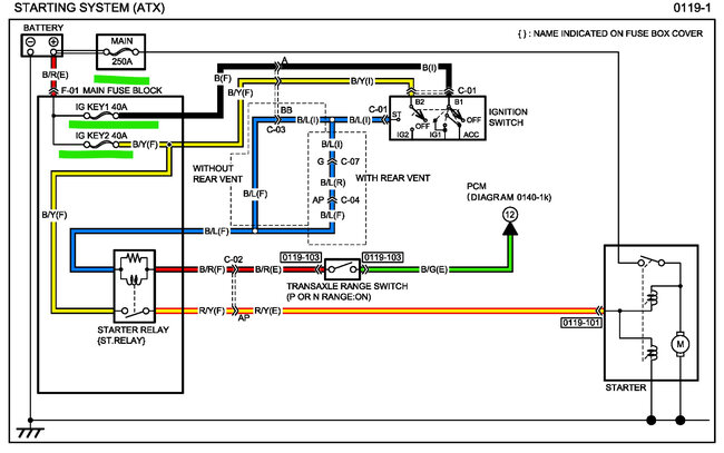
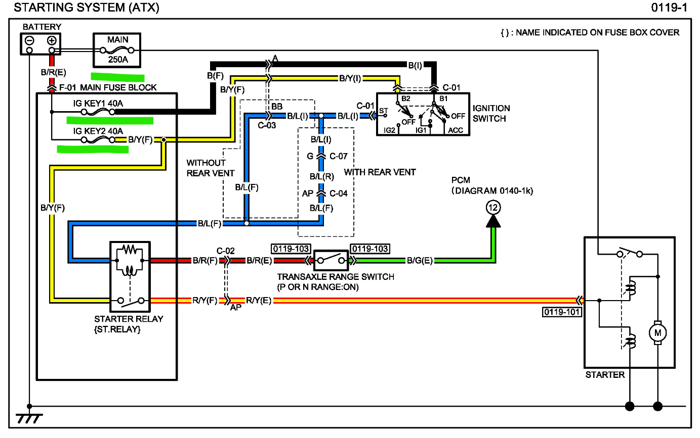
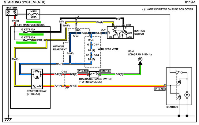
Hello, the starting circuit for this vehicle is a very simple circuit compared to some. Have you tried putting the vehicle back into Park, with just your foot on the brake pedal and key to the on position, put the vehicle to Neutral and then back to Park. There's only two fuses, they are both in the first diagram. And then the Starter Relay and the Transmission Range Switch. I don't think the battery would discharge in 3 hours but try putting the headlights on to see if there's any charge in the battery.
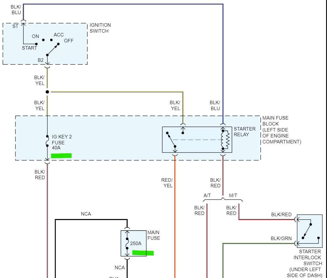
Is the Security light staying on? If there's nothing odd happening, the Starting circuit will need to be diagnosed. The Mazda diagrams are different than the aftermarket diagrams, they show one more fuse (third diagram). The Main Fuse is on the side of the Battery it looks like.
If the Security light is staying on, try locking and unlocking the vehicle again.

https://www.2carpros.com/articles/how-to-use-a-test-light-circuit-tester
Was this
answer
helpful?
Yes
No
Friday, November 18th, 2022 AT 11:34 AM
Tiny
FLORANG2123
  • MEMBER
  • 10 POSTS
Hi, thank you for answering. Everything you mentioned works. I can switch between park and neutral with ease, the headlights can turn on, and the security light works as intended. So, should I test the main fuse first or how should I approach this?
Was this
answer
helpful?
Yes
No
Friday, November 18th, 2022 AT 11:50 AM
Tiny
AL514
  • MECHANIC
  • 5,595 POSTS
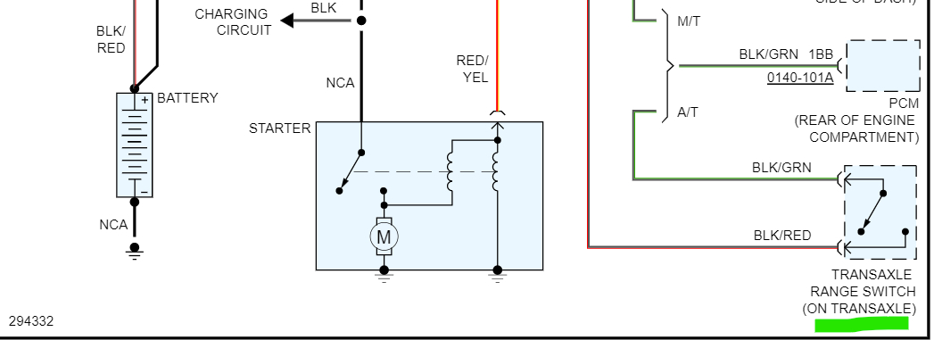
Well, that Main fuse being that it's a high amperage fuse is most likely inside a plastic casing and can only be inspected through the clear plastic or pulled out and checked with a multimeter. Do you have a multimeter or 12-volt test light? There are 2 wires going to the Starter Motor, one wire is red with a yellow stripe, that wire comes from the Starter Relay, the other wire going to the Starter should read battery voltage(12v) all the time, so that's the easiest way to check the Main fuse, if the fuse is blown the battery voltage (12v) will be missing.
So that's your first check.
The second would be checking the red/yellow wire while the vehicle is being cranked over. Whatever you're using for checking power, put the negative lead on Battery negative and the other lead to what you are testing. You checked both fuses IG Key1 40-amp and IG Key2 40amp?
Usually if it's a starter failure the starter solenoid will still give the notable "click". So, it sounds like there is something else going on here. But verifying the two wires going to the Starter motor is first.
The engine computer is responsible for activating the Starter Relay and checking computer outputs would be done at the starter relay, to see if the computer is grounding the Stater relay control side.
But in the second diagram, those are the two wires you'll be checking first.
The security light turns off when attempting to crank the engine?

https://www.2carpros.com/articles/how-to-use-a-voltmeter

https://www.2carpros.com/articles/how-to-use-a-test-light-circuit-tester
Was this
answer
helpful?
Yes
No
Friday, November 18th, 2022 AT 12:37 PM
Tiny
FLORANG2123
  • MEMBER
  • 10 POSTS
Problem solved! Upon discovering the red/black wire connecting to the starter, I found out it wasn't even connected to it. I plugged it back in and it worked like a charm. Thank you for your help!
Was this
answer
helpful?
Yes
No
Friday, November 18th, 2022 AT 1:55 PM
Tiny
AL514
  • MECHANIC
  • 5,595 POSTS
Well, that was easy, it must have been due to engine vibrations, if you can get a small plastic tie wrap around it to hold it in place, that way it won't happen again. Have a good night.
Was this
answer
helpful?
Yes
No
Friday, November 18th, 2022 AT 2:08 PM

Please login or register to post a reply.