HOME
ASK A QUESTION
REPAIR GUIDES
BECOME A MEMBER
LOG IN
Login with Facebook
OR
Remember me
NOT A MEMBER?
FORGOT PASSWORD?
CONTACT US
PRIVACY POLICY
TERMS AND CONDITIONS
☰
Home
Jeep
Cherokee
Engine
Symptoms
Not Running
Will not start
JESEKAKA
MEMBER
1996 JEEP CHEROKEE
4.0L
6 CYL
4WD
AUTOMATIC
175,000 MILES
Not even a click. New battery and starter. No corrosion on battery. All lights and radio work.
Monday, October 29th, 2018 AT 11:14 AM
3 Replies
ASEMASTER6371
MECHANIC
52,796 POSTS
Good afternoon.
Do you have a voltmeter to check the battery voltage?
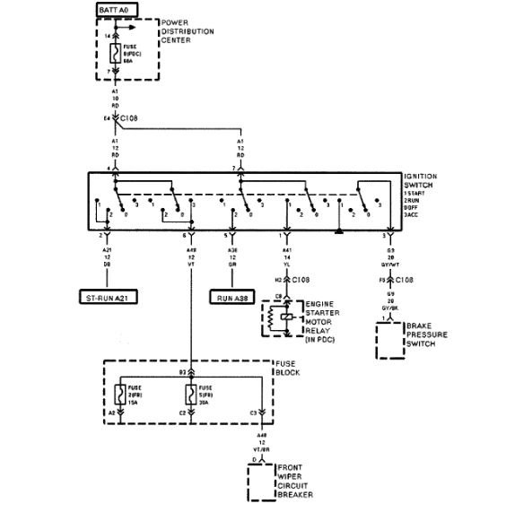
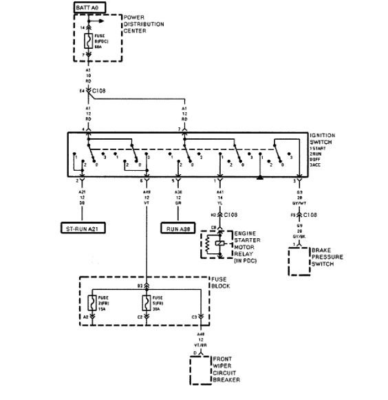
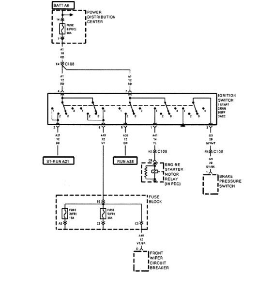
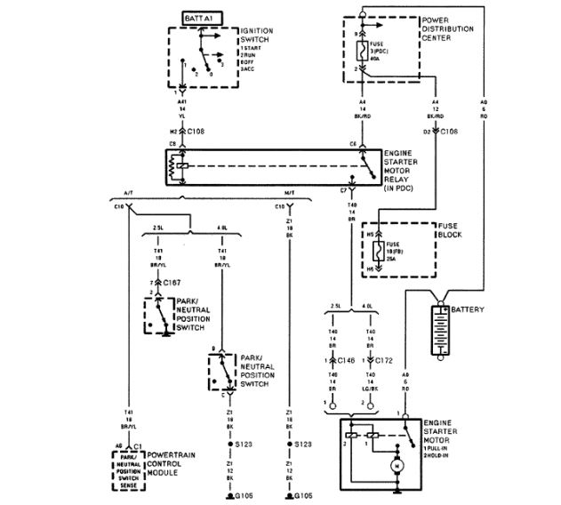
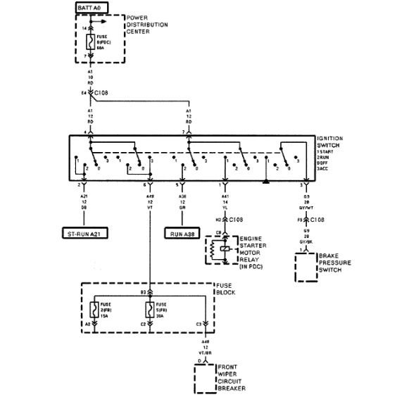
Otherwise, it could be a wiring issue to the starter. I will attach a wire diagram for you to view.
Do all the accessories work?
Roy
https://www.2carpros.com/articles/car-battery-load-test
https://www.2carpros.com/articles/car-cranks-but-wont-start
Images (Click to make bigger)
Was this
answer
helpful?
Yes
No
Monday, October 29th, 2018 AT 11:58 AM
JESEKAKA
MEMBER
2 POSTS
The battery is brand new. If you pull the e brake and put it in neutral it starts right up.
Was this
answer
helpful?
Yes
No
Monday, October 29th, 2018 AT 12:16 PM
ASEMASTER6371
MECHANIC
52,796 POSTS
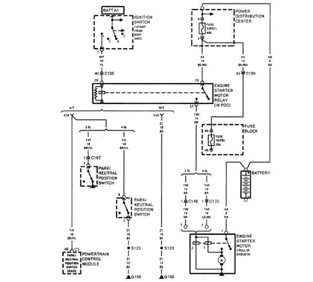
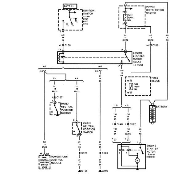
Okay, that indicates the park neutral switch is the issue.
I will attach a picture and procedure for you.
It is on the side of the transmission. It has a three wire connector on it and it just unscrews. Picture attached of the switch.
Roy
Image (Click to make bigger)
Was this
answer
helpful?
Yes
No
Monday, October 29th, 2018 AT 12:33 PM
Please
login
or
register
to post a reply.
Related Engine Not Running Content
Car Wont Start
Have A 1996 Jeep Grand Cherokee, Car Wont Start, Cannot Get Fuel Gauge To Work And Volts Do Not Register On Gauge, Tried To Do A...
Asked by
garysgirl
·
3 ANSWERS
1996
JEEP CHEROKEE
VIDEO
Car Cranking but Not Starting? Try This
Instructional repair video
GUIDE
Engine Not Starting
Over the past 20 years at 2CarPros we have identified the top problems that are easily fixed. This guide can save you a trip to the repair garage or calling a tow truck and...
1996 Jeep Cherokee Will Not Start Hot
Hi! My Son Has A 96 Jeep Cherokee That Has Stunned Everyone. It Cranks When Cold Even Cool But Will Not Crank When Hot. It Does Turn Over...
Asked by
flustered
·
3 ANSWERS
1996
JEEP CHEROKEE
1996 Jeep Cherokee Will Not Start
I Started The Jeep And It Was Warming Up For 10-15 Mins, Came Out And It Was Not Running, Turns Over Great But No Fire At All, Have Not...
Asked by
golfman1962
·
1 ANSWER
1996
JEEP CHEROKEE
Hard Starts And Stalling Get Progressively Worse
There Are A Few Issues Going On: Difficult To Start And Will Stall Immediately After Start Until It Has Warmed Up A Few Minutes; Also, Fan...
Asked by
tania423
·
2 ANSWERS
1996
JEEP CHEROKEE
Stalls After Starting And Will Restart But Stalls...
The Jeep Was Run Hot And Also Had A Blown Trans Coolant Line, Lost All Trans Fluid. The Reason It Was Run Hot Is It Also Blew A Hose, Lost...
Asked by
wert_dw
·
12 ANSWERS
1996
JEEP CHEROKEE
VIEW MORE
Ask a Car Question. It's Free!
How to fix an engine that wont start
Car Cranking but Not Starting? Try This
Crankshaft Sensor Replacement