Transmission will not shift out of park

Tiny
BRENDA STELL
  • MEMBER
  • 2017 CHEVROLET SPARK
  • 1.4L
  • 4 CYL
  • 2WD
  • AUTOMATIC
  • 84,000 MILES
When it has set for an extended period of time, I can’t get it to shift out of park. I have accessed the override and sometimes have to press the button several times to get the shift lever to move. Once I have driven awhile and the car is warmed up it shifts without having to push the override button. I also hear a clicking under the steering wheel/in the dashboard when depressing the brake and pushing the button on the shifter. I don’t hear it after I have pressed the override button.
Wednesday, November 17th, 2021 AT 10:50 AM

1 Reply

Tiny
KASEKENNY
  • MECHANIC
  • 18,907 POSTS
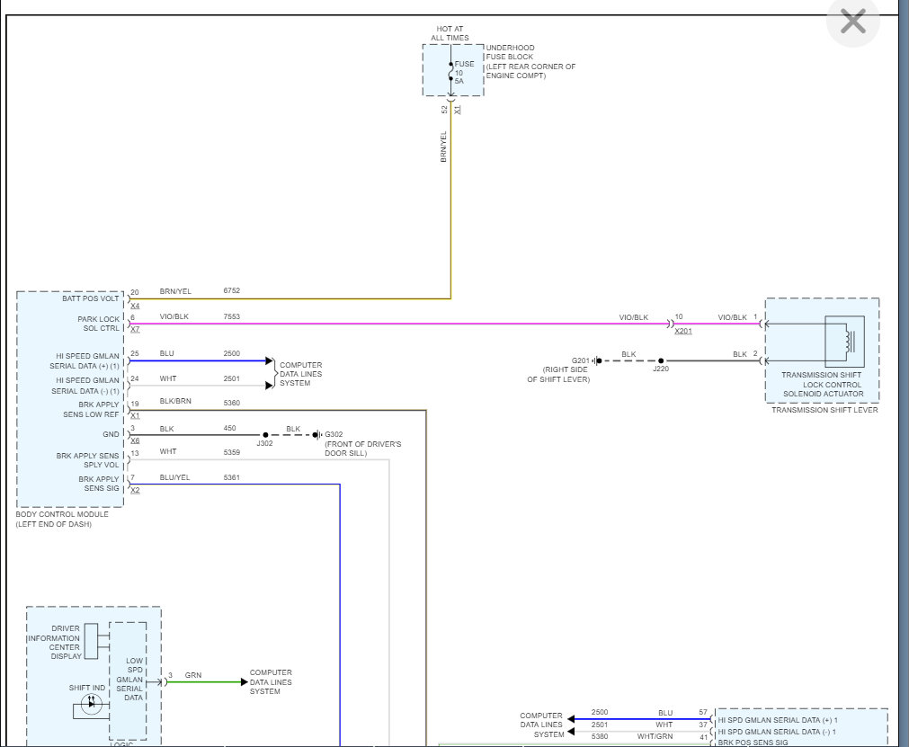
It sounds like the actuator in the shift lock is not releasing when it is cold.

The clicking that you are hearing is the interlock that is supposed to be releasing the shifting to allow it to move. Basically, the transmission will not allow you to shift into gear unless you have your foot on the brake and it releases the shifter.

By pressing the button, what you are doing is just manually removing the lock so that you can move the shifter. This is there for when this actuator fails or you are not able to turn the key, then you can still get it into neutral to move the vehicle, like onto a tow truck.

What we need to do is start with checking voltage to the solenoid just to make sure the connections are tight, and it is getting the signal to release.

Here is a guide that will help with this type of testing:

https://www.2carpros.com/articles/how-to-check-wiring

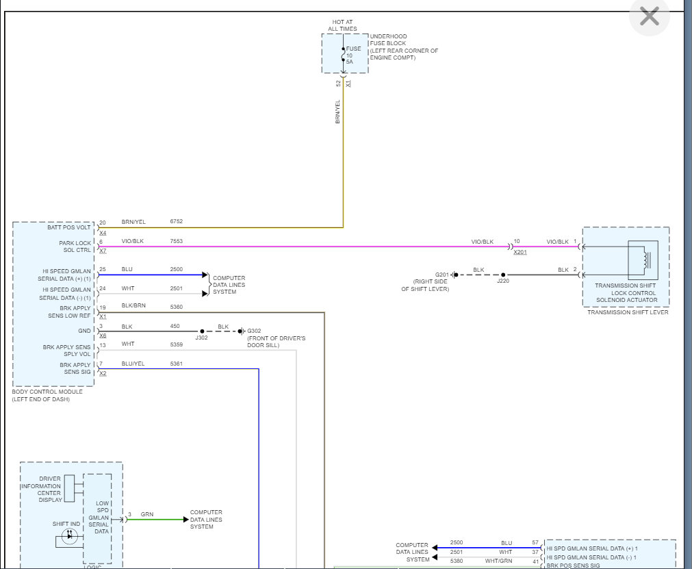
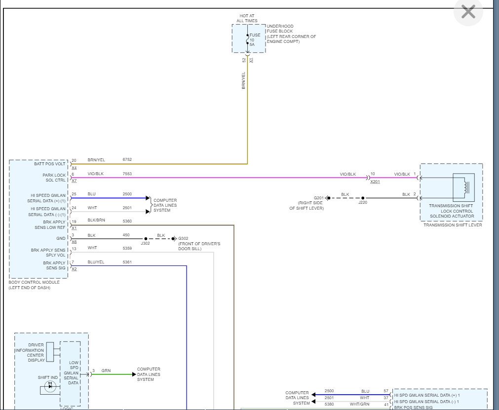
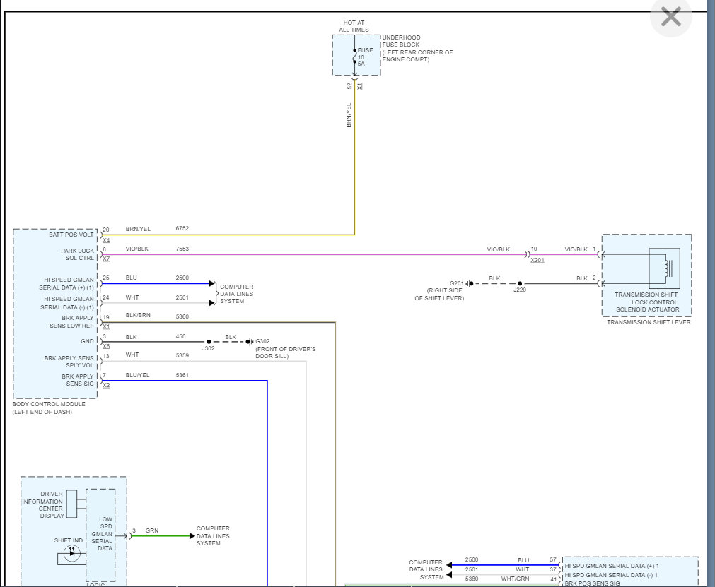
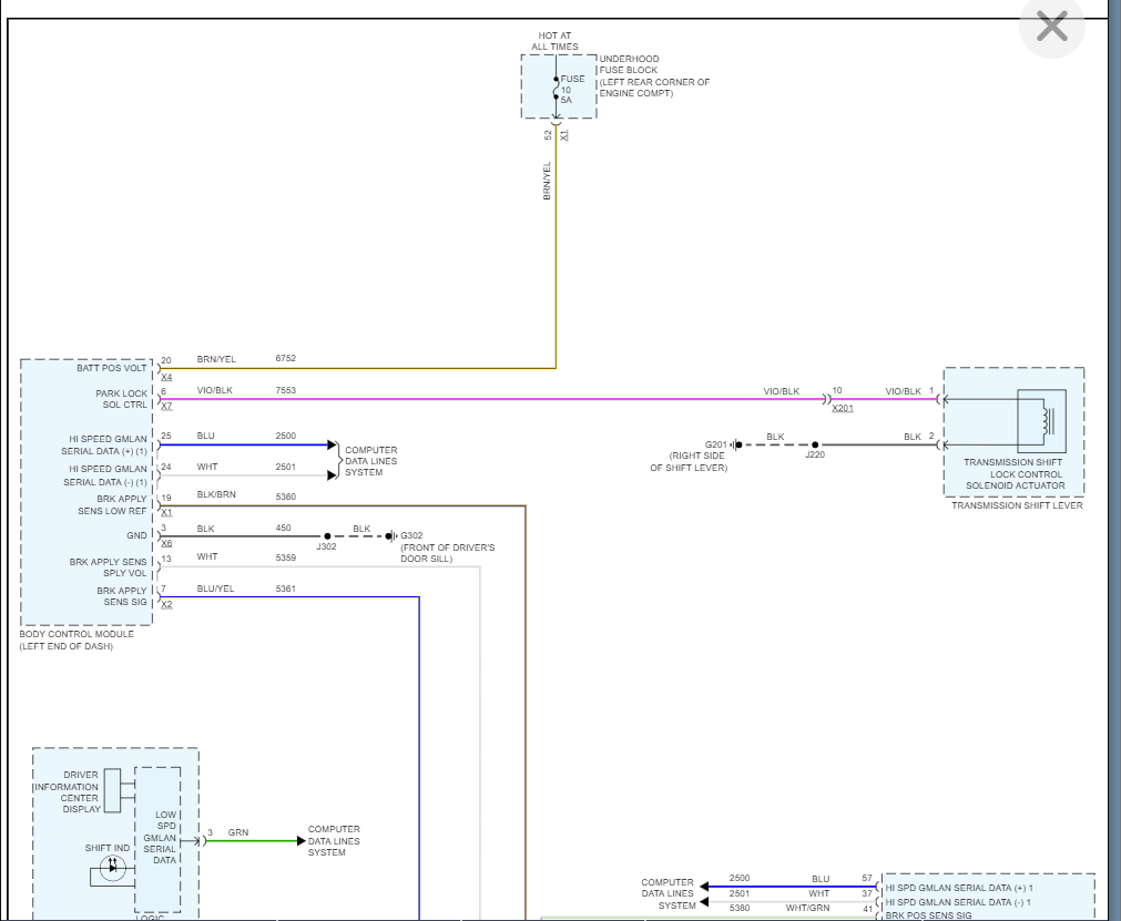
Below is the wiring diagram and the testing from the manual.

It wants you to check for codes as well so here is some info on how to do that as well:

https://www.2carpros.com/articles/checking-a-service-engine-soon-or-check-engine-light-on-or-flashing

Please run through this info and let us know what you find. Thanks
Was this
answer
helpful?
Yes
No
Thursday, November 18th, 2021 AT 1:46 PM

Please login or register to post a reply.