Transmission will not shift out of park?

Tiny
CTYREE
  • MEMBER
  • 2005 PONTIAC MONTANA
  • AUTOMATIC
  • 148,000 MILES
The engine starts. The gear shift will not shift out of park. (With foot on brake) While moving the gear shift back, the door locks lock and then unlock as I move the shifter back into place. Transmission fluid is full. Oil is a at 3 quarts.
Tuesday, October 7th, 2025 AT 2:45 PM

2 Replies

Tiny
STEVE W.
  • MECHANIC
  • 15,697 POSTS
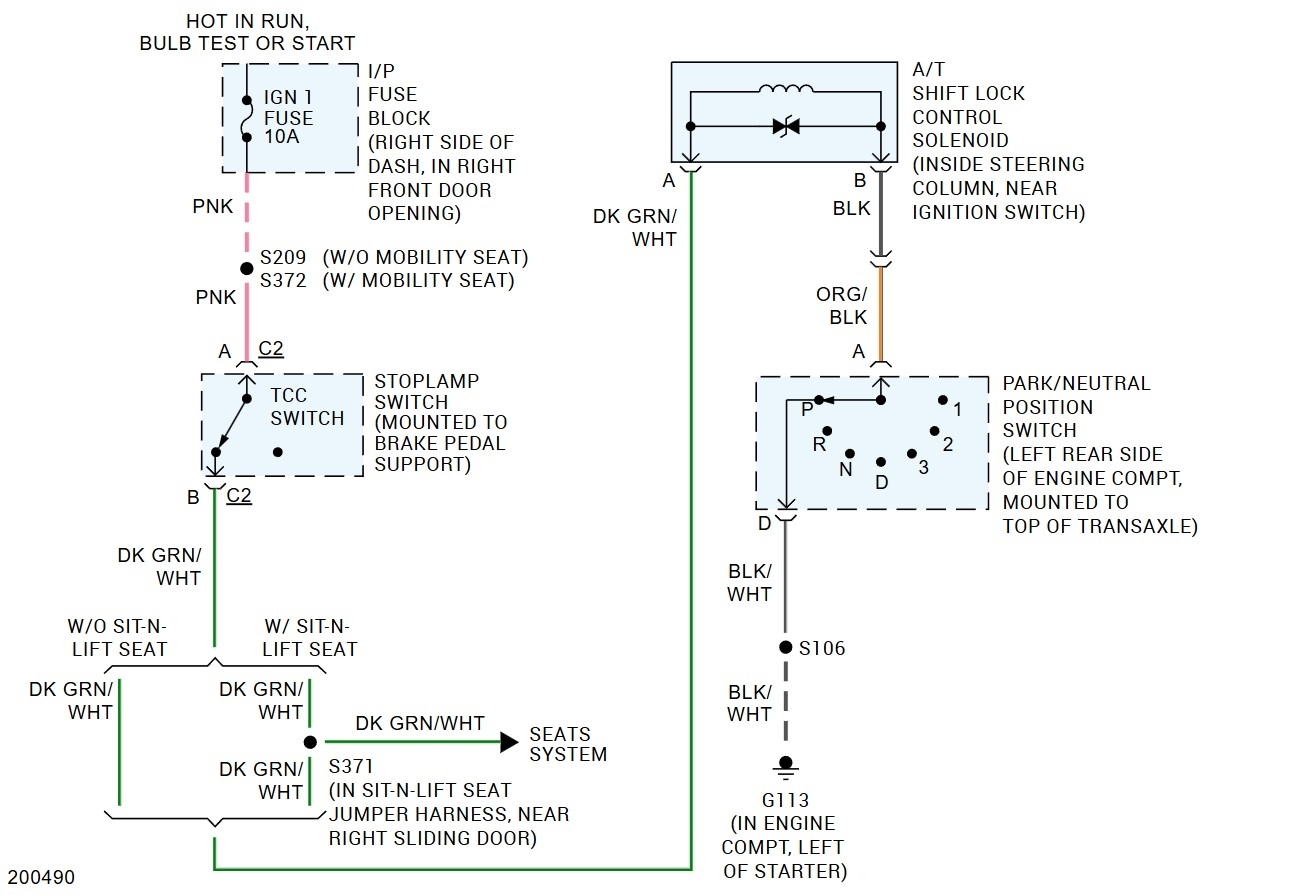
That sounds like the park lock solenoid has failed, it is somewhat common on the GMs of that era. It is a solenoid mounted to the steering column that moves to unlock the shifter when you step on the brake, they came about because of people not paying attention to either holding the brake or making sure the vehicle is in park before starting it. A quick test is to listen to the column right where it meets the dash, turn the key on and step or push on the brake, you should hear a click as the solenoid engages. The first thing would be to check the ignition fuse 1 in the fuse panel in the dash, it should have power with the key in run. If you have power there, the next stop is the switch on the brake pedal. If you have power on the pink wire and push the pedal the green wire should then have power. That power goes to the solenoid. To test at the solenoid you need to remove the panel under the steering column, then the covers off the column and the solenoid is on the right side of the column. Then adjust the assembly per the last image. Let us know what you find, please.
Was this
answer
helpful?
Yes
No
Wednesday, October 8th, 2025 AT 5:31 PM
Tiny
KEN L
  • MASTER CERTIFIED MECHANIC
  • 55,488 POSTS
Please respond
Was this
answer
helpful?
Yes
No
+1
Tuesday, October 14th, 2025 AT 12:58 PM

Please login or register to post a reply.