Transmission will not shift into park

Tiny
BLWSR1947
  • MEMBER
  • 2005 CHEVROLET TAHOE
  • 0.5L
  • V8
  • 4WD
  • AUTOMATIC
  • 250,000 MILES
Have to start in neutral.
Saturday, April 9th, 2022 AT 6:22 AM

5 Replies

Tiny
KASEKENNY
  • MECHANIC
  • 18,907 POSTS
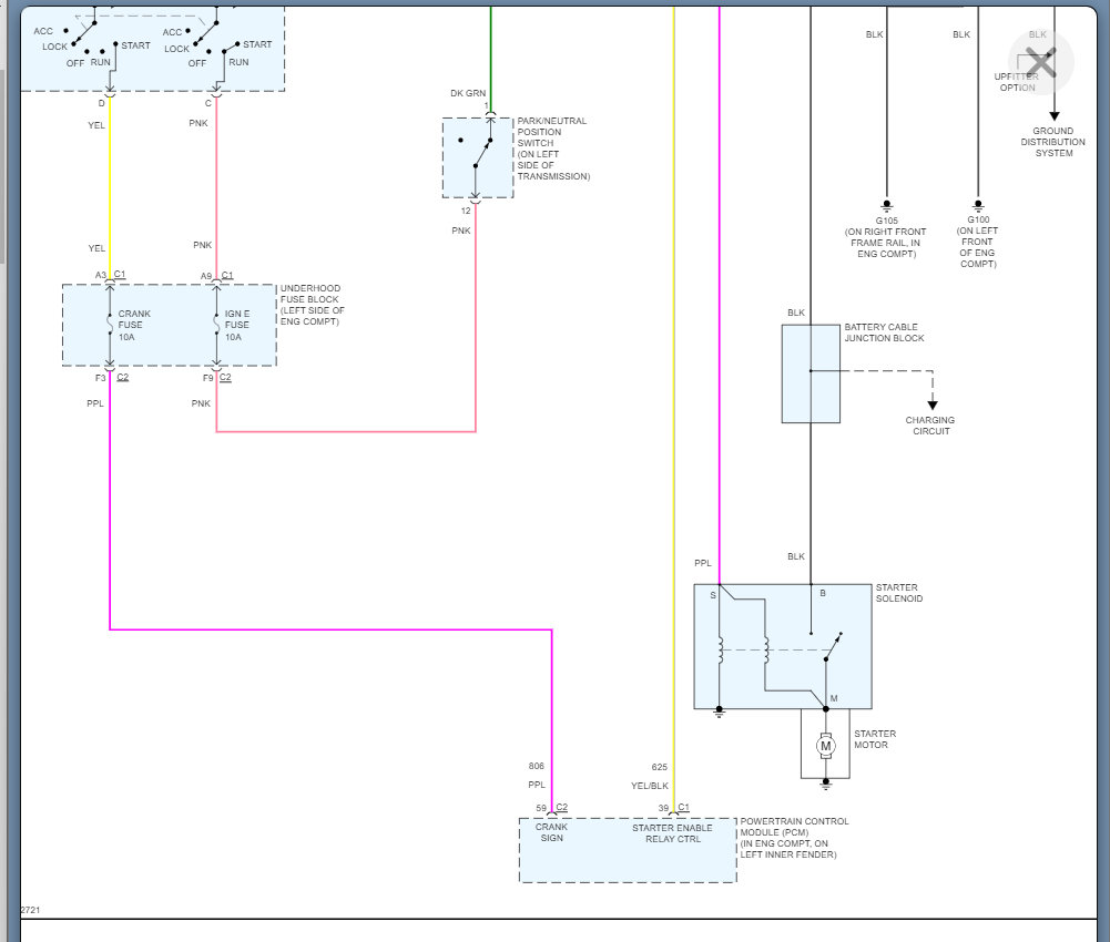
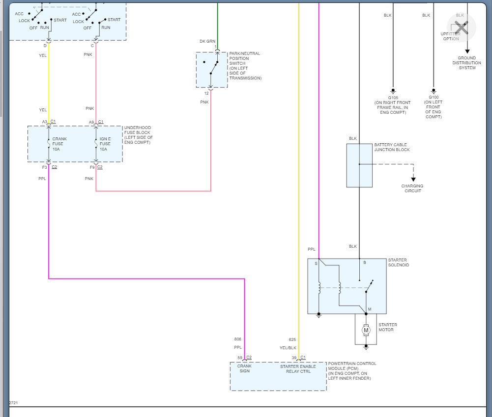
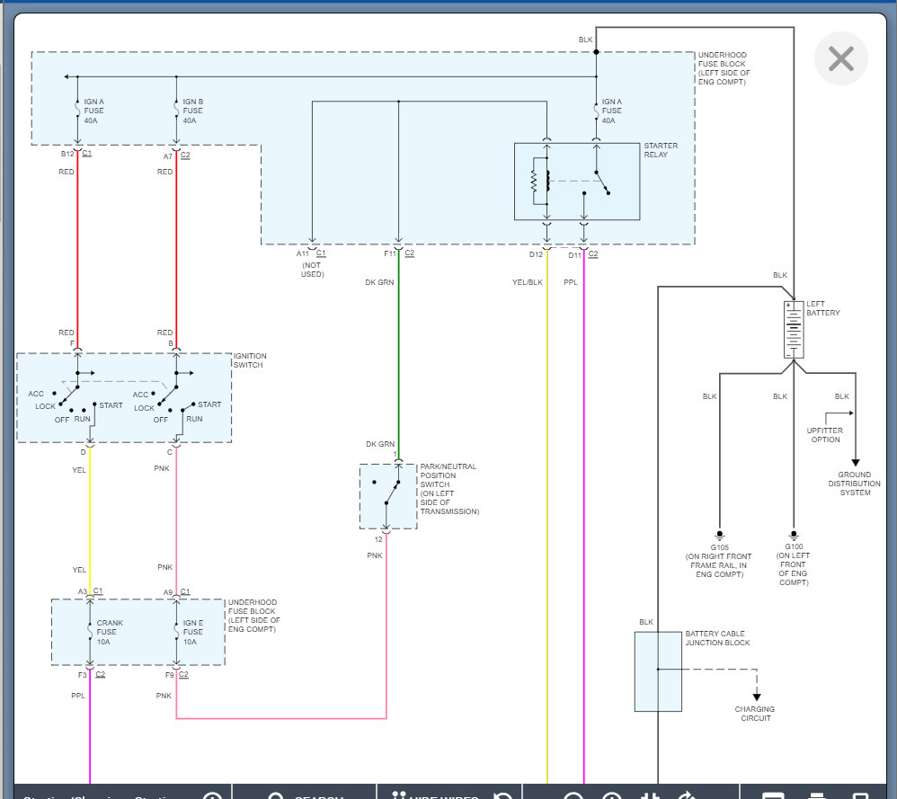
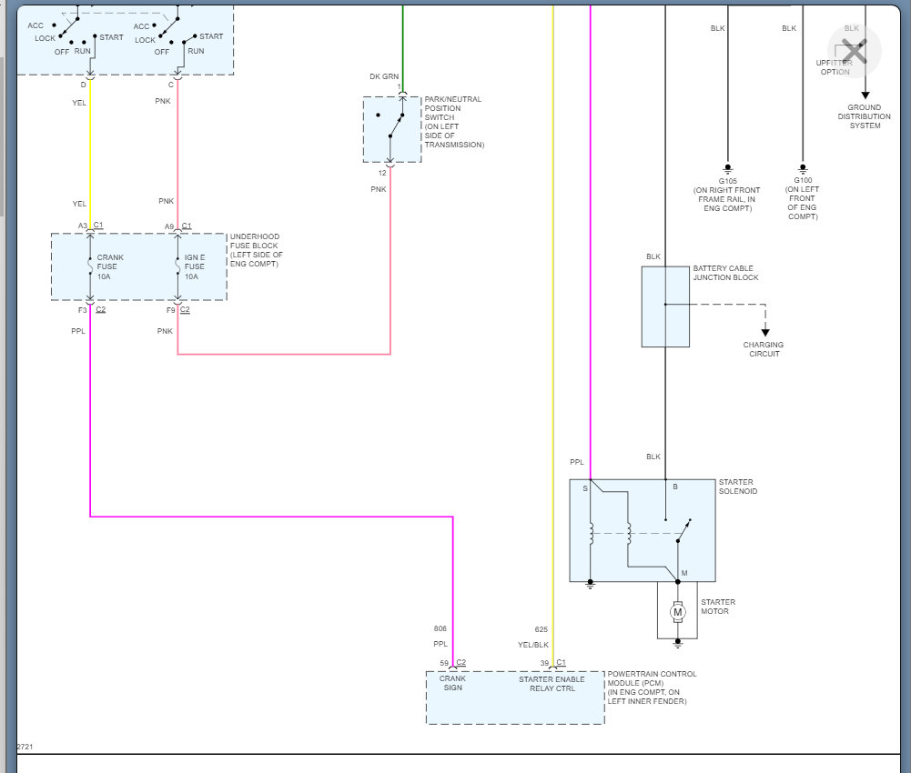
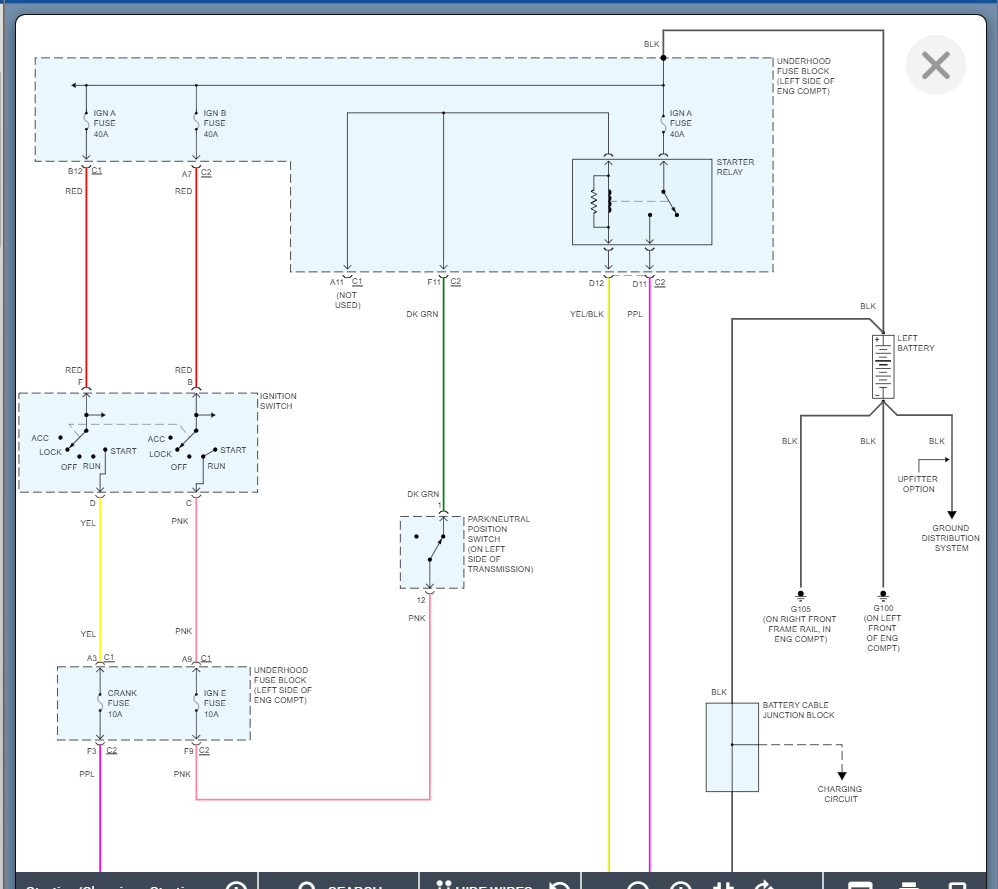
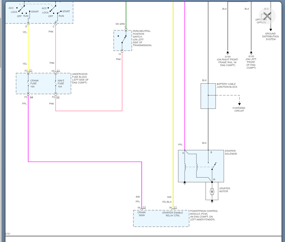
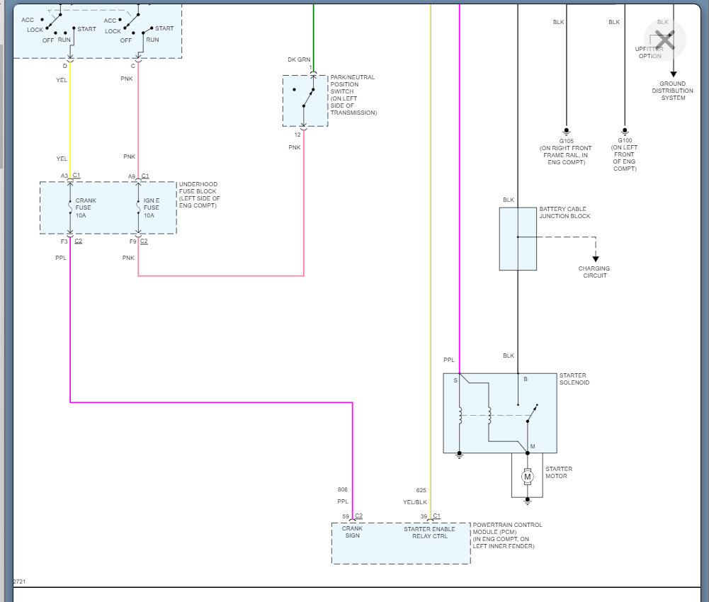
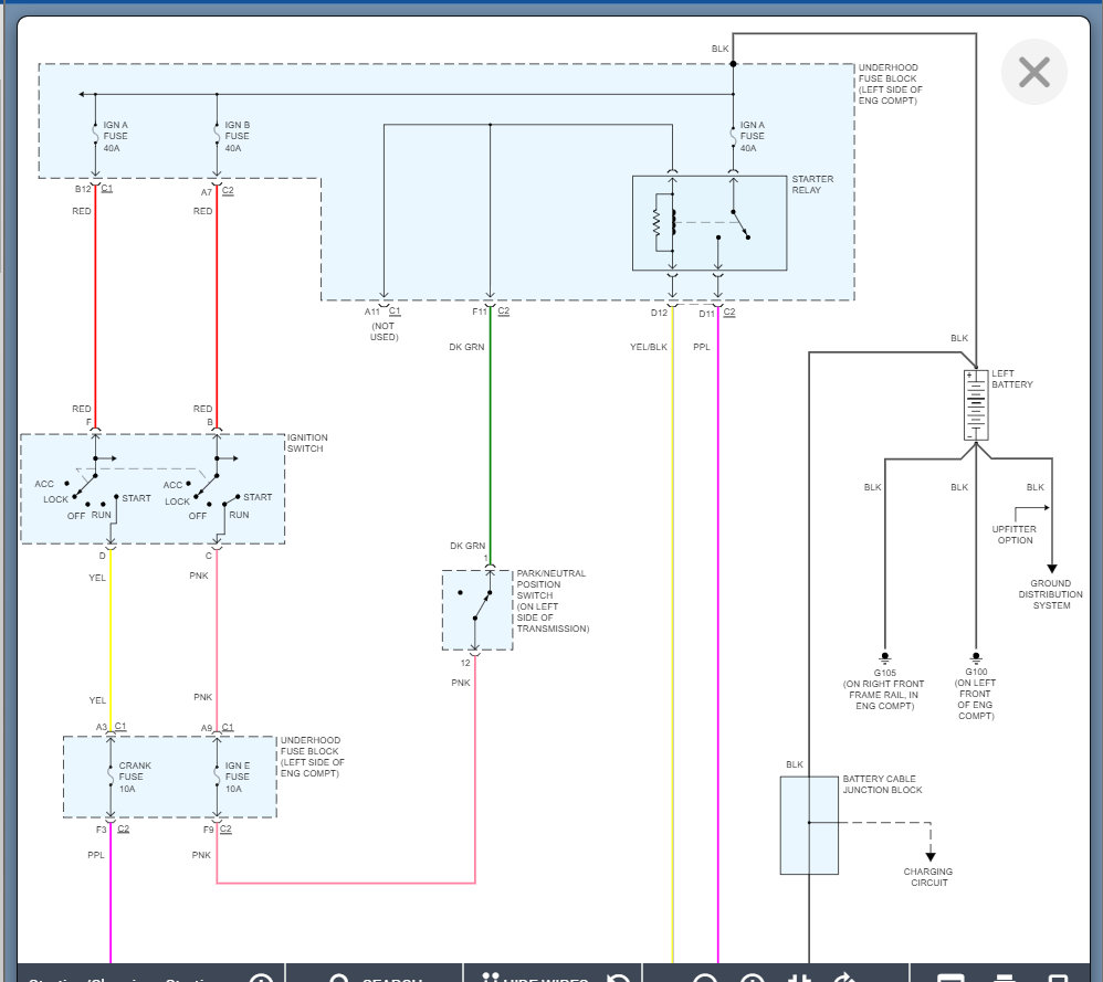
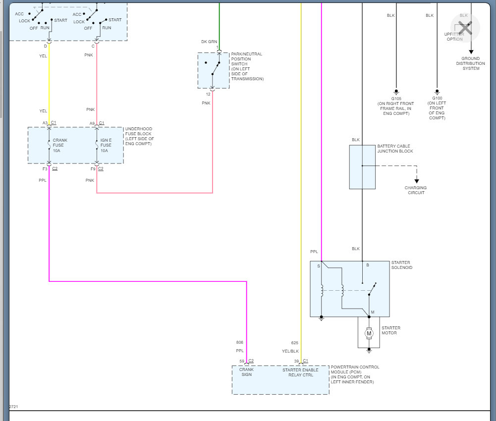
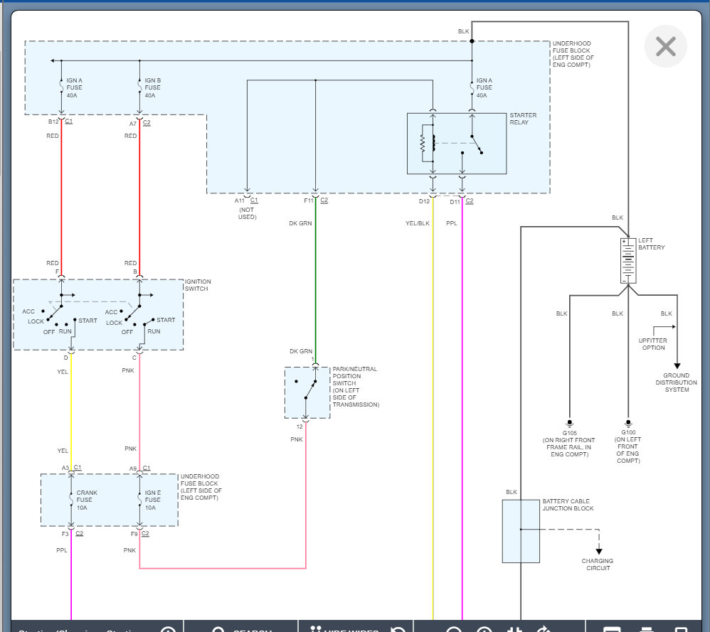
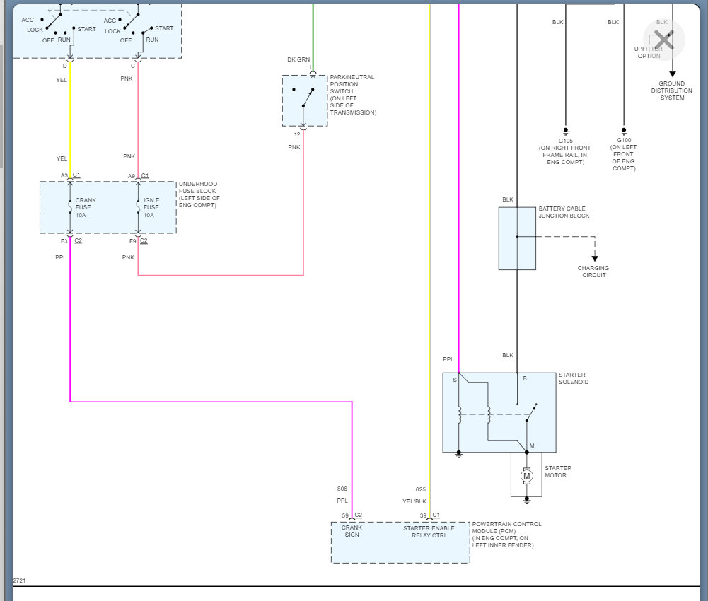
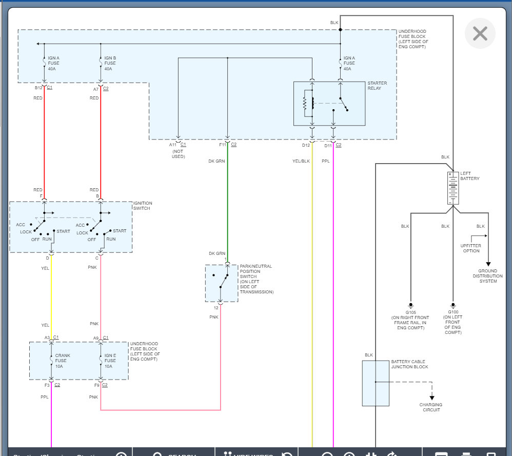
If the vehicle starts in neutral but not park, then that is normally always the park neutral switch that has failed.

So, we need to jump the switch when in park and see if the engine will start.

Also, we can check the voltage going to and leaving the switch.

https://www.2carpros.com/articles/how-to-check-wiring

I am attaching the wiring diagram below and that will help with checking this switch that is on the left side of the transmission.

Please run through this and let me know what questions you have.

Thanks
Was this
answer
helpful?
Yes
No
Saturday, April 9th, 2022 AT 7:35 PM
Tiny
HERKMAN3
  • MEMBER
  • 2 POSTS
Did you ever find out the issue? My 01 Tahoe is doing the same.
Was this
answer
helpful?
Yes
No
+1
Monday, February 27th, 2023 AT 11:25 AM
Tiny
KEN L
  • MASTER CERTIFIED MECHANIC
  • 55,481 POSTS
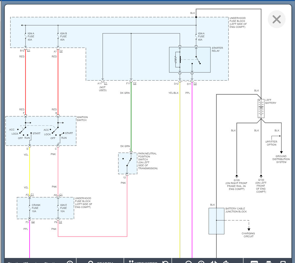
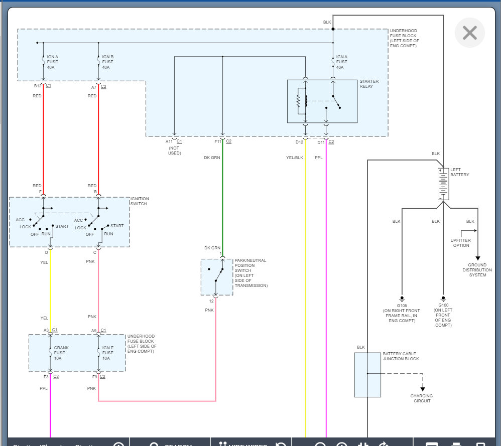
This can be the shift cable coming apart internally or the gear range sensor has locked up, I would disconnect the cable and see if you can move the shifter into park and if not the cable is bad, if so I would replace the gear range sensor here are the instruction on how to do both in the images below. Please let us know what happens.
Was this
answer
helpful?
Yes
No
Wednesday, March 1st, 2023 AT 12:00 PM
Tiny
HERKMAN3
  • MEMBER
  • 2 POSTS
For more details, the Tahoe starts in neutral and shifts through all of the gears with the proper feel. When you go to shift to park, it is very loose feeling. The gear indicator shows all gears except park.
Was this
answer
helpful?
Yes
No
Wednesday, March 1st, 2023 AT 12:04 PM
Tiny
KEN L
  • MASTER CERTIFIED MECHANIC
  • 55,481 POSTS
Yep, it sounds like the gear range sensor which you can confirm by disconnecting the shift cable from the transmission.
Was this
answer
helpful?
Yes
No
Wednesday, March 1st, 2023 AT 6:35 PM

Please login or register to post a reply.