Transmission will not go into park

Tiny
98BOBBYORR
  • MEMBER
  • 1998 CHEVROLET ASTRO
  • V6
  • 2WD
  • AUTOMATIC
  • 300,000 MILES
Hi guys! I have the van listed above signature series (automatic) and I have not been able to shift into park. The car turns on in neutral and I am able to remove the key.

The car drives without a problem, shifts into reverse, neutral, third and I believe second no problem but won't go into first or park.

The owner before me replaced the gear stick/ shifter less than six months ago.

The gear stick is not loose, the shift linkage is attached but I have no idea how to check if it is the problem. I have looked under the steering wheel to tighten bolts that people said could be the problem but couldn't find them.

I have tried to troubleshoot problems but had no luck.
I have disconnected the battery but need the car daily for work.


Any help is greatly appreciated!
Wednesday, May 1st, 2019 AT 11:28 AM

3 Replies

Tiny
ASEMASTER6371
  • MECHANIC
  • 52,796 POSTS
Good evening

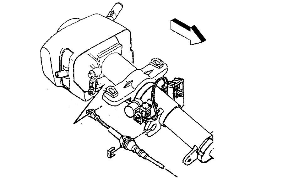
Do you have tilt column and does it feel loose when you move it up and down?

I would also go under the truck and disconnect the cable at the transmission. Then see if you have the park and first position. That will eliminate the transmission as the problem.

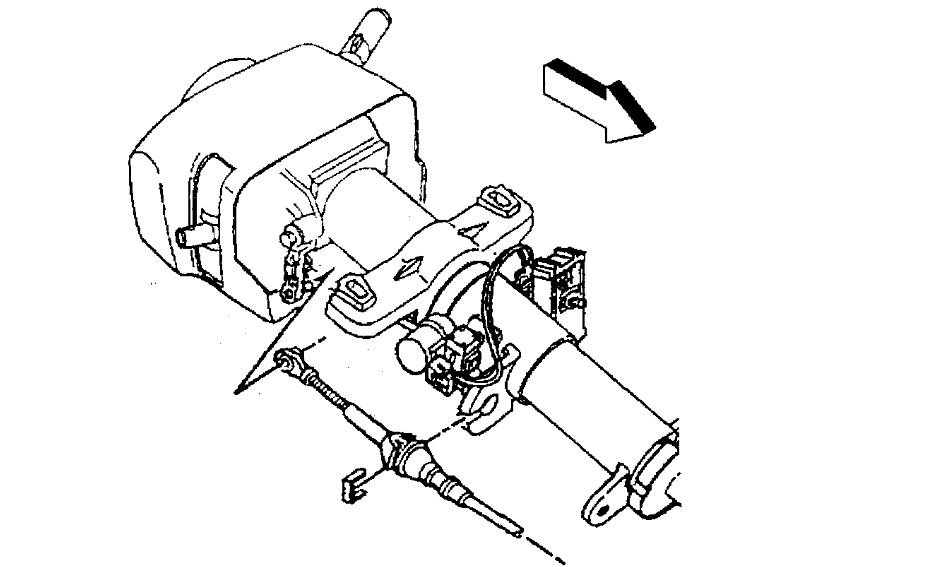
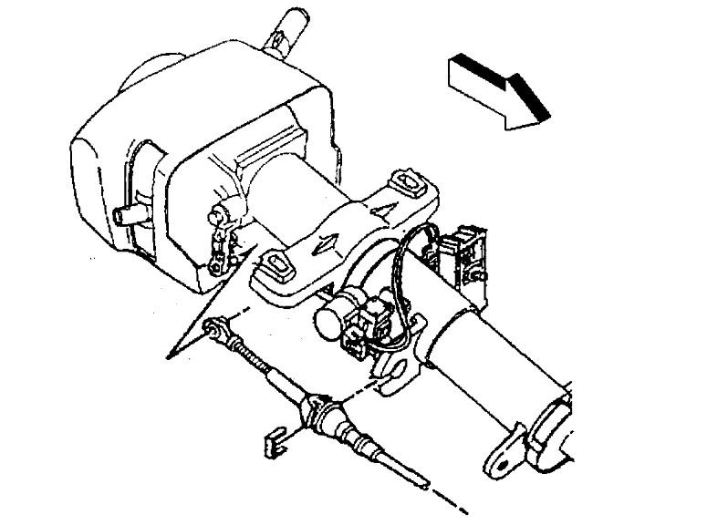
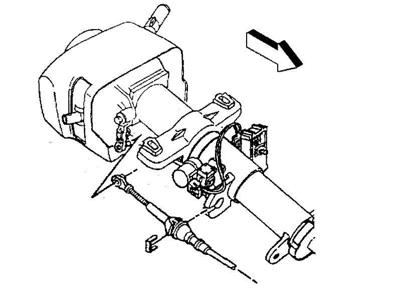
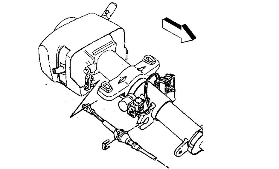
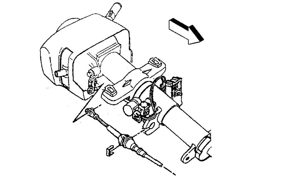
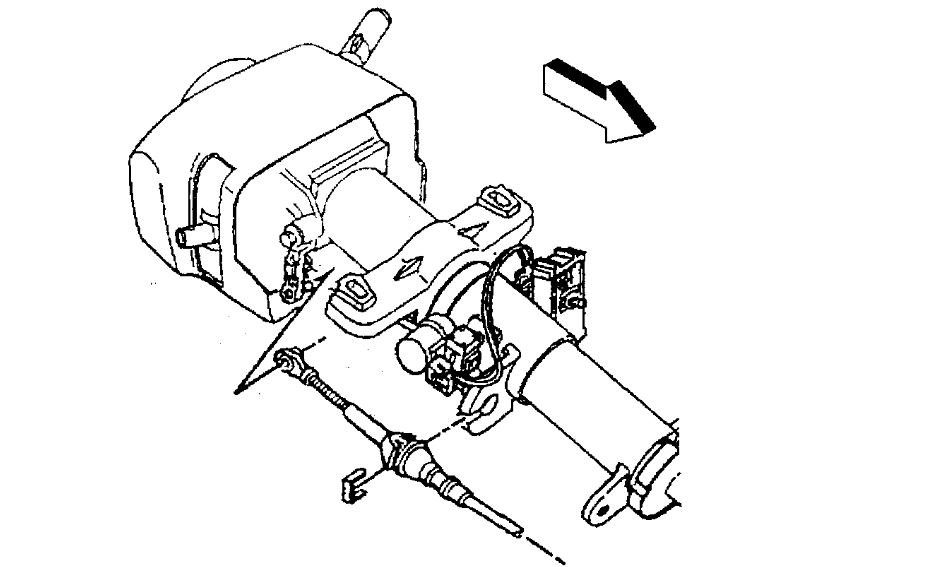
The piece that gets loose, I circled for you. You have to take the column apart to access the 3 bolts that get loose.

Roy
Was this
answer
helpful?
Yes
No
Wednesday, May 1st, 2019 AT 5:55 PM
Tiny
98BOBBYORR
  • MEMBER
  • 2 POSTS
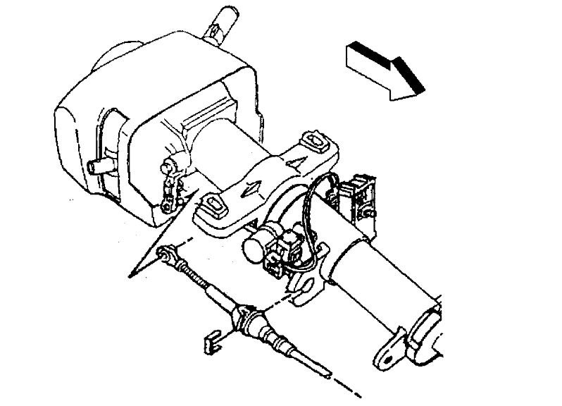
Thanks Roy, no tilt column.

I went under the car and disconnected the cable and the transmission shifts all the way to park and 1st no problem but as soon as I reattach the cable it won’t move again. Good to know it’s not the transmission. Is it possible that the shifter cable is preventing me from shifting into park?

I believe I found the piece in the diagram but but it was secure, nothing loose.

Thanks again!
Maddie
Was this
answer
helpful?
Yes
No
Thursday, May 2nd, 2019 AT 12:08 AM
Tiny
ASEMASTER6371
  • MECHANIC
  • 52,796 POSTS
Yes, very possible the cable is the issue.

I would replace the cable.

Roy

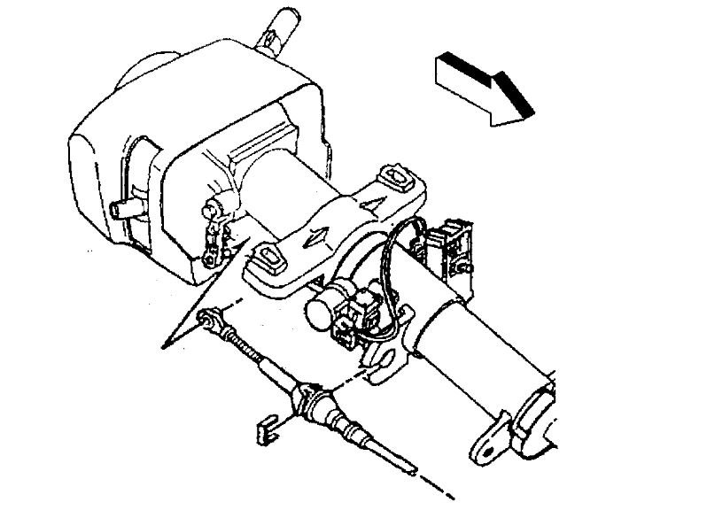
REMOVAL PROCEDURE
1. Ensure that the transmission is in the mechanical neutral position.
Rotate the transmission control lever clockwise until it reaches the full clockwise stop position.
Move the shift lever counterclockwise two detents.
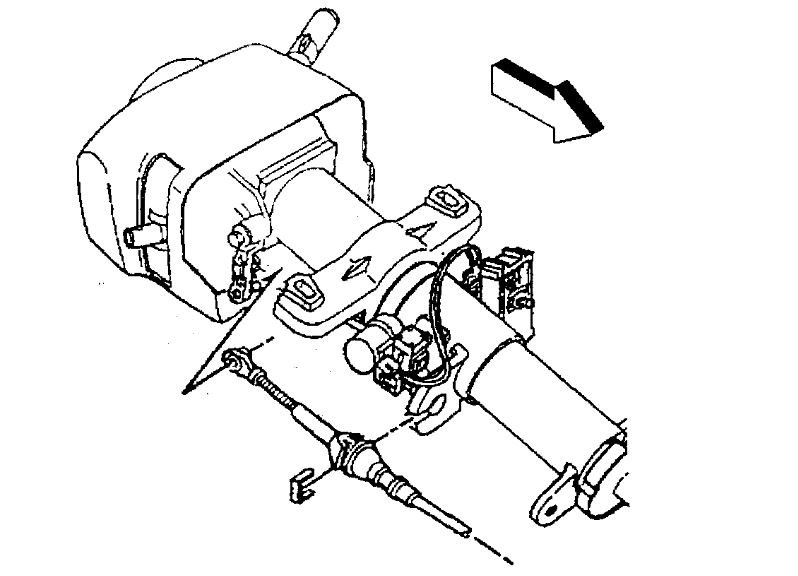
2. Remove the clip from the bracket that secures the shift cable to the transmission.

ImageOpen In New TabZoom/Print

3. Remove the shift cable end from the transmission shift lever stud ball.
4. Remove the three shift cable clips from the body.
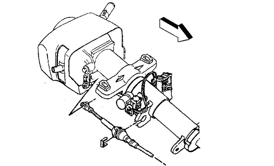
5. Remove the grommet from the hole in the floor panel.

ImageOpen In New TabZoom/Print

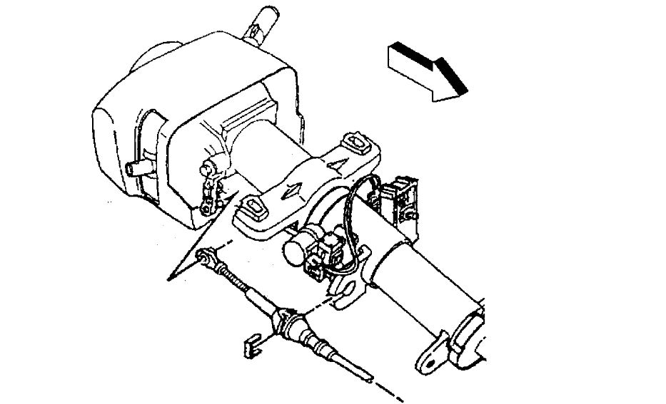
6. If the vehicle is equipped with a transfer cage, remove the bolt and washer securing clip and the shift cable to the transfer case.

ImageOpen In New TabZoom/Print

7. Remove the clip that secures the shift cable to the steering column bracket.
8. Remove the shift cable end from the steering column shift controller stud ball.
9. Remove the cable from the vehicle.
Pull the cable from under the vehicle.

INSTALLATION PROCEDURE
1. Ensure that the transmission is in the mechanical neutral position.
Rotate the transmission control lever clockwise until it reaches the full clockwise stop position.
Move the shift lever counterclockwise two detents.

ImageOpen In New TabZoom/Print

2. Feed the steering column end of the shift cable through the grommet hole in the floor panel of the vehicle.

ImageOpen In New TabZoom/Print

3. Connect the shift cable end to the steering column shift controller stud ball.
4. Install the clip that secures the shift cable to the steering column bracket.

ImageOpen In New TabZoom/Print

5. Install the shift cable to the transmission bracket.
Do not depress the locking tab that secures the shift cable to the transmission bracket.
Ensure that the tab remains positioned OUT.
Do not install the shift cable end to the transmission shift lever stud ball.

ADJUSTMENT PROCEDURE
1. Ensure that the shift cable is not restricted.
2. Place the steering column shift lever into the NEUTRAL position.
3. Position the shift cable to assume a natural routing.
The shift cable must be free to move 20.0 mm (0.80 inch) axially during the adjustment under adjustment spring loads.

ImageOpen In New TabZoom/Print

4. Pull the cable end completely forward and release it. (When the cable is pulled completely forward and released, the adjustment spring will position the cable to its most rearward position.)
5. Connect the end of the shift cable to the transmission shift lever stud ball.

NOTICE: Do not pull the shift lever ball stud forward of the transmission shift lever ball stud during installation. Pulling the shift cable end forward of the transmission shift lever ball stud before installing the shift cable end to the transmission shift lever ball stud will result in a poor adjustment.

6. Press the locking tab IN in order to secure the shift cable to the transmission bracket.
7. If the vehicle is equipped with a transfer case, install the bolt and washer securing clip and the shift cable to the transfer case.

ImageOpen In New TabZoom/Print

8. Install the grommet to the hole in the floor panel.
9. Install the three shift cable clips to the body.
Was this
answer
helpful?
Yes
No
Thursday, May 2nd, 2019 AT 2:23 AM

Please login or register to post a reply.