Engine not cranking?

Tiny
MATTHEWCOURTNEY06
  • MEMBER
  • 1993 CHEVROLET 1500
  • 5.7L
  • V8
  • 2WD
  • AUTOMATIC
  • 136,909 MILES
All the lights and stuff turn on nice and bright, but it will not crank over. Also, where is the starter relay on the truck?
Thursday, December 22nd, 2022 AT 6:48 PM

1 Reply

Tiny
JACOBANDNICKOLAS
  • MECHANIC
  • 110,194 POSTS
Hi,

If the starter isn't engaging, it could be a few different things. Try this. See if placing the vehicle in neutral makes a difference. If it doesn't, then we need to check a few electrical components.

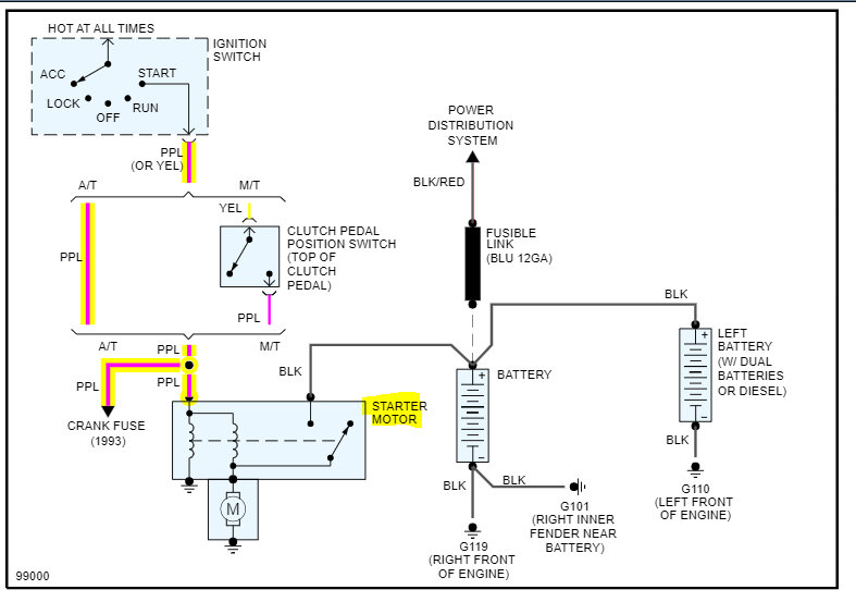
I attached the wiring schematic below, so you have a reference. I highlighted the power from the ignition switch to the starter that is required for it to engage.

Here is what I need you to check. At the starter, you will have a heavy gauge black wire direct from the battery. It should have power at all times.

There will be a smaller gauge purple wire that will not have power until the key is in the start position. Have a helper turn the key to the start position while you check if the purple wire gets power. Also, and this appears to be specific to only the 1993 model year, there is a crank fuse. I attached a pic showing where I believe it is located. The picture is a bit confusing, but try to locate that fuse and check it. Also, make sure there is power to and from it. Here is a link you may find helpful.

https://www.2carpros.com/articles/how-to-check-a-car-fuse

Let me know what you find.

Take care,

Joe

See pics below.
Was this
answer
helpful?
Yes
No
Friday, December 23rd, 2022 AT 4:04 PM

Please login or register to post a reply.