Will not crank or start

Tiny
ALAMAHOWARD93
  • MEMBER
  • 2006 CHEVROLET UPLANDER
  • 3.5L
  • 6 CYL
  • 2WD
  • AUTOMATIC
  • 177,000 MILES
So, I tested all the fuses and relays everything is good. I drove it to store n got back in my car and it won't crank or start, all lights everything turn on. I popped the hood and could smell some kind of burnt smell, but it wasn't any wires, belts or any of my fuses, from what I could see from up top. I tried hitting the starter and still nothing it clicked and that was it. I was thinking maybe a bad connection or my ignition switch is bad, but I don't know.
Saturday, June 4th, 2022 AT 9:08 AM

12 Replies

Tiny
JACOBANDNICKOLAS
  • MECHANIC
  • 110,194 POSTS
Hi,

If all fuses and relays are good, we need to go to the starter motor and check for power. This will confirm if it is the starter or if we need to work back from that point to determine where the power is lost.

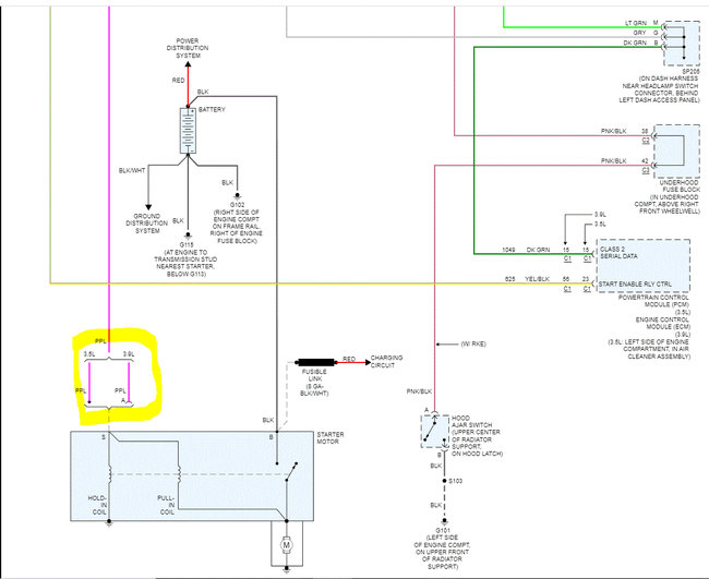
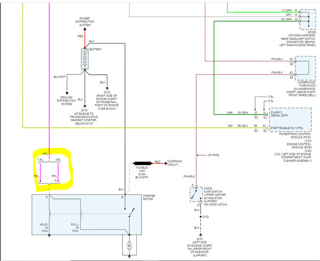
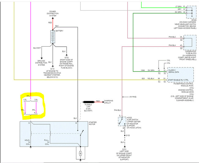
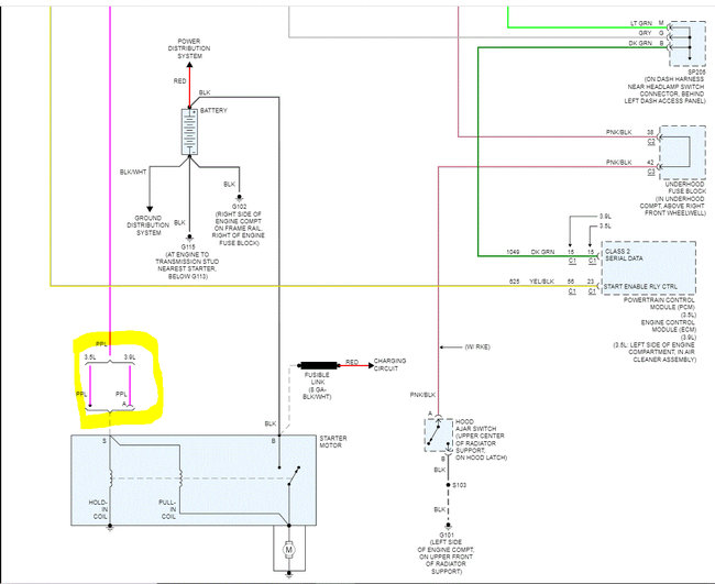
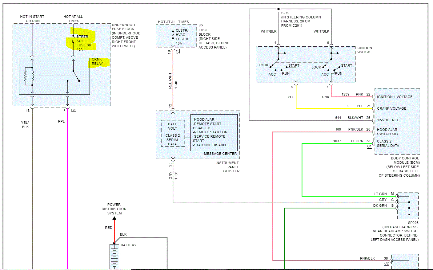
I attached the wiring schematic below for the starting circuit. Note there is a 40-amp fuse (fuse 30) in the under-hood fuse box. I realize you checked fuses, but also make sure there is power to and from it. Here is a link you may find helpful.

https://www.2carpros.com/articles/how-to-check-a-car-fuse

If that is good, switch the relay with a different relay in the box having the same part number.

If that doesn't make a difference, we need to check the power at the starter. You will need a helper for this.

At the starter, there are two wires. One is black and the other is purple. The black wire is a heavier gauge wire. It should have 12v at all times. Confirm that.

If that is good, the purple wire will have no power until the key is in the start position. Have the helper turn the key to the start position while you check for power at the purple wire.

Here is a link you may find helpful as well:

https://www.2carpros.com/articles/starter-not-working-repair

Now, if the heavy gauge wire has 12v and the purple gets power with the key in the start position, the starter is the likely problem. However, check this and let me know what you find.

Take care,

Joe

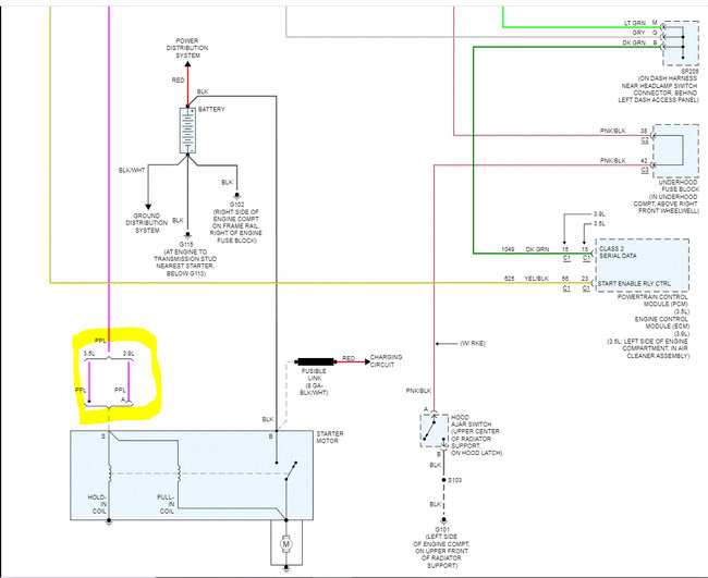
See pics below. Note: The schematic was one page. I had to cut it in half to make it readable for you. I did overlap them. The last pic shows the under-hood fuse box. I highlighted the fuse and relay.
Was this
answer
helpful?
Yes
No
Saturday, June 4th, 2022 AT 10:38 PM
Tiny
ALAMAHOWARD93
  • MEMBER
  • 7 POSTS
Would the ignition switch be something to check as well? Like if the ignition switch was bad would I still have all lights in the car still turn on?
Was this
answer
helpful?
Yes
No
Saturday, June 4th, 2022 AT 11:12 PM
Tiny
ALAMAHOWARD93
  • MEMBER
  • 7 POSTS
Also, another question? Am I able to jump a wire from the crank relay to see if it engages the starter? Because I looked and there is no starter relay.
Was this
answer
helpful?
Yes
No
Sunday, June 5th, 2022 AT 12:02 AM
Tiny
JACOBANDNICKOLAS
  • MECHANIC
  • 110,194 POSTS
Has the starter ever engaged since this started? If it did, recheck the orientation of the pic and the box in the vehicle. Without that relay, it will never crank. Could someone have removed it?

As far as the switch, it could be bad and still have most of the electrical system working.

The starter relay can be jumped using a short jumper wire. You would need to jump terminal 87 and terminal 30 in the box. See pic below

Let me know.

Joe
Was this
answer
helpful?
Yes
No
Sunday, June 5th, 2022 AT 10:26 PM
Tiny
ALAMAHOWARD93
  • MEMBER
  • 7 POSTS
Nope, it didn't make any sound it clicked once when I jumped the wire.
Was this
answer
helpful?
Yes
No
Monday, June 6th, 2022 AT 7:45 AM
Tiny
JACOBANDNICKOLAS
  • MECHANIC
  • 110,194 POSTS
It sounds like the starter is bad. If you jumped power at the relay directly to the starter trigger wire, it should have engaged.

Was there power at one of the terminals you used when you jumped at the relay?

Let me know that. Also, here is a link that explains how to replace a starter motor. At this point, I would remove the starter and have it bench tested at a parts store. They should do it free of charge.

Keep in mind, you must make sure the battery is disconnected before working on the starter.

Let me know what you find.

Take care,

Joe

See pic below. It shows the location of the starter motor.
Was this
answer
helpful?
Yes
No
Monday, June 6th, 2022 AT 8:30 PM
Tiny
ALAMAHOWARD93
  • MEMBER
  • 7 POSTS
Yes, I it had power it just made a click and I can smell burnt smell by starter and whoever wrapped the wire that goes to one of the cooling systems used some kind of foil type tape. That was next to the starter connector. So, I'm thinking it's what probably burnt the starter up.
Was this
answer
helpful?
Yes
No
Monday, June 6th, 2022 AT 8:59 PM
Tiny
JACOBANDNICKOLAS
  • MECHANIC
  • 110,194 POSTS
Hi,

Remove the foil tape. Anything that is a conductor shouldn't be used, especially near the starter.

Pull the starter and have it bench tested. Just make sure to disconnect the battery before you start working on it.

Let me know what you find.

Joe
Was this
answer
helpful?
Yes
No
Monday, June 6th, 2022 AT 9:06 PM
Tiny
ALAMAHOWARD93
  • MEMBER
  • 7 POSTS
Yeah, I don't know who is really that stupid to put this type of tape near a starter. Yeah, I did the bench test it's bad.
Was this
answer
helpful?
Yes
No
Tuesday, June 7th, 2022 AT 7:27 AM
Tiny
JACOBANDNICKOLAS
  • MECHANIC
  • 110,194 POSTS
Hi,

Were you able to replace the starter with a new one and is it working properly?

Let me know.

Joe
Was this
answer
helpful?
Yes
No
Tuesday, June 7th, 2022 AT 5:13 PM
Tiny
ALAMAHOWARD93
  • MEMBER
  • 7 POSTS
I pulled one out the junk yard just haven't installed it yet because there are videos on YouTube of how to get it out without taken everything apart.
Was this
answer
helpful?
Yes
No
Tuesday, June 7th, 2022 AT 5:43 PM
Tiny
JACOBANDNICKOLAS
  • MECHANIC
  • 110,194 POSTS
I don't recall this one being too hard. It's at the front of the engine.

Regardless, let me know how things turn out for you or if I can help in any way.

Take care,

Joe
Was this
answer
helpful?
Yes
No
Wednesday, June 8th, 2022 AT 7:09 PM

Please login or register to post a reply.