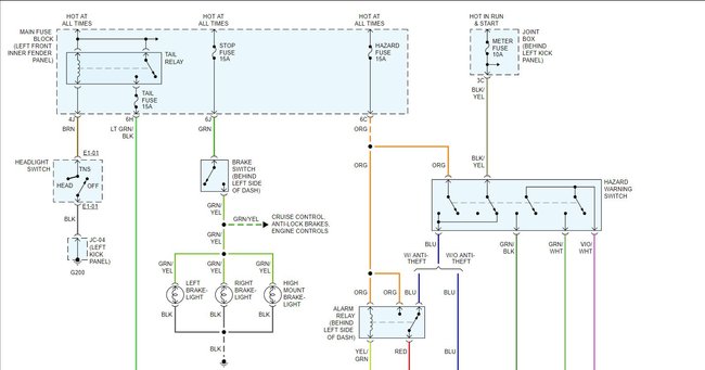
Okay, so that's the problem however in investigating all the components I have made a few discoveries. The car has had an aftermarket alarm system that has been cut out of the car sometime in its history. Worse it has a Central locking unit that doesn't work and when the alarm system has been hacked out of the circuitry they have cut wires to the central locking unit. I have tested all the components as follows:
The flasher unit which is a 3 pin unit works fine.
The hazard switch which is a 9 pin unit works fine.
The indicator stalk control switch works fine.
There is no issues with the connector plugs to the dash cluster. I've taken them out of their sockets and given them a clean with contact cleaner.
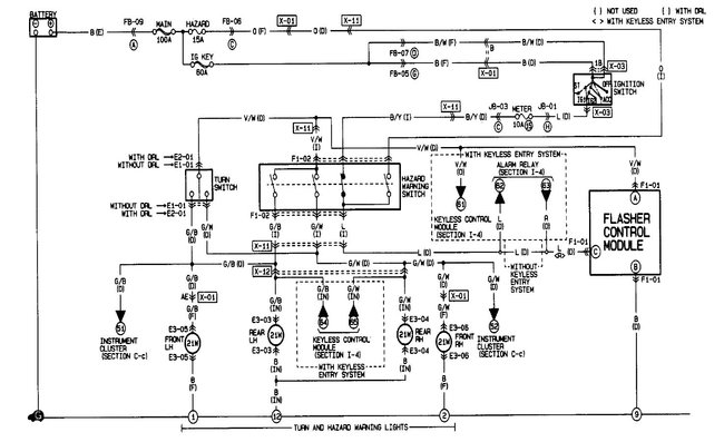
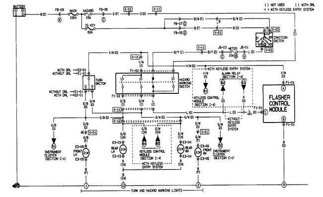
My suspicion is that I have lost an earth somewhere and it probably is because of the vandalism caused by the bad removal of the alarm system and subsequent cutting of various other wires. So what I need is some wiring schematics incorporating all of the components mentioned so I can do some real detective work because it's very difficult without them to trace the color coded wires and know what should be there and what isn't. I've got a 2002 wiring diagram but it is completely different as it uses a multi pin electronic flasher and a 2 pin hazard switch so I'm not able to use it. Would really appreciate your help.
Thanks
Friday, June 4th, 2021 AT 1:30 AM




